Rob's web

MPF-1

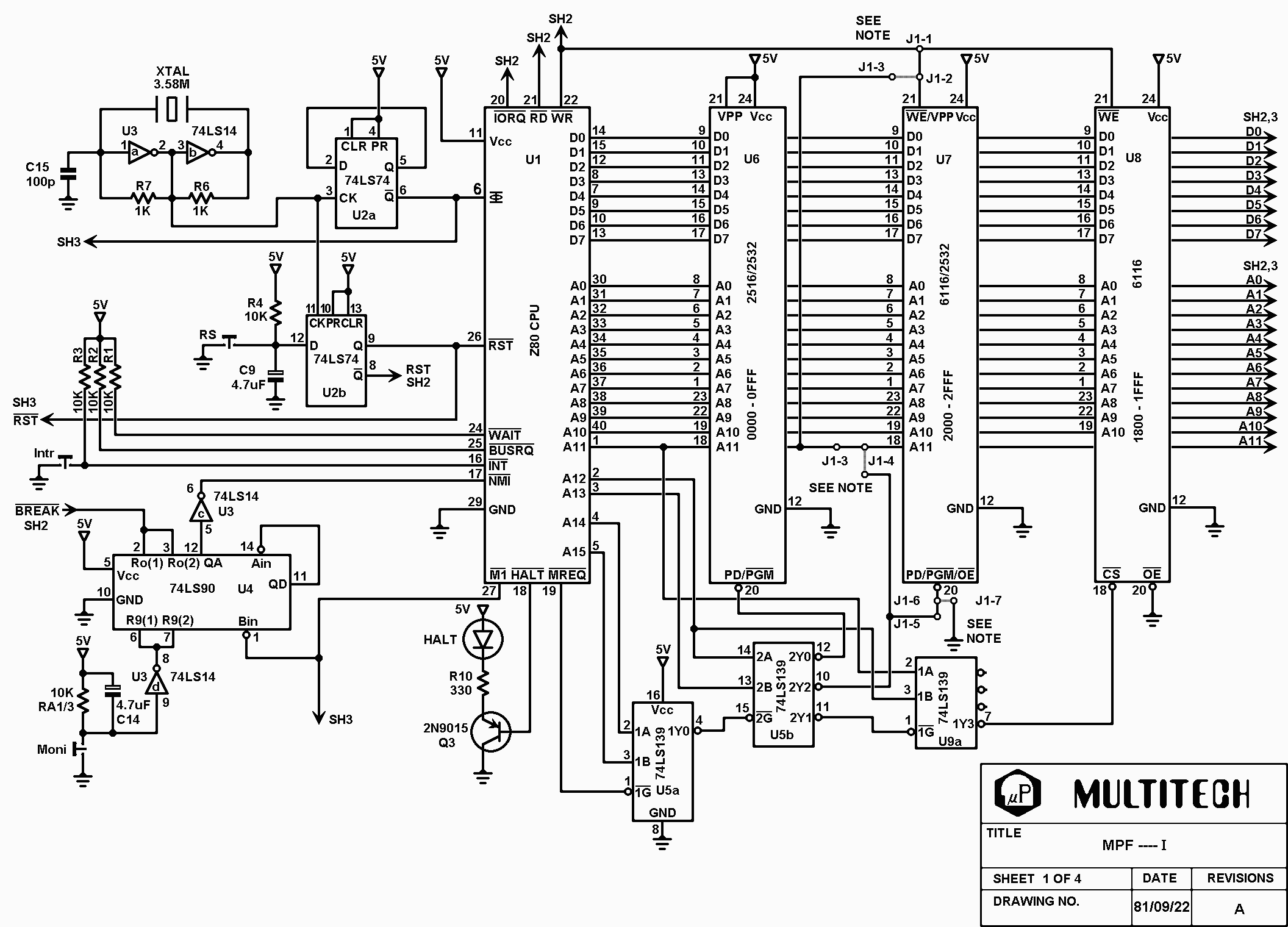
Schema MPF-1 1-4

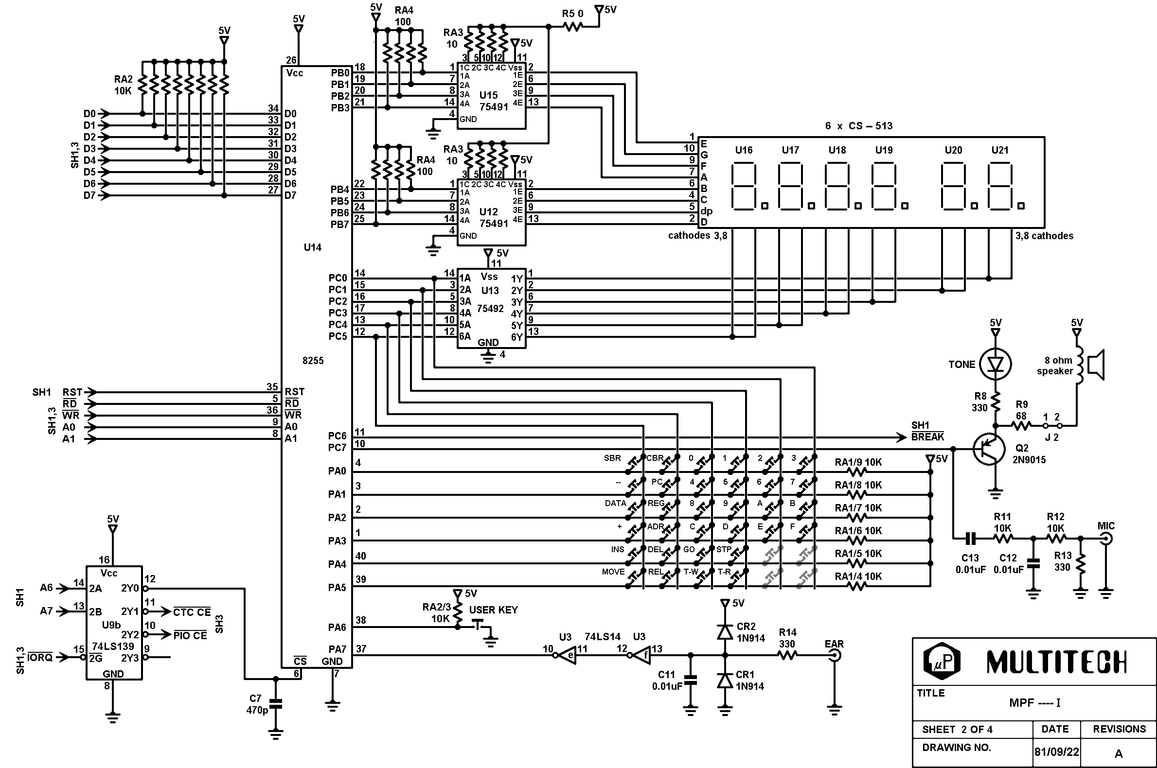
Schema MPF-1 2-4

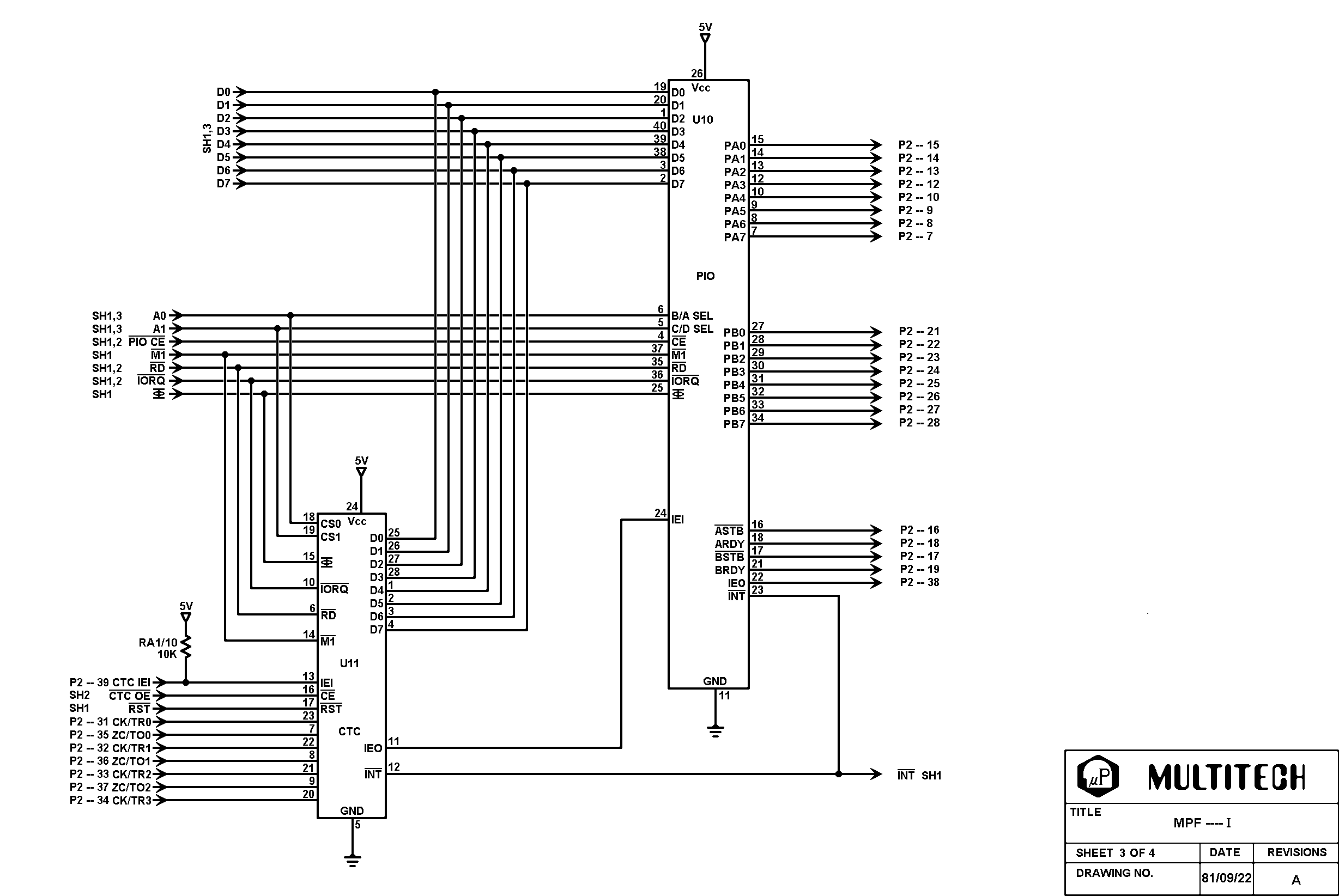
Schema MPF-1 3-4

Schema MPF-1 4-4