Hierbij nogmaals een ombouwrecept voor een MARC transceiver. Het betreft de M54FM van het fabrikaat DNT.
De frequentie opwekking is bij deze set nagenoeg gelijk aan die bij de eerder beschreven 22AP369 van Philips maar de auteurs hebben de ombouw principieel anders aangepakt. Reden om ook deze bijdrage in CQ-PA te plaatsen.
De twee meterband zit bij ons in Hilversum zo vol dat wij al een tijdje naar een rustige frequentie uitkeken. De gedachte ging al snel uit naar een FM-netje in de 10 meterband. In overeenstemming met het bandplan werd hier het gebiedje van 29,550 (vlak boven de OSCAR-band) tot 29,600 MHz gekozen. Het nog hoger liggende gebied van 29,600 tot 29,700 MHz wordt in de USA voor de uitgangen van enkele FM-repeaters gebruikt (met 100 kHz shift) en op najaarsavonden komen die hier duidelijk neembaar door waardoor dat gebied dus minder geschikt is.
Min of meer bij toeval kwamen wij er achter dat het MARC-setje van DNT, de M54FM, gemakkelijk is om te bouwen naar 10 meter. Daar de opbouw van dit setje nog al afwijkt van het "modale bakkie" zal het hierna te bespreken ombouwrecept in het algemeen niet op andere MARC-setjes toepasbaar zijn.
Tot dit moment zijn met redelijk succes drie setjes omgebouwd. Voor de prijs hoeft niemand het te laten, ze kosten ƒ 80,- tot ƒ 100,-. De importeur is Koelrad B.V., Postbus 45 te Amstelveen. Bij ieder setje bevindt zich een gebruiksaanwijzing met blokschema, componenten-opstelling en een duidelijk principe schema.

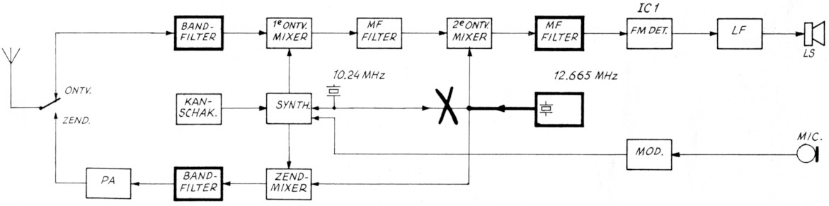
Fig. 1. Vereenvoudigd blokschema van de M54FM. De dik getekende delen betreffen de ombouw naar de 10 meter amateurband.
Zoals u ziet bevat de synthesizer een kristal op 10,24 MHz. Dit kristal vervult drie functies t.w.:
In vorenstaande figuur 2 is de synthesizer voor alle duidelijkheid wat nader uitgewerkt. De ontvanger werkt in ondermenging; de VCO oscilleert op ong. 16 MHz. De verschilfrequentie, 10,695 MHz, gaat via een MF-trafo en een keramisch filter naar het middenfrequent IC (IC1). Om zender en ontvanger transceive te krijgen zou men bij zenden 10,695 i.p.v. 10,24 MHz bij het VCO-signaal op moeten tellen. De ontbrekende 455 kHz maakten de ontwerpers goed door het deeltal van de programmeerbare deler om te schakelen, zodat de VCO 455 kHz opschuift.

Fig. 2. De synthesizer van de M54FM.
Deze opzet maakt het ombouwen naar een andere frequentie vrij eenvoudig. Als we de verbinding van het 10,24 MHz kristal met de zenden de tweede ontvangstmixer verbreken en hier een nieuwe frequentie injecteren (b.v. 12,665 MHz) gaan zender en ontvanger geheel transceive op een andere frequentie werken. Met de door ons gekozen kristalfrequentie komt kanaal 14 op 29,550 MHz terecht. Aangezien we nu frequenties ontvangen die 2,425 MHz hoger zijn, maar de VCO-frequentie niet veranderd is, komt de eerste MF op 10,695 + 2,425 = 13,120 MHz uit.
Om de MF-trafo op deze frequentie te kunnen afregelen moet de ingebouwde condensator verwijderd worden. Op de aansluitpennetjes soldeert men aan de onderkant van de print een c'tje van 47pF.
Het keramische filter Fi4 wordt verwijderd en overbrugd met een c'tje van 1nF. Van de spiegelonderdrukking blijft natuurlijk niet veel over (910 kHz lager). Eventueel kan hier nog een 10,7 MHz trafo tussengeschakeld worden. Zorg er voor dat pen 16 van IC1 geen galvanische verbinding met aarde maakt!
Om te voorkomen dat de ontvanger overstuurd wordt door sterke 27 MHz signalen wordt tussen het antennerelais en de ingangstrap een 29 MHz bandfilter geschakeld.
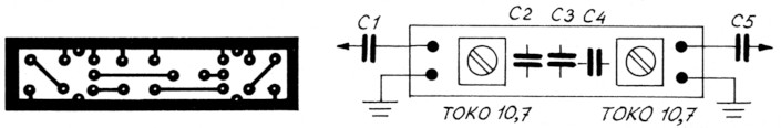
Het keramische filter Fi3 wordt vervangen door een capacitief gekoppeld bandfilter (fig.3) bestaande uit twee VRZA TOKO 10,7 MHz trafo's (rote kern). De zich aan de onderzijde van deze trafo's bevindende condensatortjes moeten verwijderd worden (voorzichtig kapot drukken). De resonantie-frequentie van deze spoeltjes ligt dan op ca 30 MHz.

Fig. 3. Het 29 MHz bandfilter.
| C1 | C2 | C3 | C4 | C5 | |
|---|---|---|---|---|---|
| TX filter | 5,6 | 8,2 | 6,8 | 2,7 | 18 |
| RX filter | 15 à 22 | 6,8 | 6,8 | 2,7 | 15 à 22 |
De 5,6 pF condensator wordt verbonden met de secundaire van L9; het 18 pF c'tje met de basis van Q15.
Het filterprintje is, zoals de tekening van fig. 4 en 5 laat zien, zeer smal gehouden. Het wordt aan de print ter hoogte van 1C2 op zijn kant vastgesoldeerd. De trafo's staan nu dus horizontaal en zijn gemakkelijk vanaf de zijkant van het setje of to regelen.

Fig. 4 en 5. Print.
Het ontvangstfilter heeft dezelfde opbouw en wordt tussen de contacten van het antennerelais en de HF-versterker Q1 opgenomen. De afstem-c'tjes zijn nu 6, 8pF; het in- en uitkoppelen gaat met c'tjes van 15 tot 22 pF.
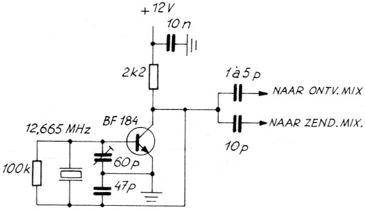
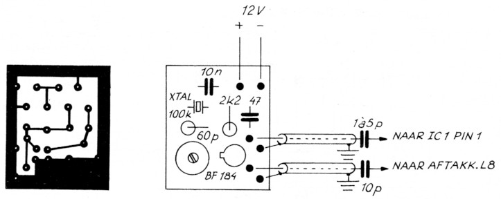
De oscillatorschakeling werd ontworpen voor parallelresonantie kristallen met 30pF parallelcapaciteit. Het schema is getekend in fig. 6, het printje in fig. 7 en de onderdelenopstelling in fig. 8. Het printje wordt aan de bovenkant achter de kanalenschakelaar bevestigd. Condensator C59 (3 à 5pF) wordt verwijderd en het printbaantje van de tap van L8 naar pen 1 van IC1 onderbroken. De oscillatorspanning gaat via een c'tje van 1 à 5pF naar pen 1 van IC1 (C12 blijft zitten) en via een 10pF c'tje naar de tap van L8.

Fig. 6. Nieuwe kristal-oscillator voor zend- en ontvang-mixer

Fig. 7 en 8. Print oscillator.
Bij onze eerste poging om de synthesizer buiten de 22 kanalen te krijgen werd het effect beproefd van enkele niet gebruikte aansluitpennen van IC3. Het bleek dat het setje op kanaal 14 gaat werken (ongeacht de stand van de kanalenschakelaar) als men +6V op pen 8 zet. Het frequentieverschil tussen kanaal 22 en kanaal 14 is precies 100 kHz en dit maakt het werken met een repeater (29,550 in; 29,650 uit) mogelijk.
Daartoe soldeert men een weerstand van 39k tussen pen 8 van IC3 en punt T van SW1a (zendontvangst omschakeling). Met een verbreekschakelaar kan dan omgeschakeld worden op simplexbedrijf. Als mogelijke oplossing hiervoor kan de kanaal 9 schakelaar worden opgeofferd.
Het afregelen van de ontvanger spreekt waarschijnlijk voor hen die zich met deze ombouw gaan bezighouden voor zich. Als opmerking kan hier nog worden gemaakt dat de kernen van het laagdoorlaatfilter in de eindtrap (L10 t/m L13) nog al ver uitgedraaid moeten worden.
De oscillatorfrequentie voor de tweede ontvangmixer en de zendmixer wordt in de hier beschreven schakeling gewijzigd van 10,24 MHz naar 12,665 MHz. Als gevolg hiervan verschuift de eerste middenfrequentie van de ontvanger, zodat het bestaande 10,7 MHz filter onbruikbaar wordt.
Voor degenen die dit een bezwaar vinden is er echter nog een andere mogelijkheid. Verschuift men b.v. de uitgangsfrequentie van de VCO, die naar pin 19 van de PLL-IC wordt gevoerd, dan schuift de totale afstemming van de transceiver mee met behoud van de eerste middenfrequentie van 10,7 MHz! Deze verschuiving kan men bewerkstelligen door in de signaalweg naar pin 19 van de PLL-IC een extra mixer met (x-tal) oscillator op te nemen, b.v. een S0421), die beide functies in zich verenigt. Kiest men voor het kristal 2,035 MHz en men zorgt er voor dat de uitgang van deze extra mixer 2,035 MHz lager staat dan de gewenste VCO-frequentie, dan gaat de VCO automatisch op een 2,035 MHz, hogere frequentie werken, zodat de set loopt vanaf 26,695 + 2,035 = 29 MHz!
PA3BJG en PA3BMV.