De auteur beschrifft in dit artikel een tweetal twee meter bandsper-filters (een met een demping van 40 dB, de ander 80 dB), voorts een mantelfilter en een hoogdoorlaat-filter met grensfrequenties van 35, 40 of 45 MHz.
Kabeltelevisie is nog niet zover doorgedrongen dat TVI tot het verleden behoort; in Limburg heeft een grote groep zendamateurs dankbaar gebruik gemaakt van de door PAoGNK ontwikkelde filters waarmee minstens gelijkwaardige resultaten te bereiken zijn als met de professionele filters die in de handel verkrijgbaar zijn.
Er kan een aantal oorzaken zijn van storing op TV-ontvangers (en ook radio's):
Men dient er zich van bewust te zijn dat in sommige gevallen een aantal van bovenstaande oorzaken tegelijk kan optreden. In een dergelijk geval kan het b.v. nodig zijn om een bandsper-filter in combinatie met een mantelfilter toe te passen of een laagdoorlaat-filter achter de zender en een hoogdoorlaat-filter in de ontvanginstallatie te plaatsen.
Laagdoorlaat-filters worden geleverd door de importeurs van amateur-apparatuur, maar ook de eerdergenoemde fabrikant van filters Auth heeft daarin een keuze, zowel v.w.b. de HF-banden als ook filters geschikt voor het afsnijden van frequenties boven resp. 150 en 450 MHz.
Het hier beschreven laagdoorlaat-filter met een grensfrequentie van 35 MHz is geschikt tot vermogens van 1500 watt en heeft een doorlaatdemping die overal kleiner is dan 1 dB bij 50 ohm belasting. Het filter heeft een 'deuk' in de doorlaat op 26 MHz van ca 0,5 dB.
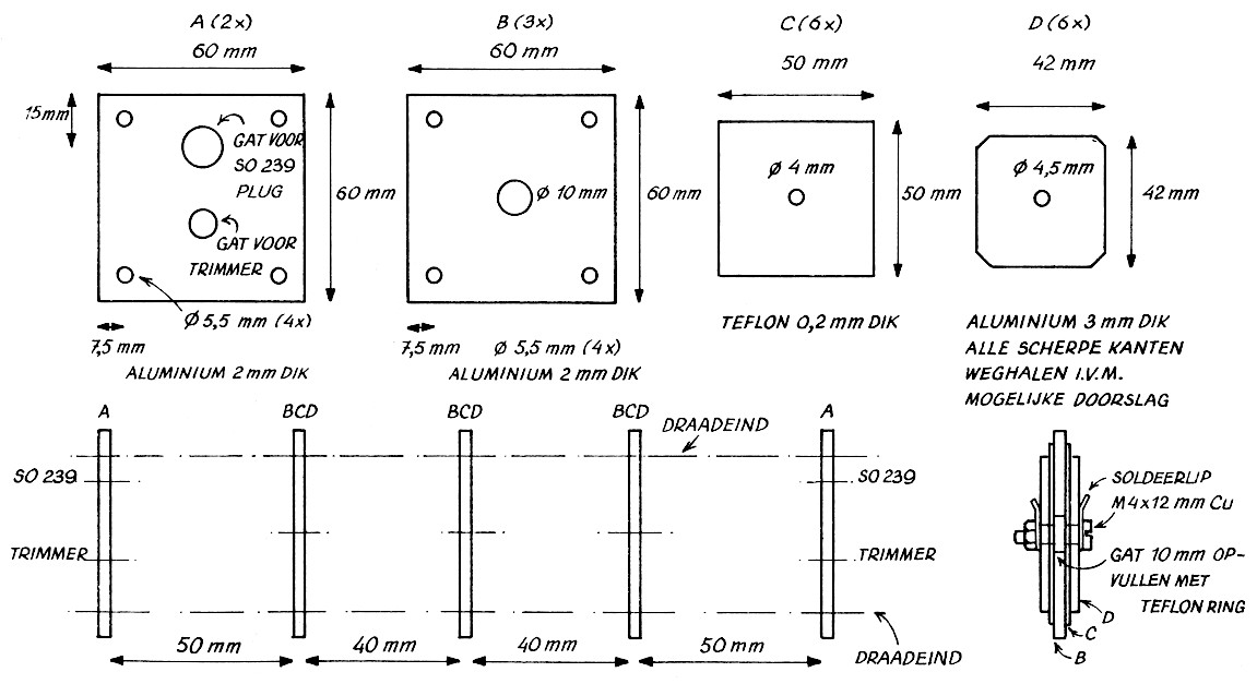
C1, C2 : ca 150 pF, plaatafstand 1 mm (exemplaren uit de dump werden toegepast) L1, L2, L5, L6: 9 windingen, 2 mm verzilverd koperdraad, binnendiameter spoel 10 mm L3, L4 : 101/2 windingen, idem J1, J2 : S023g connectorDe praktische uitvoering van dit filter is voor een groot gedeelte afhankelijk van de uitvoering van de verkrijgbare condensatoren. De foto en figuur 2 geven een indruk hoe een en ander gerealiseerd kan worden.
De met een sterretje gemerkte condensatoren in fig. 1 worden opgebouwd m.b.v. de volgende materialen: een aluminiumplaat 2 mm dik, 60 × 60 mm groot (B), twee Teflon plaatjes 0,2 mm dik, 50 × 50 mm groot (C) en twee aluminium platen 3 mm dik, 42 × 42 mm groot (D). Het verdient aanbeveling rondom het gehele filter een afscherming van blik te construeren.

Fig. 1.

Fig. 2.

Foto 1.
Het hierna te beschrijven hoogdoorlaat-filter is bestemd voor plaatsing aan de ingang van de ontvanginstallatie. Het kan ontwikkeld worden voor verschillende afsnijfrequenties, al naar gelang de behoefte.
Het filter is opgebouwd als getekend is in figuur 3. Voor wat betreft de mechanische opbouw geeft nevenstaande foto de nodige informatie. Een simpel blikken doosje huisvest het filter; het is voorzien van twee chassisdelen zodat het eenvoudig tussen antennekabel en TV-toestel kan worden aangebracht.

Fig. 3.
| 35 MHz | 40 MHz | 45 MHz | |
|---|---|---|---|
| L1 | 11 wdg | 11 wdg | 11 wdg |
| L2 | 7 wdg | 6 wdg | 4 wdg |
| L3 | 6 wdg | 5 wdg | 4 wdg |
Alle spoelen ø 0,3 mm koperdraad, gewikkeld op vorm ø 3,5 mm. Alle condensatoren 47 pF.
De montage gaat het gemakkelijkst als eerst de vijf C-tjes als een brug tussen de beide chassisdelen worden gesoldeerd.
De doorlaatdemping van dit filter is kleiner dan 2 dB boven 80 MHz. De demping bij de grensfrequenties is ongeveer 20 dB en de minimale demping op 30 MHz bedraagt 40 dB. De zelfinducties L1 zijn bedoeld om statische ladingen op de coaxkabel of te voeren naar aarde, dit om te voorkomen dat de condensatoren doorslaan.

Foto 2.
Dit filter dient zo dicht mogelijk bij de ontvanger-ingang geplaatst te worden. Het filter wordt opgebouwd met twee kleine ferrietkralen en dun geëmailleerd koperdraad van ca 0,2 mm diameter.

Fig. 4.
L1, L2: 3,5 wdg op twee ferrietkraaltjes.
Op de foto is duidelijk te zien dat de coaxkabel m.b.v. wat lijm of siliconenkit dient te worden vastgezet aan het omhullende blik; de metalen mantel van het coaxkabel mag geen contact maken met aarde. De doorlaatdemping van dit filter bedraagt ongeveer 1,5 dB.

Foto 3.
Dit filter heeft een demping van 40 dB op 144 MHz. Het kan worden voorgeschakeld bij een breedband antenneversterker ter voorkoming van oversturing. Het schema is getekend in fig. 5. De doorlaatdemping is kleiner dan 1 dB bij 50 of 75 ohm belasting.

Fig. 5.
Alle kringen dienen in resonantie te worden gebracht op 145 MHz.
L1: 13 wdg ø 0,8 mm verzilverd koperdraad op vorm ø 9 mm
L2: 2 wdg idem
C1: trimmer 5 pF
C2: condensator 39 pF
Bevindt de breedbandversterker zich op het dak en dus in de buitenlucht, dan zullen vanzelfsprekend maatregelen moeten worden getroffen die het filter beschermen tegen weersinvloeden.
Op de foto is de opbouw van het filter te zien in een doosje van 5 × 5,5 cm met afschermschotje.

Foto 4.
Dit filter is een variant op het beschreven filter (D) en is bedoeld voor hardnekkige gevallen waar het -40 dB filter niet voldoet.
Constructief is het filter identiek aan het vorige, echter het bestaat uit drie secties in serie geschakeld. Het wordt opgebouwd volgens figuur 6 in een doosje van 5 × 10,5 cm, voorzien van afschermschotjes.

Fig. 6.
L1: 13 wdg
L2: 2 wdg
C1: trimmer 5 pF
C2: condensator 39 pF.
PE1HCP.