Onderstaand artikel geeft de constructie weer van een QRP wattmeter met quasi-lineaire schaal.
De specificaties zijn:
Frequentiebereik 1,8 - 30 MHz
Schaalbereiken 0 - 1 watt en 0 - 5 watt
HF impedantie 50 ohm.
I7ZCZ zegt er zelf van: Gemakkelijk te maken en nauwkeurig en voordelig in uitvoering. PA0PLM stelt in dit artikel een technisch probleem aan de orde, n.l. dat de ene zener diode wel en de andere niet voldoet in deze schakeling. De redaktie van CQ-PA dook erin en geeft aan het eind van dit artikel de resultaten weer.
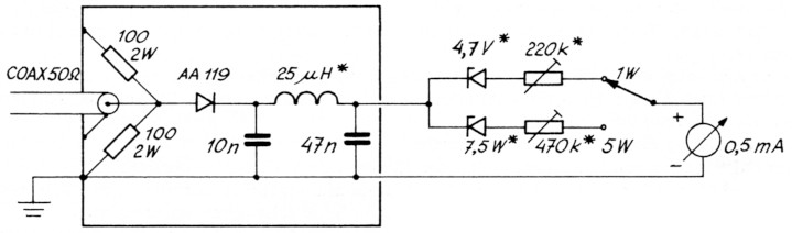
De schakeling als getekend in figuur 1 wijkt vrijwel niet of van andere, soortgelijke schakelingen. In het oog springen echter de zenerdioden die in serie met het metercircuit zijn opgenomen.

Fig. 1.
Daarin zit 'm nu net de kneep. Zonder deze zeners zou de schaal allesbehalve lineair zijn en zou er bij benadering uitzien als getekend in figuur 2A. Sommige zenerdioden, let wel sommige, bezitten de eigenschap dat er (over een vrij groot aantal decaden zelfs) een logarithmisch verband bestaat tussen de spanning over de zenerdiode en de stroom die er doorgaat. Door nu een dergelijke zener op te nemen in serie met de meter ontstaat door deze athankelijkheid een redelijk lineair verband tussen vermogen en meteraanwijzing. De schaal zal er uit gaan zien als getekend is in onderstaande figuur 2B. Men spreekt dan ook wel in een dergelijk geval van een quasi lineaire schaal.

Fig. 2
Er was gesteld dat dit slechts opgaat voor bepaalde zenerdioden. Het blijkt n.l. dat bepaalde typen dit logarithmisch verband niet vertonen en men dient zich daarvan dus te overtuigen.
Voor de 4,7 volt zener kan een Philips BZY88 4V7 gebruikt worden en voor de 7,5 volt een Silec BZX96C 7V5. Geen Philips BZY88 7V5; dit is een 'echte' zener en voor dit doel niet bruikbaar.
De twee weerstanden van 100 ohm vormen de HF-belasting. De spanning die hierover ontstaat wordt door de diode gelijkgericht om vervolgens door de schakeling met de twee condensatoren en smoorspoel te worden afgevlakt. Het nut van de smoorspoel is niet overtuigend; de schakeling zal met slechts een enkele condensator achter de diode ook naar behoren werken. De in het oorspronkelijke schema aangegeven waarden van de trimpotmeters zijn een factor 10 te hoog en kunnen beter vervangen worden door 22k resp. 47k.
De diode AA119 kan eventueel vervangen worden door een gelijkwaardig ander type. De beide belastingsweerstanden van 100 ohm dienen inductievrij te zijn en 2 watt kunnen dissiperen (liefst meer want ze worden aardig warm bij langdurig gebruik op vol vermogen). In verband hiermee mogen ze ook niet te dicht bij de diode geplaatst worden.
Om storingen te voorkomen worden de belastingsweerstanden, gelijkrichter en afvlakkingscomponenten apart afgeschermd in een aluminium doosje en dit weer in zijn geheel in een groter aluminium doosje ondergebracht.
Het verdient aanbeveling de twee weerstanden van 100 ohm pas na afregeling in de schakeling te solderen, omdat anders de voeding waarmee we de schakeling willen ijken onnodig belast wordt.
Het eenvoudigst doen we dit met een gelijkspanning. Daarvoor is nodig een regelbare voeding van 0 - 24 volt en een betrouwbare voltmeter.
Schakel de meter op het 1 watt bereik, zet beide potmeters op maximale weerstand en sluit de voltmeter (uitgangsspanning nul volt) aan op de HF-ingang. Regel vervolgens de spanning op tot 10 volt en verdraai de bijbehorende potmeter zover dat vole schaaluitslag wordt verkregen.
Daama niet meer aan deze potmeter komen en m.b.v. de spanningen aangeven in de tabel de wijzerstanden voor 0,1 tot 1 watt noteren. N.B. De schaal van fig. 2B kan niet zondermeer overgenomen worden omdat:
Het tweede schaalbereik wordt op dezelfde manier afgeregeld, te beginnen met 22,36 volt. Vervolgens worden de twee 100 ohm weerstanden in de schakeling aangebracht. Belangrijk! Zeer geschikte weerstanden zijn hiervoor de Amerikaanse compositieweerstanden. De Europese zijn vaak voorzien van een spiraalvormige groef om de weerstand op de juiste waarde te brengen en daardoor is deze dan niet meer inductievrij. De weerstanden symmetrisch in de schakeling aanbrengen, dus niet naast elkaar.
| 1 watt bereik | 5 watt bereik | ||||
|---|---|---|---|---|---|
| aanwijzing voltmeter | vermogen watt | aanwijzing voltmeter | vermogen watt | aanwijzing voltmeter | vermogen watt |
| 3.16 | 0.1 | 10.00 | 1.0 | 16.73 | 2.8 |
| 4.47 | 0.21 | 10.49 | 1.1 | 17.32 | 3.0 |
| 5.48 | 0.3 | 10.95 | 1.2 | 17.89 | 3.2 |
| 6.32 | 0.4 | 11.40 | 1.3 | 18.44 | 3.4 |
| 7.07 | 0.5 | 11.83 | 1.4 | 18.97 | 3.6 |
| 7.75 | 0.6 | 12.25 | 1.5 | 19.49 | 3.8 |
| 8.37 | 0.7 | 12.65 | 1.6 | 20.00 | 4.0 |
| 8.94 | 0.8 | 13.42 | 1.8 | 20.49 | 4.2 |
| 9.49 | 0.9 | 14.14 | 2.0 | 20.98 | 4.4 |
| 10.00 | 1.0 | 14.83 | 2.2 | 21.45 | 4.6 |
| 15.49 | 2.4 | 21.91 | 4.8 | ||
| 16.12 | 2.6 | 22.36 | 5.0 | ||
I7ZCZ.
In het artikel van PA0PLM werd duidelijk dat niet alle zeners geschikt zijn voor het vermelde doel. De oorspronkelijke zenerdioden (uitgevonden door Clarence M. Zener) zijn siliciumdioden waarvan de geleiding bij een zekere sperspanning sterk toeneemt. Dit wordt bereikt door een nauwkeurige doping van het siliciumkristal en daarmee heeft men de waarde van de sperspanning waarbij het zenereffect optreedt in de hand. Het zenereffect is het vrijmaken van electronen in de halfgeleider door botsing met vrije electronen. Hierdoor neemt het aantal ladingdragers lawine-achtig toe en kunnen zeer grote stromen gaan lopen zonder dat de spanning over de diode veel verandert. Aldus de theorie.
Men zou verwachten dat zolang de aangelegde spanning onder de op de zener vermelde spanning blijft, er vrijwel geen stroom door de zener zal lopen om plotseling bij overschrijden van deze spanning sterk te gaan geleiden, echter…

Fig. a.
De schakeling van PA0PLM werd nagebouwd met twee Philips zenerdioden, n.l. de BZY88 4V7 en de BZY88 7V5. Op het 1 watt bereik ontstond inderdaad een redelijk lineair verband, maar op het 5 watt bereik leek het nergens naar. Het leek daarom wenselijk het stroom-spanningsverband van de zeners te meten. Dit leverde meteen de verklaring, zie fig. a. De lijnen aangeduid met een I hebben een tienmaal gevoeliger schaal dan die aangeduid met een II.
Uit de figuur blijkt een aantal dingen. In de eerste plaats zien we bij de 4V7 zener over een groot gebied een vrijwel logarithmisch verband tussen stroom en spanning (in de vorm V(volt) = a + b In I (mA) waarin a en b constanten zijn voor de betreffende zener). Dit ontbreekt bij de 7V5 zener en dit is dan ook de oorzaak dat het 5 watt bereik van de meter niet voldeed aan het gestelde.
Verder blijkt, doordat twee exemplaren van de 4V7 versie gemeten zijn, dat er toch nog wel flinke spreiding is tussen de exemplaren underling. Door de Philips zener te vervangen door de aanbevolen Silec BZX96C bleek inderdaad wel weer een quasi lineaire schaal te ontstaan. Uit fig. a blijkt dat ook bij deze zener een duidelijk logarithmisch verband bestaat tussen stroom en spanning. Voor het gebruik als spanningsstabilisator verdient echter duidelijk de Philips uitvoering de voorkeur. Waarom er een dergelijk verschil tussen beide typen is werd niet duidelijk; misschien is bij het Philips type eenzelfde truc uitgehaald als bij sommige spanningsreferentiedioden zoals b.v. de BZX47. Deze zijn opgebouwd als getekend is in fig. b.

Fig. b.
Wanneer de spanning over de aansluitingen toeneemt, begint D1 te geleiden en de stroom neemt toe totdat het lawine-effect bereikt is. Op dit moment begint, omdat deze stroom door R1 gaat, de transistor te geleiden en van de extra stroom die door het element gaat, zal slechts een fractie door de zener gaan. Het overgrote deel gaat door de transistor. Dit betekent dat het zenerkristal niet te veel te dissiperen krijgt en daardoor de spanning over het element zo goed als niet afhankelijk is van de stroom die door het geheel gaat. En, ergo, bezit het element een kleine temperatuurcoefficient. Een waarschuwing is op zijn plaats bij het gebruik van z.g. stabilisatiedioden voor lage spanningen. Dit zijn geen echte zeners, doch opgebouwd uit twee of drie in serie geschakelde diodekristallen en die in voorwaartse richting gebruikt worden.
PA0BJG.