De J-antenne wordt in de praktijk nog al eens verkeerd aangesloten en wil nog wel eens problemen geven als het om een juiste aanpassing gaat. Een stel noordelijke amateurs (PA0GHZ, PE1GZU en PAoSIP) geven in het hierna volgende artikel daarover de nodige duidelijkheid.
De J-antenne is een eindgevoede half lambda antenne; voeding vindt via een kwart lambda stub plaats. Zoals in figuur 1 getekend is wordt het open einde van de stub met de antenne verbonden.

Fig. 1.
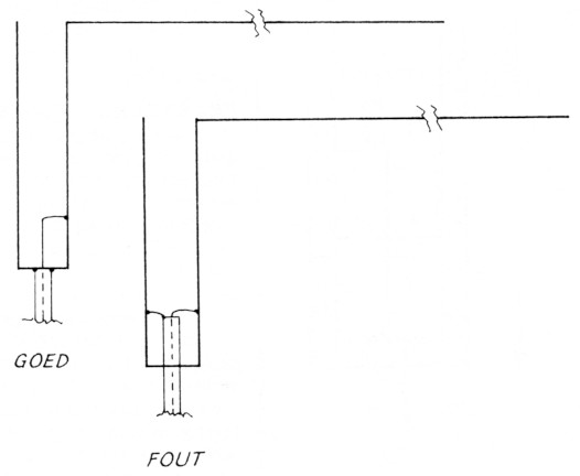
Onder in de stub is de impedantie tussen beide evenwijdige draden nul ohm. Hoe hoger de aansluiting komt des te hoger wordt ook de impedantie. In figuur 1 is een symmetrische aansluiting getekend, b.v. bestemd om te worden gebruikt met het in de praktijk weinig toegepaste 300 ohm lintlijn.
Wil men een coaxkabel gebruiken, dan moet de mantel met het kortgesloten einde van de stub worden verbonden en de kern aan een van de beide kwart golf linen, zoals getekend is in figuur 2. Onderin is de spanning immers nul ohm en daar hoort dus de mantel van de coax thuis.

Fig. 2.
Als de coax symmetrisch wordt aangesloten dan komt er spanning op de buitenmantel te staan en tevens wordt de stub dan asymmetrisch belast zodat de spanningen op beide kwart lambda draden n'et meer even groot zijn en de velden elkaar niet meer zullen opheffen. Met andere woorden: de kwart lambda stub en het eind van de coaxkabel gaan stralen.
In de praktijk wordt de binnenader van de coax op een kwart van onderen aangesloten. Op dat punt is de impedantie ongeveer 60 ohm. De afmetingen voor een dergelijke antenne, bestemd voor gebruik op twee meter, zijn gegeven in figuur 3. Dezelfde verhoudingen kunnen trouwens ook voor andere frequenties worden aangehouden.

Fig. 4.

Fig. 3.
In serie met de binnenader van de coax hoort een luchttrimmer van ca 20 pF te zijn opgenomen om daarmee de zelfinductie van de binnenader te kunnen uitstemmen. Deze trimmer moet wel bovenin komen; proefnemingen met andere opstellingen leverden alleen maar slechtere resultaten op! Tijdens de proefnemingen kwam nog een ander probleem te voorschijn. Sommige J-antennes waren n.l. niet goed aan te passen, andere daarentegen wel. De oorzaak lag in het stuk draad dat vanaf de coax onderin de stub naar boven loopt naar de aansluiting van 60 ohm (dus naar de trimmer). Deze draad moet even ver van de ene staaf verwijderd zijn als van de andere.
De HF-stromen lopen in de draden van de kwart lambda stub tegengesteld aan elkaar zodat precies halverwege tussen beide draden het veld nul is. Wanneer de voedingsdraad echter dicht langs een van de stubdraden langs loopt dan wordt in de voedingsdraad een extra stroom in de binnenader geinduceerd en dat bleek de oorzaak van de problemen te zijn.
In figuur 4 is de praktische uitvoering van de J-antenne getekend. In serie met de draad naar de middengeleider van de coaxkabel is een trimmer opgenomen, waarmee de zelfinductie van de draad C wordt uitgestemd. De draad C moet door het neutrale midden lopen, zodat deze draad geen hoogfrequent oppikt.
De afstanden A en B moeten dan wel even groot zijn; bij een twee meter antenne betekent een kleine afwijking van 1 mm een SWR verschuiving van 1:1 naar 1:2,5. Door de draad C te buigen was elke SWR verhouding te verkrijgen tot zelfs ver in het rode gebied, ook nadat de toltrimmer correct was afgeregeld. Overigens is de afregeling van de toltrimmer niet scherp en kritisch als de draad niet zuiver in het mid-den loopt; is dit wel het geval dan zit draad C nog steeds niet correct!
Resumerend: toltrimmer van 20 pF bovenin, draad C recht en evenwijdig en op evengrote afstanden tussen de buizen en de antenne zal voortreffelijk werken.
De lengte van de pijp is ook kritisch. Bij een pijpdikte van 12 mm wordt bij twee meter antennes van een kwart golflengte 5% afgetrokken, maar de ervaring heeft geleerd dat dit bij dunnere plip niet meer klopt. Voor een zeer dunne roestvrij stalen spriet moet men zelfs de lengte 5% langer nemen, waaruit geconcludeerd kan worden dat het de moeite waard is om de lengte van de pijpen van de J-antenne experimenteel te bepalen.
Controle: neem een achtste kabellengte extra en controleer of hierdoor de SWR niet wordt beïnvloed.
PA0SIP.