Wanneer we een signaal willen hebben dat in- of uitschakelt bij een bepaalde signaalwaarde, maken we meestal gebruik van een zgn. Schmitt-trigger. Een Schmitt-trigger reageert niet op eventuele rimpelspanningen op het te schakelen signaal, omdat gebruik wordt gemaakt van hysteresis. Bereikt het ingangssignaal een bepaalde waarde VH dan schakelt de uitgang bijvoorbeeld IN, daalt de ingangsspanning dan weer onder een waarde VL, dan schakelt de uitgang weer UIT (VH groter dan VL.
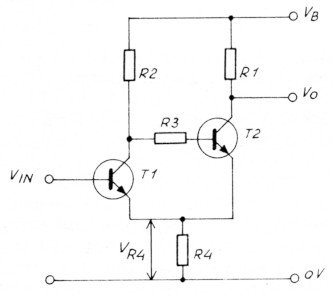
Een gebruikelijke opzet van een Schmitt-trigger is weergegeven in figuur 1. Als we aannemen dat T2 in geleiding is en T1 niet, dan zal er een spanningsval over R1 aanwezig zijn. Deze is afhankelijk van de collectorstroom door T2. Deze collectorstroom heeft op zijn beurt een spanningsval VR4 tengevolge over de weerstand R4.

Fig. 1.
Wordt de spanning Vin nu groter dan VR4 +0,6V (VH), dan zal T1 gaan geleiden. De basisstroom via R3 naar T2 zal dan wegvallen bij juiste keuze van R2, en T2 is dan uit geleiding. De uitgangsspanning Vo is gelijk aan VB geworden. De spanningsval VR4 wordt nu bepaald door de collectorstroom T1 en kan bij verschillende waarden van R1 en R2 een andere waarde hebben (b.v. kleiner). Daalt de spanning op Vin nu onder de waarde van VR4 + 0,6 V (VL) dan raakt T1 uit geleiding en komt T2 weer in geleiding.
De relatie tussen in- en uitgangsspanning is weergegeven in figuur 2. Het uitrekenen van de waarden van de componenten uit figuur 1 voor exact gewenste schakelniveaus is Been eenvoudige zaak en valt buiten het bestek van CQ-PA. We verwijzen dan ook naar de literatuur hierover.

Fig. 2.
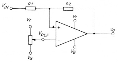
Een andere mogelijkheid is het gebruik van een operationele versterker (OpAmp) voor gebruik als Schmitt-trigger. Voor de amateur heeft deze het grote voordeel dat de componenten waarden betrekkelijk eenvoudig to berekenen zijn.

Fig. 3.
De schakeling van figuur 3 met bijvoorbeeld een OpAmp type CA3140 heeft een relatie tussen in- en uitgangsspanning als in figuur 4 getekend is. De componentenwaarden van figuur 3 zijn als volgt vastgelegd

Kies voor R1 een gewenste waarde en bereken de

De spanning Vref dient gelijk to zijn aan


Fig. 4.
De gekozen waarden VH en VL komen in de praktijk zeer redelijk met elkaar overeen. Samenvattend kan gesteld worden dat Vref globaal de spanning bepaalt waarbij de Schmitt-trigger omklapt, terwijl de verhouding van R1 en R2 de grootte van de hysteresis bepaalt. Als R2 groot is ten opzichte van R1 dan is de hysteresis gering, terwijl de hysteresis daarentegen een grote waarde heeft als R1 in dezelfde grootte-orde komt als R2.