De belangrijkste eigenschappen zijn:
Ondanks het overweldigende aanbod van kant en klare apparatuur voor de 2 meter amateurband houden de meeste radio-enthousiasten ervan te trachten om tenminste een of twee apparaatjes te maken die met enige rechtvaardiging beschreven kunnen worden als eigenbouw. Al is het alleen maar om het eigen geweten te sussen!
De meeste commerciele transceivers voor de VHF-band zijn hoofdzakelijk FM-systemen van eenvoudig kaliber. Het uitsluitend gebruik van NBFM neigt ernaar de meer interessante aspekten van CW en SSB communicatie over het hoofd te zien; ons machtigingenstelsel werkt dat ook in de hand.
Omdat een zeer grote groep radio enthousiastelingen, ongeacht de soort machtiging, een HF-ontvanger tot hun beschikking hebben, is het eenvoudig een volledig professionele converter voor 144-146 MHz te maken met een IF-uitgang die afgestemd kan worden op het 28-30 MHz bereik van de HF-ontvanger. Het is goed om allereerst eens een indruk van het CW- en SSB-gebeuren op te doen alvorens zeer veel geld uit te geven voor een stuk Japanse verlokking.
De converter is binnen het te verwachten gebied van signaal ingangsniveaus in principe een lineair apparaat en daardoor kan iedere mode (AM, FM, SSB, etc.) geconverteerd worden naar de HF-uitgang.
Er bestaan HF-ontvangers die zijn uitgerust met een NBFM demodulator, maar om deze task naar behoren te kunnen uitvoeren dient een juist IF bandfilter gebruikt te worden, met een voor dit doel vervaardigd NBFM IF-systeem. Bij afwezigheid van deze faciliteit is flankdetectie van NBFM altijd nog beter dan nets. Flankdetectie berust erop, dat men gebruik maakt van een van de flanken van het IF-filter, deze zet de frequentiemodulatie om in een amplitude gevarieerd signaal en kan aldus als AM gedetecteerd worden.
Deze converter is ontworpen met de meest recente 'state of the art' componenten, met name de NEC 3SK88 MOSFET, die gekozen is vanwege zijn reproduceerbaar laag ruisgetal en lage kosten. Het TOKO CBT, een serieschakeling van helicalfilters, zorgt voor een voortreffelijke banddoorlaat en bandsper buiten het gewenste gebied. De meest belangrijke eigenschap van het filter is wel dat het afgeregeld geleverd wordt en hoegenaamd niet nagetrimd behoeft te worden.
Ofschoon een VHF-converter gewoonlijk een aanzienlijke deskundigheid vereist en men daarvoor zijn toevlucht moet nemen tot een keur van signaalgeneratoren en andere analytische apparatuur, kan deze converter gebouwd worden door iedereen die over een beetje ervaring en een multimeter beschikt.
De amateur die zelfs niet over het laatstgenoemde instrument beschikt wordt vriendelijk aanbevolen deze converter maar niet na te bouwen!
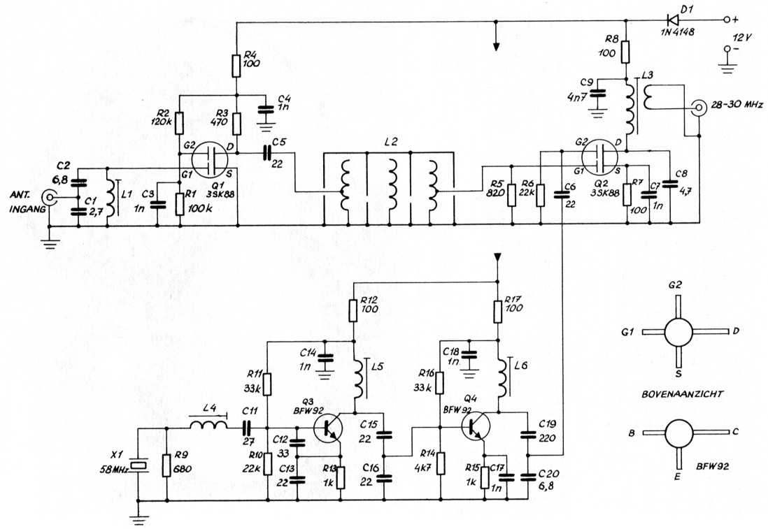
Figuur 1 toont het complete schema. C1, C2 en L1 zorgen voor optimale ruisaanpassing tussen de 50 ohm antenne-ingang en de hoogfrequent versterker. Dit is een zorgvuldig afgewogen keuze van waarden en niet zomaar een greep op goed geluk uit de rommeldoos. Gate 2 van Q1 is ingesteld op 5 volt (extern toegevoerd, d.w.z. vanuit de achterzet (HFontvanger) of afstembare IF. Er kan op dit punt negatieve AGC toegevoerd worden door de man met voldoende zelfbouwervaring.

Fig. 1. Schema.
De source van de hoogfrequent versterker Q1 is rechtstreeks aan massa gelegd om verzekerd te zijn van een minimale impedantie. De drain van Q1 wordt via R3 aan de voeding gelegd om de juiste afsluitimpedantie voor het helicalfilter L2 te bewerkstelligen; het filter heeft een in- en uitgangsimpedantie van ca 450 ohm.
De uitgang van L2 is rechtstreeks verbonden met de gate van de mixer Q2. R5 voorziet parallel aan gate 1 van Q2 in de noodzakelijke belasting voor de juiste aanpassing. Het op de markt verschijnen van relatief voordelige helicalfilters zal in de toekomst waarschijnlijk de benadering van VHF ontwerpen gaan beihvloeden omdat het een aantal praktische problemen wegneemt die tot dusver belemmeringen vormden voor minder ervaren ontwerpers en nabouwers. Meer dan 75% van de problemen die samengaan met VHF radio ontwerpen zijn gewoonweg die welke verbonden zijn met het `verdwalen' in de Megahertzen bij het toepassen van kringen zonder de vereiste meetapparatuur.
Helicalfilters zijn ook weer geen wondermiddelen. Een slecht opgezet ontwerp, met onvoldoende doorgesoldeerde verbindingen of vol tekortkomingen v.w.b. de elementaire behandelingen die elektronische componenten nu eenmaal moeten ondergaan, kan er onmogelijk mee worden gered!
De redaktie van CQ-PA zal in de toekomst uitvoeriger ingaan op deze Helicalresonatoren omdat ze een belangrijke bijdrage aan het 'slagen' van amateurschakelingen kunnen betekenen; hoe minder ongeslaagde ontwerpen er op de plank belanden hoe beter!
In tegenstelling tot de hoogfrequent versterker heeft de mixer op geen van beide gates een gelijk-voorspanning nodig. Dit komt omdat de amplitude van de injectiespanning uit de to-tale oscillator zo ontworpen is, dat deze voldoende is om Q2 direkt op 116 MHz te sturen, waarbij ook nog de intermodulatie prestaties van de converter zijn verbeterd.

Fig. 2.
| C1 | 2p7 miniatuur keramische schijf |
| C2, 20 | 6p8 |
| C3, 4, 7, 14, 17, 18 | 1n |
| C5, 6, 13, 15, 16 | 22p |
| C8 | 4p7 |
| C9 | 4n7 |
| C10 | 100n |
| C11 | 27p |
| C12 | 33p |
| C19 | 220p |
| R1 | 100k 1/4W |
| R2 | 120k |
| R3 | 470 |
| R4, 12, 17 | 100 |
| R5 | 820 |
| R6, 7, 8, 10 | 22k |
| R9 | 680 |
| R11, 16 | 33k |
| R13 | lk |
| R14 | 4k7 |
| R15 | lk |
| L1 | MC108 7.5t TOKO |
| L2 | 272MT 1006A TOKO |
| L3 | 154FN6439 TOKO |
| L4 | KXNK3766 TOKO |
| L5, 6 | MC108 7.5t TOKO |
| Q1, 2 | 3SK88 |
| Q3, 4 | BFW92 |
| D1 | 1N4148 |
| X1 | 58.000 MHz HC18U |
| 1 7 mm Coil Can | |
| 1 PCB | |
Deze techniek wordt in enkele professionele ontvangers gebruikt en is in wezen gelijk aan de vertrouwde Shottky dubbelgebalanceerde diode mixer, alhoewel dit systeem vanzelfsprekend asymmetrisch is.
Van de drain van Q2 wordt het gewenste mengprodukt (28-30 MHz) geselekteerd met het afgestemde circuit gevormd door L3 en C8, en op de secundaire aangepast op 50 ohm om de achterzet ontvanger te voeden. Het is dit uitgangsnetwerk dat hoofdzakelijk de 3 dB bandbreedte van de converter bepaalt.
Dit betekent dat de versterking ongeveer 25 dB bij 144 MHz, 28 dB bij 145 MHz en 25 dB bij 146 MHz bedraagt. Deze vermindering in versterking is zonder gevolgen omdat het ontwerp te alien tijde voldoende achter de hand heeft. Hierbij is het goed nog eens op te merken dat de uiteindelijke gevoeligheid van ieder ontvangsysteem bepaald wordt door het ruisgetal en niet alleen door de versterking. Dit betekent dat de gevoeligheid hetzelfde zal zijn over tenminste het gebied 144-146 MHz, ofschoon de S-meter iets minder kan aangeven aan de bandeinden.
De oscillatorschakeling maakt gebruik van een 58 MHz kristal, in tegenstelling tot het meer gebruikelijke type van 116 MHz. Transistor Q3 vervult zowel de funktie van oscillator als frequentie verdubbelaar. L4 elimineert de capacitieve reactantie, aangeboden door het der-de overtone kristal, en maakt het mogelijk de werkfrequentie nauwkeurig of te regelen. L5, C15 en C16 selekteren de tweede harmonische (116 MHz) uit de oscillator en zorgen voor aanpassing op Q4, waar het signaal versterkt wordt tot een voldoende niveau om de mixer te sturen.
De capacitieve deler C19 en C20 zorgt voor het juiste niveau en de juiste impedantie, zodat een oscillatorinjektie van ongeveer 2 mW toegevoerd wordt aan gate 2 van Q2.
Een algemeen punt t.a.v. ontkoppeling: let op de manier waarop de koude kant van het afgestemde circuit ontkoppeld is met capaciteit en weerstand. Neem als voorbeeld L3 (R8, C9), R8 is ogenschijnlijk overbodig. Dit wekt de indruk dat er geen wisselspanningsimpedantie aanwezig is tussen hoogfrequent aarde en de positieve voedingslijn, hetgeen, tengevolge van bedradingsindukties en de niet voorspelbare stralingskoppeling bij VHF, zeker niet altijd het geval zal zijn. Zodoende Levert het laagdoorlaatfilter gevormd door de RCcombinatie een heel wat positievere en meer betrouwbare methode om hoogfrequent van de voedingslijn te weren.
D1 dient ter bescherming bij polariteitsomkering, iets wat de meeste lezers met praktische ervaring ontdekt zullen hebben als een noodzakelijk iets wanneer schakelingen wat haastig in elkaar worden gezet. Vreemd genoeg wordt deze simpele en effektieve voorzorg in veel ontwerpen weggelaten!

Fig. 3
Zet de converter in elkaar met gebruikmaking van de componentenopstelling. Vergeet niet de aansluitdraadjes van R1, R5, R6, R7, R9, R13, R14 en R15 die aan massa moeten komen daar ook lore aan te solderen, evenals de pootjes van de bussen van L2, L3, L4 en L5. Er zijn geen kritische of gemakkelijk te beschadigen onderdelen, ofschoon het raadzaam i.v.m. hun afmetingen de spoelen en het helicalfilter voor het laatst te bewaren. Nadat de opbouw voltooid is moeten alle eventuele soldeerspettertjes verwijderd worden. Controleer of alle verbindingen goed doorgesoldeerd zijn en verwijder ook de restanten hars.
Sluit de converter aan op een gestabiliseerde voeding van 12 volt en controleer het stroomverbruik; dit is ongeveer 10 mA bij uitgenomen kristal. Draai de spoelen L1, L5 en L6 zover uit dat de kernen op gelijke hoogte liggen met de bovenkant van de spoelvormen. L2, L3 en L4 laten we voorlopig met rust.
Sluit een voltmeter aan tussen de emitter van Q3 en massa; de spanning moet ca 3,2 volt zijn. Plug het kristal in, hierdoor moet de spanning toenemen tot ca 3,5 volt en regel nu voorzichtig L4 af tot maximale uitslag van de meter.
Sluit nu de meter aan op de emitter van Q4 en regel L5 af op maximale uitslag; dat moet circa 3,5 volt zijn. Wanneer het kristal verwijderd wordt moet de spanning tot circa 0,48 volt terugvallen.
Sluit de meter nu aan op de source van Q2 en regel L6 af op maximale uitslag. Dit zal ongeveer 0,15 tot 0,30 volt zijn, afhankelijk van de versterking van Q2. Met het kristal emit zal de spanning minder dan 0,10 volt zijn.
Sluit een 50 ohm antenne aan op de 2 meter ingang en een geschikte ontvanger op de uitgang via een stukje 50 ohm coaxkabel. Zit er niet over in dat het geheel nog niet netjes in een doosje zit; de kans is n.l. groot dat er toch nog het een en ander aan de schakeling gebeuren moet voordat alles perfekt werkt.
Stem af op een zwak signaal rond 145 MHz (de uitgang moet dan dus worden afgestemd op 29 MHz) en regel L3 af op maximale uitslag van de S-meter van de achterzet. Regel L1 op het gehoor af op maximale signaal/ruisverhouding en gebruik niet de S-meter wanneer optimale resultaten gewenst zijn. Maximale versterking gaat niet samen met minimaal misgetal.
Tenzij men de noodzakelijke apparatuur heeft om de 2 meterband te 'zwiepen' met een spectrum-analyzer en signaalgenerator, L2 niet afregelen! Dit doet ook niet terzake, daar de helical resonators zeer nauwkeurig vervaardigd en getest zijn en proefondervindelijk werd vastgesteld dat het niet mogelijk was verbetering te bewerkstelligen.
Voor de redaktie kwam dit niet onverwacht, gezien de jarenlange bevredigende ervaringen met materiaal van TOKO.
De banddoorlaatkarakteristiek vertoont, zoals getekend in figuur 2, een bijna perfekte vorm. De resterende afregeling dient om de converter op de juiste frequentie te brengen, hetgeen niet zo belangrijk is, tenzij de achterzetontvanger een zeer nauwkeurige frequentieuitlezing heeft, zoals b.v. het geval is bij ontvangers met digitale uitlezing. Is dat het geval, stem dan af op een bekende frequentie zoals een baken of een relaisstation en regel L4 af zodat de uitlezing overeenkomt met de bekende frequentie.
Voorbeeld: een relais op R6 (145,75 MHz) geeft 29,75 MHz op de achterzet uitlezing.
Nadat men er zich van overtuigd heeft dat alles naar wens funktioneert, kan men de kant en klare print in een daartoe geschikt doosje onderbrengen. Gebruik een of andere hoogfrequent connector, zoals b.v. BNC of N. Wanneer men tot dusverre geen standaardpluggen in gebruik heeft is het BNC-systeem vermoedelijk de beste keuze; goede eigenschappen, redelijke prijzen en door een zodanig groot aantal producenten geproduceerd dat het euvel van deze tijd t.w. het niet in voorraad hebben gering is.
Een BNC-connector monteren is eenvoudig; een plug aan een kabel zetten is voor een niet ingewijde lastiger, maar het loont de moeite om door te zetten en de noodzakelijke handigheid te verkrijgen.