De portable SSB/CW transceiver van Icom, type IC-202, leent er zich best voor om te worden gebruikt als DX-transceiver, mits we door middel van de hier beschreven tips de gevoeligheid van de ontvanger wat 'opschroeven'.
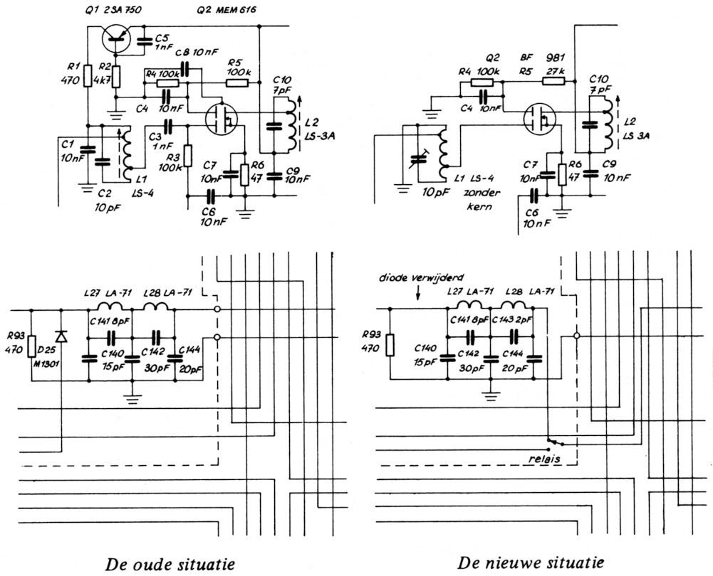
Niet alleen het signaal van de zender passeert het pi-filter in de IC-202 maar ook het te ontvangen signaal moet er doorheen, hetgeen een verlies oplevert van ca 3 dB. Dan zijn er nog eens een aantal ruisbronnen in de schakeling aanwezig die de gevoeligheid ook al niet ten goede komen: ten eerste de antenneomschakeldiode en de bijbehorende stroombron die deze diode in geleiding brengt en ten tweede de AGC die op gate 1 van de ingangsfet is aangesloten.

Fig. 1.
Het loont dus de moeite om voor wat betreft de omschakeling gebruik te maken van een relais, waarvoor wel wat ruimte beschikbaar is mits we een exemplaar met geringe afmetingen kiezen zoals b.v. een stikstof relais van het fabrikaat National. De kern van de ingangskring Levert ook een geringe ruisbijdrage; deze halen we er dus uit waarna we de kring gaan afstemmen met een trimmer van 10 pF in de plaats van C2. Als alle onderdelen van de stroombron en de AGC verwijderd zijn en R5 onder op de print is gemonteerd, is er een zee van ruimte en kan er zelfs een Tronser trimmer geplaatst worden. Nu de AGC verwijderd is moet gate 1 van de 3SK40 vanzelfsprekend geaard worden. Dit kan simpel door C3 te verwijderen en er een kortsluiting voor in de plaats te zetten. Gate 1 ligt nu via Ll op nulniveau (geaard). We kunnen nog verder gaan met het `optillen' van de gevoeligheid door de 3SK40 te vervangen door een BF981. De instelling van deze fet is wel anders en dus moet R5 vervangen worden door een weerstand van 27k, waardoor 6 volt verschijnt op gate 2. De versterking van de BF981 is geringer dan die van de 3SK40 zodat de source beter geaard kan worden; de drain-source spanning is dan ook gunstiger!
Denk nu niet dat het verstandiger is een versterker te plaatsen v6or de eerste trap van de ontvanger; het dynamisch bereik van de mixer is daar te beperkt voor, zeker in ons drukke 2 meter klimaat!
Na de wijzigingen dient de S-meter opnieuw ingesteld te worden vanwege het nieuwe dynamische bereik. Dit voor degenen die vinden dat de S-meter of te lezen is en er dus gebruik van maken.
Alvorens de soldeerbout te grijpen en de hier voorgestelde wijzigingen door te voeren is het goed om te bedenken dat ze geen zin hebben als de IC-202 uitsluitend portable wordt gebruikt. In het algemeen gesproken zal het dan z6 zijn dat er veel meer te horen is dan gewerkt kan worden en dat is natuurlijk zinloos!
PA2DWH.