Duizenden mobilofoonsets vonden hun weg naar de Nederlandse zendamateur en talloos waren de pogingen om of te komen van de peperdure sets kwartskristallen! Het is niet 'des zendamateurs' om niet te kunnen beschikken over een EERLIJKE afstemknop die de mogelijkheid biedt om over de band te draaien.
Het kostte ruim twee jaar experimenteren alvorens de hierna te beschrijven schakeling reproductierijp kon worden verklaard en werkelijk gesproken kon worden van volledige transceive bedrijf, met de volledige mogelijkheden om via relaisstations te werken. We zijn daar als redaktie, samen met de auteurs, een beetje trots op!
Omdat de frequentiestabiliteit van een zender en van een ontvanger bepaald wordt door de oscillator, moet aan dat deel van de schakeling de aller uiterste zorg worden besteed. Ondanks deze zorg kan het voorkomen dat de frequentiestabiliteit nog tekort schiet, hetgeen een aantal vroeg-grijsbehaarde amateurs opleverde.
In de literatuur zijn talloze methoden beschreven om verbetering te brengen in de stabiliteit van loslopende oscillatoren, veelal van praktisch mechanische aard. Een van de mogelijkheden voor verbetering is de oscillator op een hoge frequentie te laten werken, b.v. 144 MHz, vervolgens omlaag te mengen met een kristaloscillator en het verschil te locken' (vergelijken) met een oscillator op een veel lagere frequentie.
De hierna te beschrijven schakeling gaat van dit principe uit, waardoor het mogelijk is een stabiele oscillator te verkrijgen op relatief hoge frequentie.
Bij de praktische opzet van de schakeling werd er van uitgegaan dat deze geschikt zou moeten zijn voor het aansturen van een twee meter zend-ontvanger, hetgeen niet wegneemt dat het principe geschikt is voor iedere gewenste frequentie.
De oscillator werkt op een derde van de vereiste frequentie en wordt dus gevolgd door een verdrievoudiger. Het frequentiebereik van de oscillator is dientengevolge ook een derde van de twee Mega hertz die de twee meterband breed is, t.w. 666 kHz. In figuur 2 is het blokschema van de schakeling getekend.

Fig. 2. Blokschema.
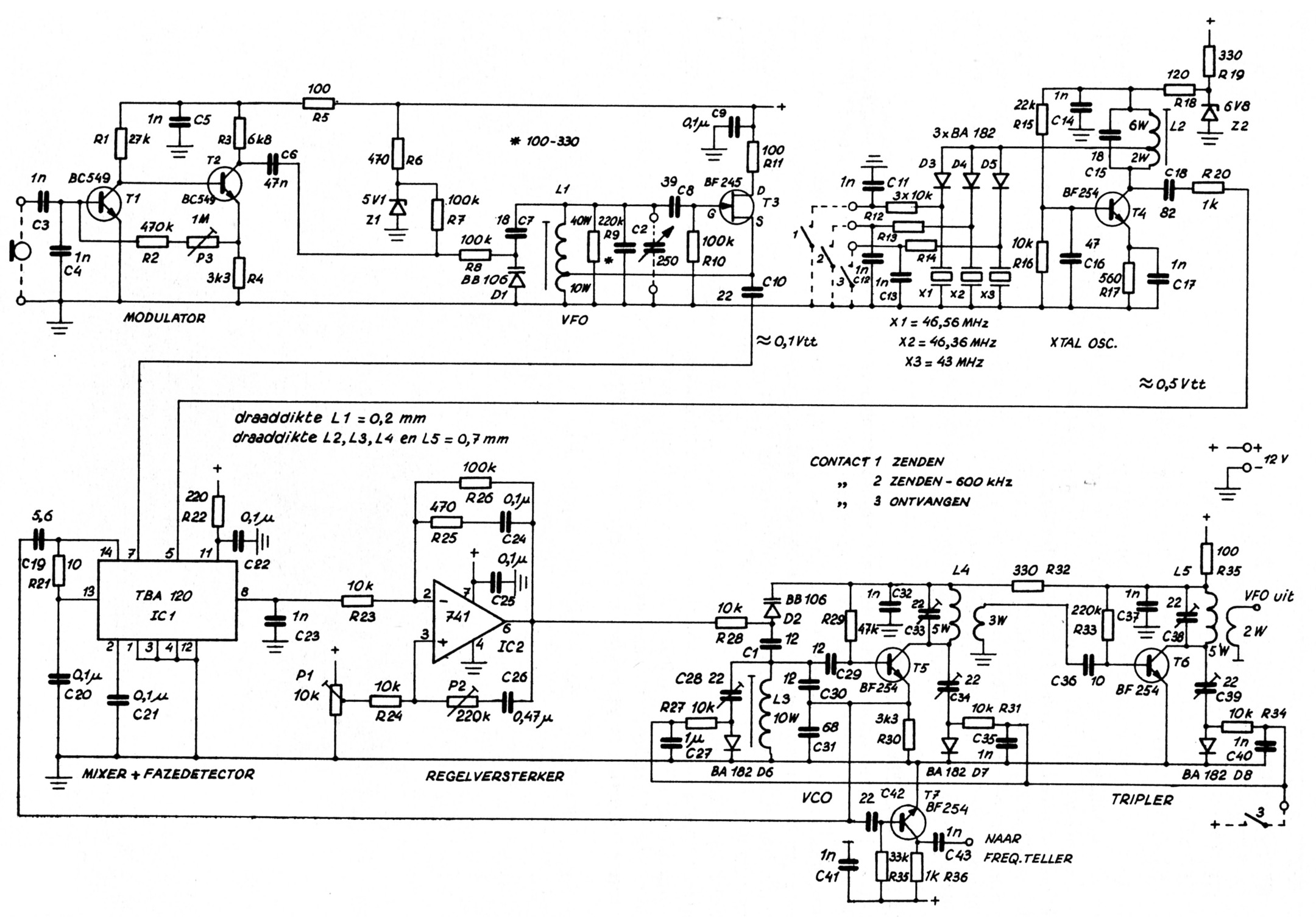
De VFO is een oscillator op een lage frequentie en is van het Hartley type. Het gekozen frequentiebereik loopt van 1,433 tot 2,100 MHz, welk `middengolfbereik' wordt afgestemd met een luchtcondensator van 250 pF. De oscillator kan frequentiegemoduleerd worden met de capaciteitsdiode BB106 d.m.v. de modulatorschakeling die al eerder beschreven is door PA0MUS in zijn 100 mW zender (CQ-PA nr. 27, 1977 en VRZA-zendcursus hfdst. prakt.vb.). De VCO is de spanningsgestuurde clapp-oscillator, die een bereik moet hebben van ca 44 tot 49 MHz, zoals volgt uit de volgende berekeningen:
Voor een ontvanger met een MF van 10,7 MHz:
= 44,433 tot 45,100 MHz
Voor de zender zonder shift:
= 48,000 tot 48,666 MHz
Voor de zender met -600 kHz shift:
= 47,800 tot 48,466 MHz
Het frequentiebereik van de oscillator wordt d.m.v. een diode en een extra condensator omgeschakeld voor zenden of ontvangen. Datzelfde gebeurt ook bij de tripler.
Uit het voor de VFO gekozen frequentiebereik volgen de kristal oscillator frequenties, n.l.:
Voor ontvangst met MF 10,7 MHz: 44,433 - 1,433 MHz = 43,000 MHz
Voor zenden zonder shift: 48,000 - 1,433 MHz = 46,566 MHz
Voor zenden met -600 kHz shift: 47,800 - 1,433 MHz = 46,366 MHz
De kristaloscillator is eveneens van het type Hartley. De drie kristallen worden m.b.v. dioden omgeschakeld.
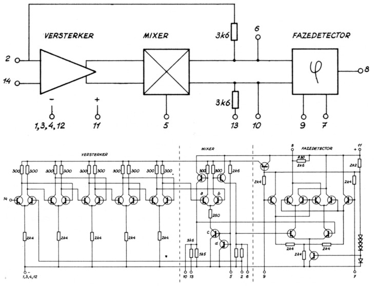
Het IC TBA120 (niet de S uitvoering) heeft de mogelijkheid om de laatste versterkertrap te regelen. Door een HF-signaal op punt 5 aan te sluiten, in plaats van een regelweerstand, is deze versterkerschakeling te gebruiken als balansmixer. Dit is te zien in fig. 3.

Fig. 3. Blokschema en het inwendige van de TBA120
Transistor d staat als diode geschakeld waarmee de ingangsstroom van transistor c bepaald wordt. Door nu een wisseispanning op punt 5 aan te sluiten varieert de stroom door transistor c. Die stroom wordt verdeeld over de transistoren a en b.
Wanneer deze transistoren gelijk staan ingesteld is de verschilspanning van de uitgang nul volt, ondanks een varierende stroom door transistor c.
Wanneer de transistoren a en b ongelijk staan ingesteld, varieert (door de varierende stroom door transistor c) de verschilspanning op de uitgang. Daar dit het basisprincipe van een belansmixer is, is dit deel van de TBA120 als zodanig goed te gebruiken.
Het VCO-signaal wordt op punt 14 (ingang) van de TBA120 aangesloten en de kristaloscillator op punt 5; het verschil wordt direkt aan de fasevergelijker aangeboden. Het is ook te meten aan punt 6 en 10 van de TBA120.
Het VFO-signaal wordt op punt 7 van de TBA120 aangesloten, dit is de referentie-ingang van de quadrature detector. Het uitgangssignaal van de detector (punt 8 van de TBA120) gaat naar de regelversterker met zoeklusgenerator. De uitgangsspanning van de regelversterker is de afstemspanning voor de VCO.
Begonnen wordt met het wikkelen van de spoeltjes. Gebruik wordt gemaakt van de spoelensets zoals die geleverd worden door de VRZA Leden-service van het fabrikaat KAMAFER. L1, L2 en L3 zijn voorzien van kern (groen), L4 en L5 krijgen geen kern.
Bestaat een spoeltje uit meerdere wikkelingen dan wordt het deel met het geringste aantal wikkelingen onderaan gelegd. LI past niet geheel en al binnen de wikkelruimte maar kan via de uitsparing in het spoellichaam buiten de wikkelruimte worden voortgezet. De koppelwilckelingen van L4 en L5 worden aangebracht tussen de wikkelingen van de primaire. Bestudering van het schema maakt duidelijk dat de aansturing van zender zowel als ontvanger van een en hetzelfde punt plaatsvindt. Wie daarvan moeilijkheden verwacht (aardlussen e.d.) kan ook een aparte extra koppelwikkeling op L5 aanbrengen; er zijn pennetjes voldoende op de spoelvorm aanwezig maar wel is het dan nodig dat de betreffende pennen op de print vrij van massa worden gemaakt.
Alvorens met wikkelen begonnen wordt is het goed opletten geblazen v.w.b. de juiste steek van de spoelvormpjes; de onderdelenopstelling wekt veelal de indruk dat het gaat om los van elkaar staande wikkelingen, echter deze zijn veelal via het printspoor met elkaar doorverbonden.
De toegepaste trimmers zijn 22 pF folietrimmers van het fabrikaat Philips (groen). Bij de proefmodellen werd met succes gebruikgemaakt van sets kwartskristallen van het fabrikaat Rijff (Appelstraat 76, Den Haag). De specificaties zijn bij die firma vastgelegd. Bij het monteren van de print wordt begonnen met de beide draadbruggen die in de onderdelen opstelling gestippeld staan aangegeven. Vervolgens worden de componenten van de modulator en de VFO aangebracht. Dit gedeelte kan, wanner de voedingsspanning op de print wordt aangesloten, worden getest door het signaal of te luisteren op een ontvanger die geschikt is voor het gebied van 1,4 tot 2,1 MHz.
Nu wordt de kristaloscillator opgebouwd en getest door een van de schakelpunten van de kristallen aan massa te leggen en met een buisvoltmeter op C18 te meten of de schakeling oscilleert.
Hierna worden de componenten van de mixer, fazedetector en regelversterker aangebracht. Met een voltmeter aangesloten op punt 6 van de uA741 moet bij draaien aan P2 waargenomen kunnen worden of de schakeling oscilleert (frequentie ongeveer 10 Hertz).
P1 wordt weer in de middenstand geplaatst.
Als laatste worden de componenten van de VCO en de tripler aangebracht, waarna met de afregeling van het geheel kan worden begonnen.
Een grondige controle op fouten gaat logischerwijs aan de afregeling vooraf. Zijn alle transistoren, dioden en IC's op de juiste wijze aangebracht?
Een frequentieteller wordt aangesloten op punt 7 van de TBA120. Bij geheel ingedraaide afstemcondensator (max. capaciteit) moet door het verdraaien van de kern van L1 de frequentie ca 1,43 MHz zijn. Bij geheel uitgedraaide afstemcondensator (min. capaciteit) moet de frequentie rond 2,1 MHz liggen.
Omdat dit bereik geheel afhankelijk is van de beschikbare afstemcondensator kan de waarde van C2 gevarieerd worden en ook is het vanzelfsprekend mogelijk om het geschikte bereik fraaier over de condensator te verspreiden door het uitnemen van platen. Dit wordt vanzelfsprekend aan de ervaren nabouwer zelf overgelaten.
Uitgaande van het eerste kristal in het PLL-VFO zijnde 43,00 MHz geeft dit voor ontvangst uiteindelijk 43 + 1,43 = 44,43 MHz. Vermenigvuldigd met due geeft dat 133,3 MHz en dat is het onderste bereik.
Voor het bovenste bereik is dat: 43 + 2,1 = 45,1 × 3 = 135,3 MHz. Tellen we in beide gevallen de middenfrequentie van 10,7 MHz hier bij op, dan komen we dus respectievelijk op 144,0 en 146,0 MHz.
Identieke rekensommetjes kunnen we maken voor de beide andere kristallen. Het is juist om ons in dit stadium van de afregeling nog eens te realiseren waarmee we bezig zijn! We gaan nu beginnen met het PLL-systeem. P1 wordt, nadat de voedingsspanning van 12 volt is aangelegd, zo afgeregeld dat de spanning op de Loper overeenkomt met die op punt 8 van de TBA120. Deze afregeling moet perse in dit stadium plaatsvinden, zonder dat de zaak gesynchroniseerd is!
Op de uitgang van de uA741 (punt 6) staat dan een spanning van ongeveer 6 volt. De spanning op punt 8 van de TBA120 is ongeveer de helft van de aangelegde voedingsspanning alhoewel dat enigermate afhankelijk is van de grootte van de HF-stuursignalen.
Zodra P1 goed is ingesteld wordt aan P2 gedraaid tot de schakeling juist gaat oscilleren. Dit is te meten op punt 6 van de uA741 (zaagtand van 10 Hz).
Hiermee zijn P1 en P2 voor eens en altijd ingesteld; niet meer aan draaien!
Hierna gaan we de regelspanning bekijken aan de uitgang van de uA741 (punt 6). Deze moet bij het verdraaien van de afstemcondensator C2 varieren van ca 3 tot 10 volt. Verandert deze spanning teveel of te weinig dan is de koppeling van de varicap D2 met de kring te zwak of te sterk; de 12 pF koppelcondensator (Cl) dient dan dienovereenkomstig veranderd te worden.
Vervolgens wordt de VCO afgeregeld en dat doen we in de stand zenden (kristal 1) en met de variabele condensator C2 in de middenstand. Hiervoor is een frequentieteller onontbeerlijk; we sluiten hem aan op de telleruitgang van de VCO.
Echter, wie beschikt over een ontvanger waarmee het gebied rond 45 MHz te beluisteren is kan de teller missen; een stabiel signaal dient hoorbaar te zijn (of met de teller aantoonbaar te zijn) door de kern van L3 te verdraaien. Hiermee is aangetoond dat het signaal vergrendeld is, hetgeen eveneens aantoonbaar is door de spanning te meten op punt 6 van de uA 741. Staat de aanwijzing te bibberen dan is niet gesynchroniseerd, is de aanwijzing stabiel dan is synchronisatie opgetreden.
Ten leste gaan we de verdrievoudiger afregelen. We sluiten de teller aan op de uitgang van de tripler middels een c-tje van 10 pF om deze trap niet al te sterk te belasten. Parallel aan de counter sluiten we een meetkop van een buisvoltmeter aan en de beide capaciteiten van 22 pF over de kringen van de verdrievoudiger worden op maximum afgeregeld.
In de stand zenden dient rechtstreeks 145 MHz ter beschikking te komen en in de stand ontvangen 145,00 - 10,7 MHz = 134,3 MHz, echter daartoe eerst het volgende:
Door de omschakeling van zenden naar ontvangen wordt een rigoureuze frequentiesprong gemaakt waardoor het noodzakelijk is tijdens ontvangst enkele capaciteiten (trimmers) bij te schakelen. Dit gebeurt m.b.v. de dioden D6, D7 en D8, die respectievelijk C28, C34 en C39 bijschakelen.
Met C22 wordt allereerst het signaal wederom gelockt (vergrendeld), waarvoor dezelfde meetmethode geldt als bovenstaand beschreven is. Vervolgens worden C34 en C39 op maximum afgeregeld. Vanzelfsprekend worden de VCO-spoel en C33 en C38 bij deze afregeling van de ontvangststand niet meer aangeraakt!!
Met de counter en de meetkop van de buisvoltmeter nog steeds op de uitgang aangesloten kunnen we nu alle drie de standen, t.w. zenden, zenden-600 kHz en ontvangen nog eens controleren. Zonodig kunnen we een gemiddelde zoeken voor maximale RF-spanning tussen de standen zenden en zenden-600 kHz.
De afregeling is hiermee gecompleteerd.
Deze schakeling is niet beschermd tegen het buiten de band werken zoals dat bij vele professioneel vervaardigde apparatuur het geval is. Het is verstandig om zodanige maatregelen te treffen dat een optimale signalering plaatsvindt wanner de VFO in de stand zenden minus 600 kHz staat (LED o.i.d.). Zonder opzet kan men in theorie n.l. zenden tot op een frequentie van 143,4 MHz!!!
Wat betreft het omschakelen tussen zenden en ontvangen nog het volgende. Het schema gaat niet uitvoerig op de omschakeling in omdat dit te zeer afhankelijk is van de toepassing die men aan dit Fazelus-VFO gaat geven. In de praktijk zal veelal voor een relais worden gekozen, hetgeen ook al aan te bevelen is voor hen die de later in CQ-PA te beschrijven digitale uitlezing willen toepassen. De omschakeling naar zenden -600 kHz vindt dan met behulp van een extra schakelaartje plaats waarmee dan gelijktijdig een waarschuwings-LED kan worden ingeschakeld.
Verreweg de overgrote meerderheid van de uit de dump (of VRZA-BEM) verkregen mobilofoons bezitten een middenfrequentie van 10,7 MHz, zodat de fazelus-VFO zondermeer toe te passen is. Mobilofoons met andere middenfrequentie laten het gebruik ook toe mits het bewuste ontvangstkristal van 43,000 MHz wordt aangepast.
Bij het zenden kan veelal direct de eindtrap van de mobilofoon worden aangestuurd. Door de twee meter antenne direct aan de schakeling te verbinden werden bij proefnemingen al QSO's over meet dan 30 km gemaakt!
Door de redaktie werden proeven genomen met de MUS 2-DLX ontvanger. Het PLL-VFO kan zondermeer de plaats innemen van de daarin toegepaste oscillatorschakeling (aankoppelen op de condensator van 1 nF die de mixer stuurt). Ook de buffertrap van de door PAoMUS beschreven 100 mW zender is met succes aan te sturen, mits men de dissipatie van de BFR91 niet teboven gaat. Bij de proefnemingen sneuvelden er nogal wat!