Midzomer mag dan weliswaar niet uitnodigen tot het heetstoken van de soldeerbout; de hierna door PD0LAK te beschrijven antenneversterker nodigt daar wel toe uit! PA0PUY, PA0MUS en nog een aantal ouderen gingen PD0LAK al in het verleden voor maar een simpel na te bouwen versterker met een gain van 21 dB willen we de lezers zeker niet onthouden!
Vele transceivers "uit de winkel" zullen duidelijk opknappen als 21 dB versterking wordt voorgeschakeld; ze moeten toch immers super-klein zijn en bieden dan geen ruimte voor behoorlijk gedimensioneerde versterkertrappen.
De redaktie is PD0LAK erkentelijk voor zijn bijdrage, die weer eens bewijst dat ook D-amateurs tot goed reproduceerbare zelfbouwprojecten kunnen komen!
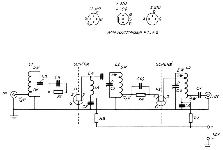
Deze bestaat uit 2 FET-versterkers in geaarde gate schakeling. De geaarde gate schakeling heeft het voordeel van zeer geringe terugwerking tussen drain en source in de transistor. Men moet wel voor goede afscherming zorgen tussen drain en source, anders is die terugwerking er wel buiten de transistor om.
De ingangsimpendantie van de geaarde gate schakeling ligt tussen 100 en 300 ohm, deze is afhankelijk van de steilheid van de toegepaste FET.
De zelfinductie van L1, 2 en 3 is ongeveer 0,08 µH, de Q-factor is ongeveer 50.
Met deze gegevens is de impendantie van de kring ca 4000 ohm. Dat zou betekenen dat de source-aansluiting op ongeveer 1/5 van het totaal aantal windingen vanaf de aardzijde dient te worden aangesloten. Bij experimenten is dit vastgesteld op 1/5 voor de eerste FET en 1/10 voor de tweede.
De antenne-aansluiting zit op 1/10 van het totaal aantal windingen, evenals de uitgang. De aansluiting van de drain is op 4 windingen vanaf aardzijde bepaald. R1 en R4 bepalen de instelling van de bijbehorende FET. Het geheel is getekend in fig. 1.

Fig. 1. 21 dB 144 MHz ontvangversterker, ruisgetal 1,5 dB.

Fig. 2 en 3. Respectievelijk print lay-out en onderdelenopstelling op ware grootte.
Ondanks de eenvoud dient men zich wel aan de gegeven opstelling te houden (zie fig. 3). Ook de afschermschotjes (zie fig. 4) moeten beslist worden aangebracht (vanwege de terugwerking). De FET's, Fl en F2 dienen van goede kwaliteit te zijn, dus niet uit de rommeldoos, dit ter voorkoming van ruis. Indien verkrijgbaar, pas dan het type U310 toe, vanwege de metalen omhulling. Bij het monteren dient men de gate van de FET's zo kort mogelijk te houden.

Fig. 4.
L4 is een HF smoorspoeltje van 2,7 µH, los verkrijgbaar bij de Handel en ziet eruit als een weerstand met kleurcode. De spoelen L1, 2 en 3 bestaan uit 5 windingen, gewikkeld op een boor van 6 mm ø en dan uittrekken tot 19 mm lengte. Tijdens het uittrekken moet men er op letten dat de inwendige diameter niet vermindert. Het gebruikte materiaal voor de spoel is zilverdraad (of verzilverd koperdraad) van 0,8 mm ø.
Het kastje wordt, zoals de foto last zien, gemaakt van enkelzijdig printplaat dat bij voorkeur verzilverd wordt (kan men zelf doen; informaties worden door vele winkeliers verstrekt). Het printplaatje (fig. 2), dat ook verzilverd wordt, wordt met de printzijde naar buiten gemonteerd in het kastje en wel zodanig dat tussen printplaat en rand van het kastje 6 mm ruimte is (de andere kant 17,5 mm). De tussenschotjes, ook verzilverd, worden er tussen gesoldeerd, zodanig dat ze precies over de FET's heen staan. Het kastje wordt ook voorzien van een boven en onderdeksel. In de bovendeksel moeten gaatjes geboord worden voor de (geïsoleerde) trimsleutel, anders wordt het afregelen wat erg lastig. Uitgaande van normaal printplaat (1,6 mm dik) zijn de maten van de onderdelen van het kastje:
de zijkanten 115 × 25 mm
voor- en achterkant 54 × 25 mm
de twee deksels 118 × 57 mm.

In een van de twee zijkanten komt de doorvoer voor de 12 volt voeding.
De tekening van voor- en achterkant geeft een gat aan voor de plug, de maat voor de toegepaste plug kan men zelf bepalen; aanbevolen wordt een BNC met schroefdraad (gat ø 9,5 mm). Zie fig. 4.
Op de hoeken van het kastje worden moeren gesoldeerd voor het vastschroeven van de deksels.
De afregeling luistert zeer nauw, vooral de trimmers C2, C5 en C6 moeten zeer nauwkeurig afgeregeld worden. Voor de afregeling heeft men een 2-meter ontvanger met een S-meter nodig. Zet bij het begin C2 en C6 op halve capaciteit en C5 op bijna maximum. Regel daarna in volgorde af, eerst C6, dan C5 en C2. Zoek voor het afregelen een zwakke zender op, waarbij de S-meter net lets uitslaat (de versterker is niet opgenomen in antenneleiding). Plaats nu de versterker in de antenneleiding en regel deze - zoals beschreven - af waarbij de S-meter een maximumuitslag moet geven, bij maximum signaal-ruis afstand. Hierbij is ook van belang dat de versterker op de juiste spanning wordt aangesloten. Deze mag liggen tussen 12 en 14 volt. Te lage spanning veroorzaakt ruin en to hoge spanning vernielt de FET's. De versterker trekt ongeveer 30 mA. Bij juiste afregeling is de versterkingsfaktor 20 dB, dat is ruim 3 S-punten!!!
Hoewel de meesten wel weten hoe S-punten, dB en versterking met elkaar in verband staan, volgt een tabel die voor de anderen ook begrijpend is.
| vermogensversterking | spanningsversterking | dB | S-punten |
|---|---|---|---|
| 4096 | 64 | 36 | 6 |
| 1024 | 32 | 30 | 5 |
| 256 | 16 | 24 | 4 |
| 64 | 8 | 18 | 3 |
| 16 | 4 | 12 | 2 |
| 4 | 2 | 6 | 1 |
| l | l | 0 | 0 |
Gegevens van de versterker (gemeten):
versterking: 21 dB
bandbreedte: 2,5 MHz (- 3 dB)
uitgangs intercept punt: + 22 dB
ruisgetal: ongeveer 1,5 dB
1 dB compressie-punt: + 14 dBm
opgenomen stroom bij 12 volt: 30 mA
Bij het gebruik met transceivers moet men er wel om denken dat de versterker uit de antenne-leiding geschakeld wordt tijdens zenden.
PD0LAK