Rob's web

Nogmaals het PLL-VFO voor 2 meter

Nimmer had de redaktie verwacht dat het in CQ-PA nr. 16 van dit jaar gepubliceerde PLL-VFO op zo'n grote schaal zou worden nagebouwd . . . We hebben het geweten, tientallen telefoontjes en een dikke stapel fan-mail waren het gevolg van de oproep om eventuele opmerkingen aan de redaktie kenbaar te maken!

De problemen die gemeld werden waren van zodanig uiteenlopende card dat we ze onderstaand per onderwerp gaan behandelen en dan ook nog de mogelijkheid gaan openen voor hen die er helemaal niet uitkomen om de problemen door de vereniging op te laten lossen.

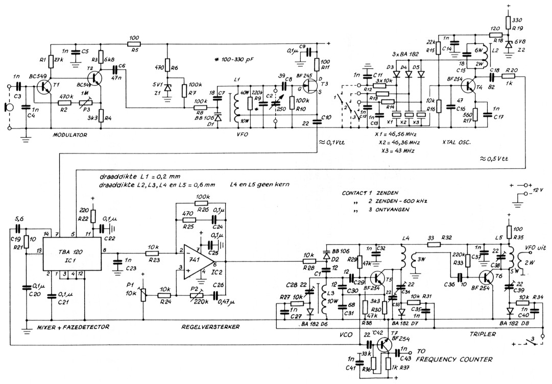
Laten we vooropstellen dat er bij de publicatie van dit artikel fouten zijn gemaakt. Fouten in het schema en inconsequentheidjes van het schema ten opzichte van de onderdelenopstelling. Toch zijn er nu een groot aantal werkende VFO's in omloop, gebouwd door hen die bij de constructie door die foutjes heen keken en, gebaseerd op ervaring, de benodigde maatregelen troffen! Dit is geen verwijt aan hen die problemen ondervonden, in tegendeel, we hebben er hard aan gewerkt om te herstellen wat fout was en publiceren hierbij het gecorrigeerde schema, de onderdelenopstelling en de print lay-out.

De wijzigingen die hierin zijn opgenomen lichten we niet apart meer toe. Ziet ende vergelijck. We gaan de problematiek die hier en daar ontstond punt voor punt behandelen:

Fig. 1
Fig. 1. Schema.

1. Niet functionerende kristal-oscillator

Naast de tekenfout die het oorspronkelijke schema bevatte (X-tallen aan massa) kan worden opgemerkt dat de kristal-oscillator een kritische schakeling is. Velen beklaagden er zich over dat de schakeling niet oscilleerde.

Verandering van de waarde van C15 (b.v. naar 27pF) en R17 kunnen de goede werking beinvloeden en zijn het gevolg van tolerantieverschillen in de diverse componenten rond dit deel van de schakeling. Het schema vermeldt als uitgangsspanning van de oscillator 0,5Vtt, velen beklaagden zich er over dat slechts 150 mV oi.d. gemeten werd, hetgeen verklaarbaar is als men bedenkt dat de toevoeging tt slechts met een scope gemeten kan worden, wordt de effectieve waarde gemeten dan ligt die zo'n factor drie lager, dus ong. 170 mV. Wordt gemeten met een te zware belasting dan zal de oscillator afslaan of een te lage spanning gemeten worden! Bij het laatst gemeten proefmodel bedroeg de spanning 125mV, hetgeen geen enkel nadelig gevolg voor het gebruik opleverde.

2. Draaddikte van de spoeltjes

De redaktie wilde dat ze de schuifmaat wat exacter bekeken had toen de draaddikte van de benodigde wikkeldraad onderzocht werd. Met 0,6 i.p.v. 0,7 mm zijn alle spoelvormpjes zonder problemen te bewikkelen ... De draaddikte voor L1 was overigens wel juist!

3. Oscillerende microfoonversterker

Bij degenen bij wie de kristaloscillator niet wilde oscilleren wilde volgens de bekende wet van Murphy de microfoonversterker WEL oscilleren. Dat komt omdat in de onderdelenopstelling C5 (1nF) vergeten werd. In de hierbij afgedrukte onderdelenopstelling werd deze condensator ingetekend bovenin tegen de rand van de print vanaf het knooppunt van de 100k en 27k weerstand naar massa. De print layout bevat deze correctie nog niet! Opgelet dus.

4. Uitkoppelspoel L5 niet aan massa

De uitkoppelspoel van L5 werd inderdaad los van massa genomen, hetgeen in de oorspronkelijke tekst ook verduidelijkt werd en gezocht moet worden in het eventueel voorkomen van aardlussen. Toch waren er nog al wat mensen die ons hierop attent maakten, ondanks het feit dat de door de Leden-service verzonden printen alle dienovereenkomstig waren aangepast. Zie print-afdruk. Een punt is vast uitgevoerd, het andere kan naar believen aan massa gelegd of uitgevoerd worden en komt dan aan massa bij de achtergeschakelde eindtrap.

Dan waren er vragen, opmerkingen en bemerkingen van diverse aard. Een opmerking was dat C23 niet 1nF maar 100pF zou moeten zijn. Inderdaad vermelden elders gepubliceerde ontwerpen hier een waarde van 100pF maar op een spectrumanalyzer werd bewezen dat de ruisbulten die daarvan het gevolg zijn verdwijnen indien deze condensator een factor 100 groter wordt gekozen. Een andere vraag betrof het toepassen van IC-voetjes. Dat mag, indien aan het soldeerwerk getwijfeld wordt.

Vragen van specifieke aard zoals b.v. het ontbreken van een zaagtandspanning uit de 741 zijn vanachter een schrijfmachine niet oplosbaar, evenmin als het verklaren van het gebrek aan versterking van een microfoonversterkertrap en andere hoogst individuele problemen. We verwijzen voor hardnekkige problemen naar de volgende regeling.