Er zijn komplete balun-kits in de handel, of ze kunnen zelf worden samengesteld. Maar waar plaats je nu precies een balun?
Er zijn wellicht weinig andere onderwerpen, die zo vaak aanleiding geven tot diskussies en artikelen, als de korte-golf-antenne. De wild-west verhalen van 10 à 20 jaar geleden nemen af. Het verhaal van de amateur, die z'n 20 meter beam met z'n antenne-tuner "1 op 1" op 10 meter had gezet, en vervolgens "Amerika heeft gewerkt, dus dat het zo toch prima werkt", wordt zeldzamer.
Dat de man waarschijnlijk met z'n coax die verbinding heeft gemaakt, zal nieuw voor 'em zijn.
Een van de voor mij plezierigst werkende antennes voor 80 en 40 meter is een verkorte dipool met symmetrische voedingslijn. Onder "plezierig werken" versta ik het babbelen met andere Europese landen. Voor het betere "DX-werk" is dit systeem minder geschikt.
Een dipool is, wanneer in het midden gevoed, een symmetrische antenne. Een zender is over het algemeen een a-symmetrisch ding. Wanneer vanuit de zender een a-symmetrische voedingslijn (coax) naar de dipool wordt gebracht, gaat er iets mis. De VSWR (staande-golf verhouding) zal wel voor 1 frequentie goed te maken zijn, maar toch gaat de coax stralen, met alle LFD ellende van dien. Tevens ontstaat een verlies in veldsterkte, aangezien de dipool dient te stralen, en niet de coax, die door dakgoten loopt, langs muren en schoorstenen e.d.
Een balun dus. Er zijn echter 3 plaatsen, waar een balun kan worden geplaatst, zie figuur 1.

Fig. 1.
De afstand tussen zender en antennetuner veronderstel ik klein. Het zou aardig zijn om de tuner en de antenne te integreren, maar ik ben lui, dus iets maken wat ik bij m'n antenne op kan hangen en vanuit de shack kan bedienen, heb ik geen zin in. Het kan eenvoudiger.
Plaatsen we nu de balun op punt 3, dan is de voedingslijn a-symmetrisch (b.v. coax). Het probleem is nu, dat een a-symmetrische voedingslijn niet tegen staande golven kan. Dat impliceert dat op deze manier de opstelling slechts voor 1 frequentie te gebruiken is. Ook al wordt d.m.v. de antennetuner de VSWR voor de zender in orde gemaakt op een andere frequentie, de VSWR op de voedingslijn verandert daarmee niet!
Een slechte VSWR op de coax betekent, dat de coax gaat stralen. Zoals al opgemerkt, een ongewenste situatie.
De balun wordt nu op punt 2 gezet. De voedingslijn wordt nu symmetrisch (lintlijn, kippeladder o.i.d.). Staande-golven op de voedingslijn zijn nu niet schadelijk, aangezien een symmetrische voedingslijn, ook bij slechte VSWR, symmetrisch MA en dus ook dan niet kan stralen.
In theorie is de zaak nu gezond. Praktisch treedt er echter een probleem op met de balun. Een balun kan n.l. maar een beperkt impedantie-gebied transformeren.
De dipool-voedingslijn kombinatie kan echter de meest wilde impedanties aannemen. Hierover zo dadelijk meer.
Blijft over, plaats I. Die zal het dan wel zijn.
De tuner wordt nu ook symmetrisch uitgevoerd. Wanneer nu m.b.v. de tuner een VSWR van 1:1 wordt gekreerd, is per definitie de balun op plaats 1 aangesloten op 50 Ω, dus onafhankelijk van de frequentie.
Het nadeel van punt 1 is, dat de antennetuner symmetrisch uitgevoerd moet worden, en dat kost meer onderdelen dan een a-symmetrische.
Een balun is in feite niets anders dan een transformator. Het werkgebied van een transformator is aan de onderzijde van het frequentiespektrum beperkt door de zelfinduktie van de windingen, aan de hoge zijde door de parasitaire kapaciteiten.
Door listig gebruik to maken van deze parasitaire kapaciteiten ontstaat de zgn. transmissielijn transformator. Deze transmissielijn heeft echter wel een karakteristieke impedantie, dus wanneer sterk afwijkende impedanties moeten worden getransformeerd, gaat het transmissielijn-verhaal niet meer op.
Tevens is een balun voor een bepaalde impedantie en een frequentiegebied qua verliezen geoptimaliseerd. Bij verlaging van de getransformeerde impedantie nemen de verliezen in het koper en het ferriet toe. Ook bij verhoging van de te transformeren impedantie nemen de verliezen toe, doordat het aandeel van de windings zelfinduktie of parasitaire kapaciteiten op de totale impedantie groter wordt en deze invloed moet worden uitgestemd.
Kortom, een balun bij voorkeur gebruiken waar die voor gemaakt is. Als afsluiting de gegevens van 2 breedband baluns, 50 Ω - 50 Ω of 50 Ω - 200 Ω. De keuze tussen deze twee types hangt of van de antennetuner (symmetrisch!) die gebruikt wordt (zie de amateur-handboeken).

Fig. 2.
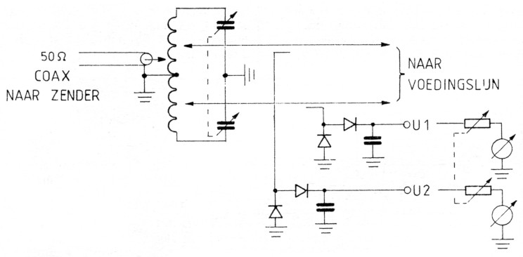
Overigens kan de balun-funktie ook worden overgenomen door de symmetrische antenne-tuner. Er moet dan echter op de een of andere manier gekontroleerd kunnen worden, of de voedingslijn symmetrisch aangestuurd wordt. (B.v. door het HF op beide draden gelijk te richten, en de beide gelijkspanningen te vergelijken, zie figuur 3.)

Fig. 3.
Met deze schakeling kan tevens de tuner worden afgeregela. Men prutst net zolang aan de spoelaftakkingen en de afstem C's, tot maximale uitslag voor de beide meters wordt bereikt. Tevens is dan gegarandeerd, dat de antenne maximaal straalt.
PA0WOW.