Bij bestelling van kristallen wordt gevraagd "serie of parallel?". Om deze begrippen wat meer inhoud te geven en van een aantal oscillatorschakelingen te beslissen, of dit nu serie of parallel is, onderstaand artikel.
Fysische beschrijving van een kristal De term kristal in de elektronika duidt op een dun plaatje siliciumdioxide (Si02 = kwarts) met twee hierop aangebrachte elektroden. De elektroden bestaan meestal uit een dunne laag zilver. Het plaatje zelf is meestal rond of bijna rond en een fraktie van een millimeter dik. Om het geheel mechanisch stabiel te maken, wordt het kristal in een glazen of metalen omhulsel geplaatst. De zilveren elektroden worden naar buiten gebracht in de vorm van twee pennetjes of twee draadjes (zie figuur 1).

Fig. 1. Mechanische opbouw van een kristal.
Elektrische beschrijving van een kristal De impedantie van een kristal kan worden uitgezet als funktie van de frequentie. Dan ontstaat figuur 2.

Fig. 2. De impedantie als funktie van de frequentie
Zoals te zien is, zijn er twee belangrijke punten, nl. fs (serieresonantie) en fp (parallelresonantie). Bij fs is de impedantie van het kristal bijna nul en bij fp is de impedantie bijna oneindig. Het opvallende is nu dat fs en fp zeer dicht bij elkaar liggen (b.v. 2 kHz voor een 10 MHz kristal) en weinig door temperatuur of kapaciteit worden verschoven.
Het gedrag van het kristal rond fs en fp is een gevolg van de mechanische resonantie waarin het kristalplaatje raakt. Een spanning tussen de aansluitpennen van het kristal oefent een kracht uit op het siliciumdioxide, dat daardoor vervormt (zgn. piezoelektrisch effekt). Een wisselspanning van de juiste frequentie kan nu het plaatje laten resoneren, zodat de wisselwerking tussen plaatje en aangelegde spanning groot wordt. Door de geringe wrijvingsverliezen in het Si02 is de Q van de mechanische resonantie erg hoog (20.000 - 100.000).
Op grond van het voorgaande kan er een vervangingsschema worden opgesteld voor een kristal, zie figuur 3.

Fig. 3. Elektrisch vervangingsschema voor een kristal.
Te zien is dat er twee resonanties mogelijk zijn, nl. de serieresonantie L en Cs en de parallelresonantie Cp in serie met Cs en L. De beide resonanties liggen zeer dicht bij elkaar en worden teruggevonden in figuur 2. In de praktijk zal de impedantie bij fs een bepaalde (lage) waarde aannemen, bij fp een hoge. In het vervangingsschema dient dus nog een weerstand te worden opgenomen, die de wrijvingsverliezen voorstelt. Zo ontstaat figuur 4.

Fig. 4. De weerstand in het vervangingsschema stelt de wrijvingsverliezen voor.
Om een paar getallen uit de praktijk te geven: impedantie bij fs 100 à 5000 Ohm, bij fp 100 kOhm - 1 MOhm.
Hoe gedraagt zich nu een kristal buiten fs en fp? Bij fs hebben we een kleine weer-stand, bij fp een grote weerstand. Tussen fs en fp gedraagt het kristal zich als een zelfinduktie, lager dan fs en hoger dan fp als een kapaciteit (zie figuur 5).

Fig. 5. Reaktantie als funktie van de frequentie.
Zoals te zien is, is er geen kapacitief of induktief gedrag bij fs en hebben we een weerstand, evenals bij fp.
Om een kristal te gebruiken als frequentiebepalend element in een oscillator, kan van het laagohmige karakter bij fs (serieresonantie) of het hoogohmige karakter (parallelresonantie) gebruik worden gemaakt. Voor zgn. overtoon oscillatorschakelingen is meestal alleen serieresonantie mogelijk. Een kristal kan nl. behalve bij fs of fp ook bij 3 fs of 3 fp, of 5 fs of 5 fp worden gebruikt. Men spreekt dan van 3e, 5e of zelfs 7e overtoon kristallen. In dat geval komt echter alleen de serieresonantie mogelijkheid in aanmerking. Overtoon kristaloscillatoren worden dus altijd in de serieresonantie mode gebruikt.
Voor grondtoon oscillatoren zijn er twee mogelijkheden, nl. serie of parallel. Een aardige schakeling om nader to bekijken is de zgn. Seiler-oscillator (zie figuur 6). Deze schakeling is een afgeleide van de Clapp oscillator en wordt in VFO's algemeen toegepast. Is dit nu een serie- of een parallelresonantie mode? Bij serieresonantie kunnen we het kristal vervangen door een kleine weerstand. Er kan dan echter Been oscillatie optreden. Evenmin bij parallelresonantie wanneer het kristal vervangen mag worden door een grote weerstand.

Fig. 6. De Seiler oscillator.
De enige manier waarop de schakeling kan oscilleren is wanneer het kristal zich gedraagt als een zelfinduktie. De schakeling, zoals in figuur 6 getekend, zal dus ergens tussen fs en fp oscilleren. Om nu het kristal precies in fs te laten oscilleren dient de benodigde zelfinduktie zelf aangebracht te worden. Het kristal kan zich dan als alleen een weerstand gedragen (zie figuur 7). Wanneer de frequentie gemeten wordt van figuur 6 en we gaan over op figuur 7 dan blijkt de frequentie iets gezakt te zijn. Dit is in overeenstemming met figuur 2.

Fig. 7. Serie resonantie.
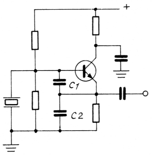
Vooraf dient opgemerkt te worden, dat parallelresonantie schakelingen alleen gebruikt kunnen worden voor grondfrequentiekristallen en dat bij de bestelling de kapaciteit moet worden gespecificeerd, waarbij het kristal moet worden afgeregeld. In de schakeling moet deze parallelkapaciteit natuurlijk ook voorkomen (in de praktijk meestal 20 pF). Allereerst een tweetal schakelingen voor grondtoon of overtoonkristallen, zie figuur 8a en 8b.

Fig. 8a. 3de overtoon oscillatoren voor 15-70 MHz.

Fig. 8b.
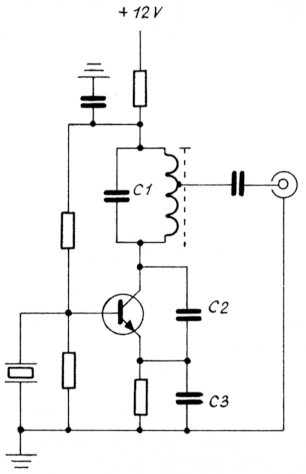
In deze schakeling wordt het kristal als serieresonantor gebruikt en wel figuur 8a voor hoogohmige serieresonantiekristallen en figuur 8b voor laagohmige situaties. C1 wordt ongeveer 2x zo groot gekozen als C2 en C1 in serie met C2 tesamen met L1 levert een parallelresonantiekring op, afgestemd op de gewenste frequentie. Wanneer de amplitude piek bij verstemming van L niet overeenkomt met de gewenste kristalfrequentie kan in serie een trimmer of een spoel worden gebruikt. Voor hoge frequenties (70-116 MHz) wordt figuur 9 gebruikt. Ook hier is sprake van serieresonantie. C1 is ongeveer even groot als C2 en C3 in serie, met C3 2 à 3 maal zo groot als C2.

Fig. 9. 5de overtoon oscillator voor 70-116 MHz.
Naast deze oscillatorschakelingen zijn er nog vele andere in omloop. De hier beschreven schakelingen hebben echter in mijn shack altijd goed gefunktioneerd.
PA0WOW.