In dit artikel treft u de beschrijving aan van een antenne-tuner, waarmede WERKELIJK elke willekeurige antenne omgetransformeerd kan worden in een overeenkomstige weerstand van laten we zeggen 50 of 75 Ohm. Het systeem is niets nieuws, integendeel, juist in de oudere handboeken zag men nog wel eens een foto van het ding met schema en dergelijke. Des te vreemder, dat tegenwoordig de meeste zendamateurs hun toevlucht zoeken bij meer ingewikkelde systemen, die het nadeel hebben nietafgestemde antennes maar beroerd aan te passen. Speciaal als de antenne sterk kapacitief of induktief is laten veel tuners het helaas afweten. Neem b.v. de bekende Z-match, die toch echt alleen ontworpen is voor afgestemde antennes, hoewel hij ook voor willekeurige stukken draad wordt gebruikt. Helaas gaat dat vaak niet en men twijfelt al gauw aan de spullen i.p.v. aan het systeem. De hier beschreven tuner is echter voor elke willekeurige antenneimpedantie bedoeld en ook uitgebreid door nth getest. Op 80 meter b.v. geeft de aanpassing van een draadje van 2 meter lang totaal geen problemen!
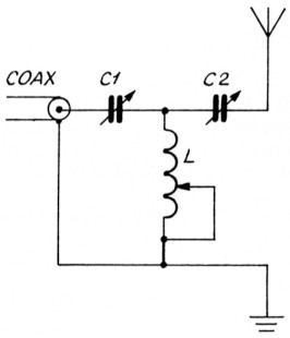
Zoals bij de meeste goede dingen blijkt ook hier weer dat eenvoud het kenmerk van het ware is. Aanschouw daartoe fig. 1.

Fig. 1.
Ja, dit is alles!
De variabele spoel is een exemplaar uit de een of andere dumpset, b.v. een tuning-unit, terwlil de C een groot model afstem C uit een ouderwetse omroepdoos is, kap. 500 pF.
Met deze L/C kombinatie moet het mogelijk zijn de SGV van de coax kabel naar de zender op 1:1 in te stellen met aangesloten antenne.
In bepaalde gevallen, wanneer de stralingsweerstand van de antenne erg laag is en de antenne zich tegelijkertijd induktief gedraagt, kan het zijn dat de schakeling volgens fig. 1 geen aanpassing geeft en gaan we over naar fig. 2.

Fig. 2.
U ziet: alleen de C is van plaats veranderd! Om lastig en verliesgevend omschakelen te vermijden komen we vanzelf tot de schematiek van fig. 3.

Fig. 3. De eenvoudigste antenne tuner
De C, die geen dienst doet (normaal is dit C2), wordt gewoon op maximum gedraaid. Slechts in die gevallen, waarbij de SGV van de coax verbinding tussen zender en tuner niet op 1:1 is te krijgen met L en C1 komt C2 in aktie en C1 wordt vol ingedraaid. Laat u dus niet afschrikken door 3 knoppen, er worden er altijd maar 2 van gebruikt!
Dit hoofdstuk is volgens sommigen onvermijdelijk en alleen bedoeld om aan te geven wanneer de schakeling van fig. 1 dan wel die van fig. 2 in werking is.
De antenne impedantie is voor te stellen door Za.
Za = Ra ± j.Xa hierin is Ra het Ohmse deel en
+ j.Xa het induktieve deel of
- j.Xa het kapacitieve deel.
Afhankelijk van de grootte van Ra of j.Xa, alsmede van het teken (+ of -) is of de schakeling van fig. 1 te gebruiken Of die van fig. 2.
Van beide schakelingen treft u impedantiediagrammen aan, waarin het gebied waar geen aanpassing mogelijk is gearceerd staat aangegeven. Onder aanpassing wordt verstaan het transformeren van de antenneimpedantie Za naar de Ohmse waarde Ro (kabelimpedantie tussen zender en tuner). Fig. 1 A behoort bij de schakeling van fig. 1. U ziet duidelijk dat bij kleine Ra en tegelijkertijd induktieve belasting de tuner niet kan aanpassen.

Fig. 1A. Impedantiediagram van de schakeling van fig. 1
Fig. 2A behoort bij fig. 2. U ziet, dat het bruikbare gebied juist overeenkomt met het onbruikbare deel van fig. 1A!

Fig. 2A. Impedantiediagram van de schakeling van fig. 2
Er is dus altijd aanpassing mogelijk met de kombinatie van beide schakelingen. Slechts de grootte der komponenten L en C beperken het werkingsgebied.
Zo, dat was een beetje theorie. Verder gaan we er niet op in. Er zullen altijd wel lieden zijn die liever met formules om de oren geslagen wensen te worden, maar die weten alles al en hebben deze artikeltjes niet nodig.
Het spreekt vanzelf, dat de opstelling sterk afhankelijk is van de beschikbare onderdelen.
In fig. 4 vindt u de opstelling zoals ik het zelf heb gedaan. Aanvankelijk gebruikte ik een rolspoel. Maar het rolkontakt gaf altijd een hoop geknetter tijdens het afstemmen. Tegenwoordig heb ik een gewone vaste spoel, waarvan een gedeelte ni omschakelbare aftakkingen kan worden kortgesloten. Het is verleidelijk om de spoel op zo'n grote paarse ringkern te wikkelen om het geheel klein van afmetingen te houden. Bij 100 watt output wordt het zaakje dan wel goed heet en het is dus beter om een luchtspoel te maken.

Fig. 4. Bovenaanzicht
Een stevige konstruktie is in figuur 5 aangegeven. Let op dat de 2 rijen gaatjes verschoven zijn ten opzichte van elkaar! Als u eerst het koperdraad (b.v. "afgestroopt" leidingdraad van de elektricien) in de vorm brengt door het om een fles te wikkelen, kan het daarna met een schroevende beweging in de perspexplaat worden gedraaid. Om vastraken te voorkomen dienen de gaatjes erg ruim te worden geboord. Steek de draad door het gaatje bij punt A en de rest volgt vanzelf.

Fig. 5 Konstruktie van de spoel
Let er op, dat C1 en C2 goed gersoleerd worden opgesteld met isolerende afstandstukjes of zoiets! De kapaciteit is niet erg kritisch. Omdat we nu met 2 kondensatoren kunnen afstemmen is het regelbereik al voldoende indien C ongeveer 250 pF is en C1 ongeveer 100 pF.
Zoals zo vaak is voor een vlotte afregeling een staande golf indikator erg handig. Vandaar dat ik hem gelijk maar heb ingebouwd.
Het schema van zo'n apparaatje vindt u in fig. 6. Het is zodanig getekend, dat de meter-uitslag nul is bij juiste aanpassing. 't Is eigenlijk niks als je het ziet, stom eenvoudig. Om met een (goedkoop) ongevoelig metertje van 1 mA ook op 80 meter nog voldoende gevoeligheid te behalen is het stukje coaxkabel met de gelsoleerde meetdraad flink Lang genomen (60 cm) en opgerold om ruimte te sparen.

Fig. 6. Konstruktie van de SGV-indikator
Bij goede afregeling van het instrumentje blijft de meter op nul staan bij een Ohmse belasting van een waarde waarvoor hij is bedoeld, b.v. 50 Ohm. De SGV-indikator wordt als volgt gemaakt:
een stuk coax van ca 70 cm lengte wordt van de isolatie over de buitenmantel ontdaan, terwijl de nu bloot gekomen buitenmantel wordt opgestroopt zodat een stukje emailledraad van ongeveer 0,2 mm tussen binnen- en buitengeleider van de kabel kan worden aangebracht. De toekomstige meetdraad wordt voorzichtig aan het begin door de buitenmantel gestoken en een eindje verder weer eruit gepeuterd. Pas hierbij goed op dat de isolatie van de meetdraad niet sneeft! Na deze procedure wordt de buitenmantel weer goed strakgetrokken, zodat hij aansluit over de isolatie van de meetdraad en de binnengeleider.
Het is belangrijk voor goede werking dat de aardpunten van de instelpotmeter R en de ontkoppelde C's van 2n zo kort mogelijk aan het MIDDEN van de buitenmantel worden gesoldeerd. Denk hierbij om de isolatie, die gauw (te gauw, als je 't mij vraagt) smelt. Voor een goede werking is het raadzaam om de coaxkabel met de meetdraad en "aanhangende" onderdelen in een metalen doosje onder te brengen.
1. Voer energie toe aan de ingang (TX) van de kabel, terwill aan de uitgang LOAD een passende belastingsweerstand hangt met een weerstand die gelijk is aan de karakteristieke impedantie van de gebruikte kabel.
2. Regel met de instelpotmeter (100 à 500 Ohm) R of op MINIMUM meteruitslag en klaar is Kees!
Hierna kan de uitgang LOAD van het apparaat aan de eigenlijke tuner worden geknoopt.
Sluit de boel aan op de zender en de antenne (wat dit laatste ook wezen moge) (volgens fig. 7) en zoek met de L en draaibare kondensatoren C1 en C2 die stand op waarbij de meter minimum aanwijst.
Dit moet geheel nul te krijgen zijn!
Noteer voor elke band de stand van L en C1 en C2, zodat niet steeds opnieuw de zaak uitgezocht behoeft te worden wanneer we van band veranderen.

Fig. 7. Aansluitschema
Afstemmen op maximum antennestroom In plaats van een SGV-indikator kan ook een simpele antennestroomindikator aan de antenne worden "gehangen". Zie fig. 8. Gewoon alles op maximum meteruitslag afregelen!

Fig. 8. Antennestroomindikator
Het rendement van zender is voor een belangrijk deel afhankelijk van de antenne. Vandaar het belang om dan ook zoveel mogelijk deze antenne aan de zender aan to passen. De tuner last uw zender eindtrap altijd een zuiver OHMSE BELASTING zien van een lage waarde, zodat ook hier het maximum emit wordt gehaald en parasitair genereren van de P.A. wordt vermeden. De kabel tussen zender en tuner mag van willekeurige lengte zijn, mits de golfweerstand maar gelijk is aan de waarde waarop de SGV-indikator is afgeregeld.
De resultaten met de tuner zijn zeer bemoedigend: tot nu toe heb ik de meest gekke stukken draad aangepast tot metalen ledikanten en gordijnroedes toe.
Veel succes met de eventuele nabouw. Schrijft u me eens als er aanpassingsproblemen zijn met uw antenne. Wel graag zo nauwkeurig mogelijk de antenne situatie beschrijven.
Ref.: CQ-PA 1967, nr. 25
Wim, PA0WDW.
De oplettende lezer zal het opgevallen zijn, dat er geen wikkelgegevens van de spoel vermeld zijn, omdat deze afhankelijk zijn van de beschikbare ruimte in de behuizing. PAoWDW geeft als suggestie een spoeldoorsnede van 5 cm, een lengte van 10 cm en als aantal wikkelingen 30. De gegeven konstruktie in fig. 5 dient men dan ook als een voorbeeld to beschouwen. Wat de aftakkingen op de spoel betreft: hoe meer, hoe soepeler de afstemming. E.e.a. is natuurlijk afhankelijk van het aantal kontakten van de gebruikte schakelaar.