
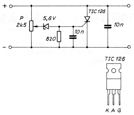
Fig 1. De overspanningsbeveiliging van PE1DWO.
De schakeling wordt over de + en de - van de uitgangsklemmen van de voeding aangesloten.
Met P stelt men de spanning in, waarbij de schakeling in werking moet komen. Als de spanning van de voeding de ingestelde spanning bereikt, zal de thyristor openen en dus de uitgangsklemmen kortsluiten, zodat de zekering van de voeding stuk gaat en er aan de uitgangsklemmen van de voeding geen spanning meer aanwezig is. Deze schakeling laat zich uitstekend kombineren met de automatische zekering uit CQ-PA nr. 26 van dit jaar.
PE1DWO.