Bij het aanbreken van het nieuwe vossenjachtseizoen leek het mij wel aardig om een aantal schema's te beschrijven van peilontvangers. Daar de populariteit van het vossenjagen op 80 meter weer begint toe te nemen wilde ik beginnen met deze band.
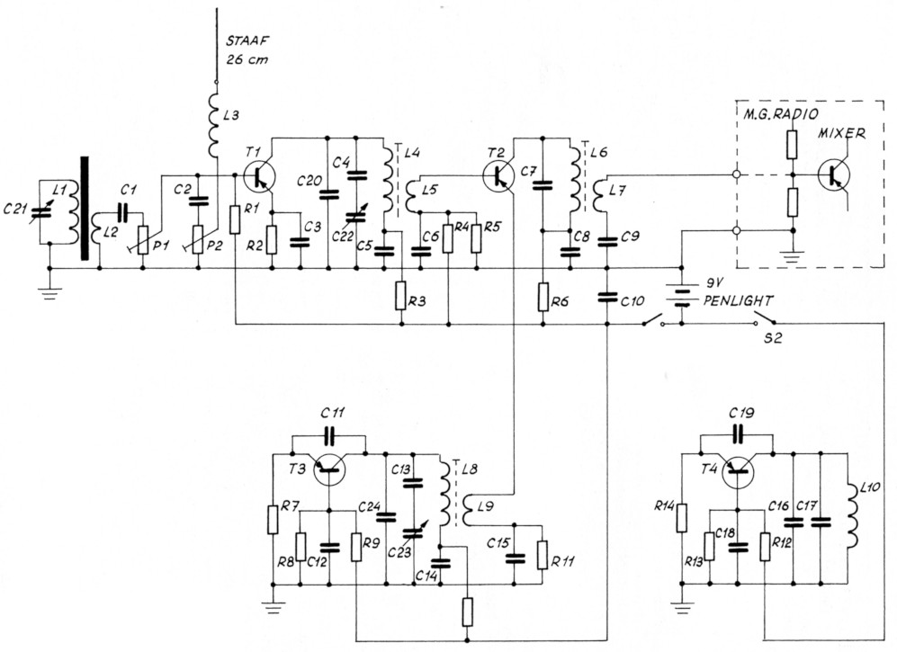
Het eerste schema (figuur 1) is afkomstig uit een oude QRV van 1973. Het is het schema van een enkelsuper waarvan het middenfrequent bestaat uit dat van een oude middengolf transistorradio. Wat er dus nog bijgebouwd moet worden is een mixer, een mengoscillator en een voorversterker.

Fig. 1. 80 meter peilontvanger m.b.v. oude middengolfradio.
Van de middengolf radio schakelen we de oscillator uit en verbreken we de verbinding tussen de voorversterker en de mengtrap. Op de basis van de oude mengtrap wordt nu het signaal ingevoerd van de nieuwe mengtrap, waarbij dus de oude mengtrap als versterker gaat werken. Zoals de figuur laat zien is de opbouw van de nieuwe convertor zeer simpel. T1 is de voorversterker die het signaal uit de ferriet antenne versterkt, zodat het in T2 gemengd kan worden naar 455 kHz door het signaal afkomstig van de oscillator T3.
Omdat bij vossenjachten op 80 Lang niet altijd gebruik gemaakt wordt van AM modulatie maar ook vaak van DZB of FSK modulatie, is er een BFO nodig. Dit BFO wordt gemaakt met T4. Dit is een oscillator op de halve middenfrequentie, zodat de MF niet dichtgedrukt wordt.
Voor het bepalen van de richting wordt er een sens antenne naast de ferriet antenne gemonteerd. De werking hiervan is simpel te verklaren. Een antenne straalt een elektromagnetisch veld uit. Dit veld bestaat uit een elektrisch en een magnetisch veld, waarbij deze twee velden loodrecht ten opzichte van elkaar staan. Bij een vertikaal gepolariseerde antenne staat het elektrisch veld vertikaal en het magnetisch veld horizontaal. Een ferriet antenne is alleen gevoelig voor het magnetisch veld.
Willen we dus kunnen peilen met een ferriet antenne dan moet de vos vertikaal gepolariseerd zijn, zodat we de antenne horizontaal kunnen houden. Monteren we nu naast de ferriet een sprietantenne, dan zal deze het elektrisch veld opvangen.
Het stralingsdiagram van deze antenne is rondom. Dat van de ferriet 8-vormig. Wanneer we nu de uit de beide antennes afkomstige signalen samenbrengen, dan kunnen we twee dingen krijgen. Of de beide signalen zijn in fase waardoor we ongeveer de dubbele spanning krijgen, of de signalen zijn in tegenfase waardoor we uitdoving krijgen en dus de totale spanning 0 zal zijn. Wanneer we nu de ferriet op de antenne richten dan zal, doordat het magnetisch veld ook een richting heeft, er een stroompje in de spoel geinduceerd worden die ook een richting heeft. Draaien we nu de antenne 180 graden om dan zal, doordat de richting van het magnetisch veld hetzelfde blijft, de richting van het stroompje omdraaien. Dit is dus een fasedraaling van 180 graden. Doordat de sprietantenne niet verandert, zal hier nog steeds hetzelfde spanninkje vanaf komen, dus hiervan is niet de fase veranderd.
Op deze manier kunnen we dus de richting naar de vos bepalen. Bij ingeschakelde sens draaien we de ontvanger 360 graden en kijken waar nu het signaal het sterkste is. Welke kant 90 graden op de lengterichting van de ferriet de richting naar de vos is moeten we uit ervaring weten, maar dat kunnen we thuis uitproberen bij het afregelen. Hiervoor gebruiken we nu het signaal afkomstig van een signaalgenerator en een stuk vertikaal opgehangen draad.
De in de figuur getekende spoel onder de sens antenne dient er voor om deze antenne af te stemmen op 80 meter. Met P2 regelen we het signaal uit de sens antenne zo af dat de sens spanning ongeveer gelijk is aan de spanning uit de ferriet, zodat we nagenoeg volledige uitdoving krijgen.
De ferriet antenne moet afgeschermd gemonteerd worden. Hiervoor monteren we de staaf in een koperbuis die verbonden is met het kastje van de ontvanger. Overlangs de buis moet de buis doorgezaagd worden, zodat er niet een gesloten winding om de antenne zit waardoor de antenne geen signaal meer af zal geven. De gesloten winding zal n.l. als een kortsluiting gaan werken.
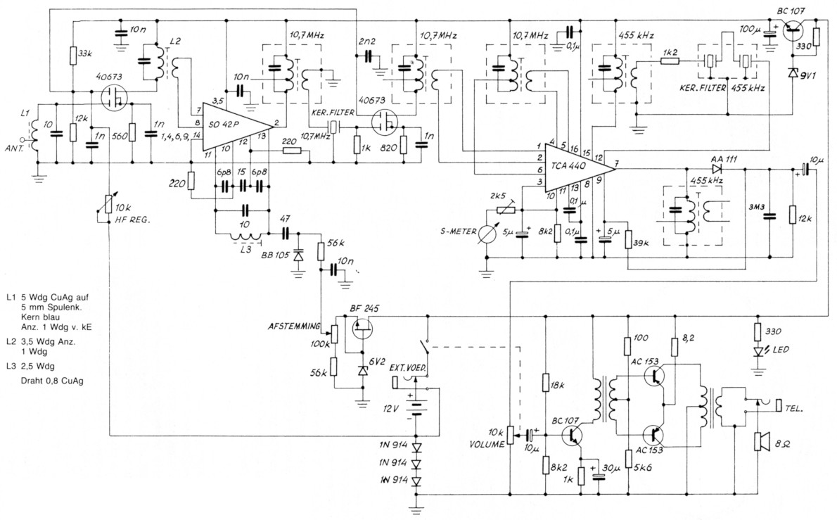
Een tweede ontvanger (zie figuur 2) is volgens het principe van de direkte conversie. Hierbij wordt het HF signaal direkt gemengd naar een LF signaal. Een voordeel hiervan is dat we met deze ontvanger direkt DZB of FSK gemoduleerde vossen kunnen ontvangen.

Fig. 2A. 80 meter direkt conversie peilontvanger.
Het geheel is opgebouwd rond de TCA440. Dit IC bevat een HF versterker, mengtrap en een MF versterker. Bij het gebruik als DC ontvanger is deze MF versterker een onderdeel van de LF versterker.
De antenne bestaat uit een op 80 meter gedipte ferriet antenne en een sens antenne. De frequentie bepalende onderdelen voor de oscillator zijn L2 en de varicap diode. De oscillator werkt op een frequentie vlakbij de te ontvangen frequentie. Voor het in de band brengen van de ontvanger is dit zeer handig, want we kunnen nu met een tweede ontvanger deze oscillator kontroleren.
Na het IC volgt nog een LF banddoorlaat filter voor het verkrijgen van de benodigde bandbreedte van de ontvanger. Bij mij bleek dit filter en de daarop volgende versterkertrap niet goed te werken en daarom heb ik deze trap vervangen door de naast het schema staande trap.
Wanneer men de ontvanger bouwt zoals aangegeven dan kunnen we maar ongeveer 100 kHz van de 80 meter band ontvangen. Dit probleem kunnen we verhelpen door over de varicap nog een aantal andere varicaps parallel te solderen.
Het wikkelen van L2 geeft soms wat problemen, maar wanneer we ons aan de tekening houden dan gaat het goed. Mocht de oscillator dan toch niet werken dan moeten de aansluitingen van de sekundaire kant worden omgedraaid (dit zijn de punten 5. en 0.).
Ook bij deze ontvanger moet de ferriet afgeschermd worden, dit omdat anders de ontvanger scheel is. Bij mij was de ontvanger zonder afgeschermde ferriet ongeveer 5 à 10 graden fout t.o.v. de werkelijke richting.

Fig. 2B.

Fig. 2C.

Fig. 2D.
Een verbetering ten opzichte van de ferriet is gebruik te maken van een loop antenne (figuur 3). Een loopantenne is een spoel van ongeveer 5 windingen, elke zich bevindend binnenin een buis die in een cirkel gebogen is. De doorsnede van de cirkel is ongeveer 25 cm en de doorsnede van de buis ongeveer 1 cm. Bij het buigen van de cirkel moet men er voor zorgen dat de uiteindes van de buis elkaar niet raken, anders krijgen we een kooi van faraday om de spoel. Deze opening komt nu boven en wordt afgesloten door een passend kunststof slangetje. De uiteindes van de spoel worden via een gat in de buis welke aan de andere kant van de cirkel tegenover het punt waar de eindes bij elkaar komen naar buiten gebracht. De gevormde spoel wordt nu aangesloten i.p.v. L1 en gedipt op 80 meter. Hiervoor moeten we de condensatoren eventueel aanpassen.

Fig. 3. 80 m loop-antenne.
Bij mij was nu het nadeel dat de sens niet meer werkte, maar dat zal wel komen omdat het signaal uit de antenne veel groter is dan dat uit de sens, waardoor er geen uitdoving kan plaatsvinden. Het resultaat van de loopantenne is nu dat ik met mijn doos een vos nagenoeg exakt kan peilen. De gevoeligheid en de verdere prestaties van deze ontvanger zijn zeer goed. Ook voor het beluisteren van andere stations op 80 is deze ontvanger goed te gebruiken. Ik kan hier in Groningen zonder problemen de uitzendingen van b.v. PA6AA ontvangen.
Voor het jagen op twee meter vind ik nog steeds de superreg ontvanger het beste. Ik gebruik nog steeds de in 1969 gepubliceerde ontvanger van PA0VOK. (Zie hiervoor het maartnummer van Electron van dat jaar.) Ook in CQ-PA heeft een aantal van deze ontvangers beschreven gestaan, maar daarvan vind ik de prestaties Lang niet zo goed als mijn VOK. Het voordeel van een superreg is dat de ontvanger goed gevoelig is, maar door de ontvanger als rechtuit ontvanger te gebruiken (het reggen uitschakelen) zijn we ook in staat om de ontvanger zeer ongevoelig te maken, waardoor we vlak bij de vos ook nog kunnen peilen. Een nadeel van een superreg is dat de bandbreedte nogal groot is, wat weer een nadeel is als er meerdere vossen tegelijkertijd in de lucht zijn. Een ontvanger die dit nadeel niet heeft is een super, maar dan moeten we wel voor een goede HF regeling zorgen, zodat we de gevoeligheid voldoende kunnen terugregelen zodat er vlak bij de vos nog steeds gepeild kan worden.
Een naar mijn idee goede ontvanger zien we in figuur 4. Het is een ontwerp uit CQ-DL 6/79. Dit is een dubbelsuper met ook weer de TCA 440. Deze wordt gebruikt als mixer van 10,7 naar 455 en als tweede middenfrequent. De SO42P is hier de eerste mengtrap en vormt samen met de tweede 40673 de eerste MF. Als voorversterker op twee dient de eerste 40673. De HF regeling wordt verzorgd door de G2 van de beide 40673 te regelen, waardoor de versterking van deze FET's geregeld kan worden. Mocht dit nog niet genoeg zijn dan kan de TCA 440 ook nog geregeld worden op pen 9. Hoe dit exakt moet gebeuren kunt u zien in het schema van de 80 meter ontvanger met de TCA 440. De na de TCA 440 volgende diode is de AM detektor. Willen we nu de ontvanger ook voor FM gebruiken dan moeten we het uit de TCA 440 komende signaal voor de diode aftappen en in een FM detektor stoppen. De LF versterker zal misschien wat problemen opleveren vanwege de trafo's, maar deze trap kan natuurlijk ook vervangen worden door een IC versterkertje b.v. met een LM 380. Deze versterker is n.l. veel gemakkelijker te bouwen. Ook kan het LF versterkertje gebruikt worden dat ik in een van de vorige afleveringen van deze rubriek beschreven heb.

Fig. 4. 2 meter AM-ontvanger - dubbelsuper met TCA440.
Een ontvanger die ook wel voor de vossenjacht op twee geschikt is is het als bouwpakket verkrijgbare ontvangertje van PA0MUS uit CQ-PA 17/77 (bouwpakket nummer P16). Dit is een ontvanger voor FM maar door het LF signaal of te tappen van de S-meter uitgang kunnen we AM ontvangen. We moeten alleen voor een goede HF regeling zorgen.
Een tip voor die afdelingen die nog niet over een vossenjachtzender beschikken. Bij een aantal dumpzaken wordt tegenwoordig een zogenaamd bewakingszendertje verkocht. Dit is een 150 mW zendertje welke met TR2200 kristallen direkt werkt op twee meter. Het zendertje is voorzien van een VOX die er voor zorgt dat de zender gaat werken als er geluiden zijn in de ruimte waar de zender is opgesteld. De aanwezige herrie wordt dan m.b.v. FM modulatie gemoduleerd. Voor het gebruik als vos slopen we de FM modulator en de VOX. Via een trafo wordt nu de zender AM gemoduleerd. Wanneer nu het uitgangsvermogen te klein is dan kan men door achter de zender een eindtrapje te plaatsen een groter vermogen krijgen. Hierbij moet men er wel om denken dat ook deze trap gemoduleerd wordt. Het zendertje is onder andere verkrijgbaar bij een dumpzaak in IJmuiden en een zaak in Den Haag. De prijs is ongeveer 45 gulden. Naar mijn idee kun je het zendertje niet voor die prijs maken.
Voor hen die zelf een zender willen maken heb ik ook nog wel een schema (figuur 5). Het is een door mijzelf ontworpen zender (ontworpen is misschien een te groot woord, beter is bij elkaar gejat). De opzet is simpel een oscillator op 36 MHz, twee verdubbeltrappen en een trapversterking. De in het schema staande MRF237 kan ongeveer een vermogen produceren van 1W, hetgeen voor een vos meer dan voldoende is. Een nadeel van deze tor is wel dat hij zeer gemakkelijk gaat oscilleren, waardoor er ongeveer 5W troep uitkomt. Beter is het om deze tor te vervangen door een 2N3553 of 2N3866 en er dan nog een extra trap achter te zetten. Een tor die hiervoor zeer goed bruikbaar is, is de 40292 van RCA. In hoeverre deze tor goed verkrijgbaar is weet ik niet, evenmin de prijs, maar als u hem wel kunt krijgen dan is dit een zeer goede tor. Ik heb zelf een aantal van deze torren gevonden in een dumppartij, maar dat zal wel mazzel geweest zijn. Wat zeer handig is in een vos is een staande golfmeter en een akku konditiemeter. Deze zijn zeer simpel te maken. Een goedkoop VU metertje, een paar diodes en wat VD draad zijn voldoende om dit instrument te maken.

Fig. 5A. 2 meter vossenjachtzender - HF deel.

Fig. 5B. SWR-accuspanningsmeter voor 2 meter vossenjachtzender
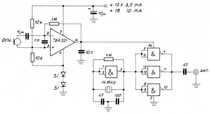
Voor het maken van een zeer klein vosje op 80 meter vond ik een aardig schakelingetje in QRV 3/78 (zie figuur 6). Als oscillator en versterker wordt gebruik gemaakt van een C-mos IC de 4011. Door de voeding van dit IC te betrekken uit een versterkertrap wordt het geheel AM gemoduleerd. Als versterker wordt gebruikt een Opamp TBA221, maar ook een 741 kan gebruikt worden, alleen de aansluitingen van dit IC zijn anders.

Fig. 6. Mini-vos.
Door veranderen van X-tal en C's kan dit ding ook op 80 m werken.
Ewout de Ruiter, PA0OKA.