De meeste moderne zendontvangers voor twee meter zijn heden ten dage uitgerust met een automatische vermogensregeling, die terugregelt bij een slechte staande golf verhouding. De zender moet dus 50 Ohm zien, of er nu een echte antenne aan hangt of een paraplu. Ik weet ook wel dat we een antenne moeten hebben die een goede aanpassing heeft.
Wanneer we nu om uit eeneenlopende redenen een antenne hebben die niet goed aanpast, b.v. onze zelfbouw antenne is toch niet zo goed als verwacht of er is water in de H43 gekomen, dan zal door de terugregeling het uitgestraalde vermogen nog lager zijn dan zonder de terugregeling. Als we er nu voor zorgen dat de zender in alle gevallen 50 Ohm ziet, dan gaat in ieder geval het volledige vermogen richting antenne. Met behulp van een antennetuner kunnen we er voor zorgen dat de zender 50 Ohm ziet. Hierbij moeten we ons wel realiseren dat het wel 'kastje belazeren is'. De ATU voor 2 meter heeft bij mij al de nodige diensten bewezen, toen ik 's winters opeens last kreeg van een slechte SWR. Er bleek iets niet in orde te zijn met het spul buiten op het dak. De set regelde helemaal terug en er kwam bijna geen vermogen meer uit. Door de ATU kon ik het geheel weer op 50 Ohm regelen, waardoor de zender weer het voile vermogen leverde. De rest van de winter kon ik op deze manier redelijk meekomen en kon rustig in het voorjaar de coaxkabel (wat de boosdoener was) vervangen.

Fig. 1.
Voor de onderdelen heb ik domweg alles door 10 gedeeld wat nodig is voor 20 meter. Dit kwam ook omdat ik twee kondensatoren van 50 pF met grote plaatafstand had. De spoel L1 was even moeilijk en moet een beetje experimenteel vastgesteld worden. Bij mij was een winding met een doorsnede van 10 mm voldoende (draad 1,8 mm).
De kondensatoren heb ik op een pertinax plaatje gemonteerd en daarbij ook een metertje uit een kassetterekorder. Dat laatste heb ik gedaan om een relatieve outputmeter te krijgen.
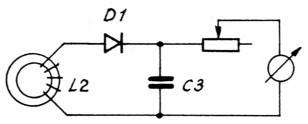
Het metercircuit bestaat uit een stroomtrafo, een gelijkrichtdiode en een afvlakkondensator. De stroomtrafo wordt gewikkeld op een ringkerntje dat over de verbinding tussen L1 en C2 geschoven wordt. Dit stukje draad fungeert als primaire wikkeling. De sekundaire wikkeling L2 is afhankelijk van het vermogen van de zender, het moeten er in ieder geval voldoende zijn om een behoorlijke meteruitslag te krijgen. Te veel wikkelingen is niet erg, daar we m.b.v. de instelweerstand de stroom door het metertje terug kunnen regelen. De diode kan een gewone detektordiode zijn, b.v. een AA 119. Voor het afvlakken is een C van IN voldoende.

Fig. 2.
Het gebruik van de tuner is simpel. We sluiten de tuner aan tussen zender en antenne en regelen C1 en C2 zo of dat de meter maximaal uitslaat. De antennestroom is dan maximaal. We kunnen met een staande golfmeter nu kontroleren of de zender wel 50 Ohm ziet. De staande golfverhouding tussen zender en tuner moet n.l. 1 op 1 zijn.
Han Görtz, PA3CFB.