
Van Nanco de Vries PA0OOM ontving ik een ontwerp voor een schermroostervoeding, die gebruikt kan worden voor eindtrappen met o.a. 4CX buizen. De schakeling is ontstaan na, zoals hij zelf schrijft, vele hoogspanningstorren.
Een veel gebruikt alternatief voor 'het maken van een hoogspanningsvoeding is het gebruikmaken van de welbekende OA en OB spanningsstabilisatorbuizen. Een nadeel van deze buizen is dat je slechts in staat bent om grote spanningsstappen te maken. Met een buis en een zenerdiode gaat het allemaal veel gemakkelijker.
En het voordeel van de buis is dat bij een doorslag in de gevoede schakeling een buis veel minder gauw de geest geeft dan een transistor.
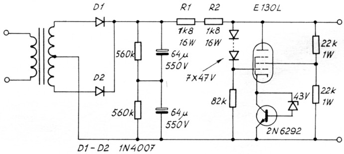
De werking is als volgt: met de zenerdiode en de transistor wordt de buis ongeveer stroomloos gemaakt. Nu de gewenste uitgangsspanning met behulp van de in serie geschakelde zenerdiodes instellen.
Als de anodespanning hoger wordt dan de totale zenerspanning, zal het stuurrooster positief worden. Hierdoor zal er stroom in de buis gaan lopen, met als gevolg een spanningsval over de weerstanden R1 en R2. Ook als er een negatieve schermroosterstroom loopt in de te voeden buis, waarvan veel externe anodebuizen last hebben, zal de spanning konstant gehouden worden.
Het schema geldt voor een E130L als regelbuis. De ingangsspanning is bij mij ongeveer 500 V. De uitgangsspanning is 390 V bij 58 mA, hetgeen overeenkomt met ongeveer 22,5 W. Deze stroom en spanning is voldoende voor het schermrooster van een 4CX1000.
E. de Ruiter, PA0OKA.