Toen ik het artikeltje schreef over mijn mailbox, wat een tijdje geleden in CQ-PA stond, vermeldde ik alleen maar dat RTTY, Amtor en Packetradio verschillende manieren zijn om berichten uit te kunnen zenden. Sindsdien heb ik van diverse kanten gehoord dat de verschillen tussen die manieren niet altijd duidelijk zijn. Vandaar dit verhaaltje waarin ik een en ander duidelijk hoop te maken.
Baudot is de oudste norm om met machines teksten over te brengen langs draadloze weg. Deze norm werd ontwikkeld aan het begin van onze eeuw, toen de telegraaf nog volop in gebruik was, om ook zonder speciaal getrainde telegrafisten berichtenverkeer mogelijk te maken. Het was niet mogelijk om deze machines met de morsecode te laten werken omdat er aanzienlijke verschillen bestaan tussen de lengte van de verschillende morsetekens. Het teken voor de letter q bijvoorbeeld is 13 keer zo lang als dat voor de e. Het is voor een machine veel gemakkelijker als elk teken wat een letter vertegenwoordigt even lang is. De Fransman Baudot heeft de belangrijkste beginselen van tekst overbrengende machines ontwikkeld. Zijn code bestond uit vijf eenheden per letter. Baudot heeft voor vijf eenheden gekozen omdat de tekens ook met de hand ingevoerd moesten kunnen worden. Elke eenheid kan of hoog of laag zijn (hoog - wel signaal, laag - geen signaal). In het begin werden die vijf eenheden tegelijk verzonden (parallel), maar dat had als nadeel dat er vijf draden voor nodig waren. Later werden de eenheden over een draad na elkaar verzonden (serieel) met een startteken aan het begin van elke groep van vijf en een stopteken aan het eind dat iets Langer was dan de overige tekens zodat de machine de tijd had om de letter op het papier te zetten. Deze start- en stoptekens waren nodig omdat de zendende en ontvangende machine natuurlijk nooit exact even hard draaiden. Als alle eenheden achter elkaar zouden worden verzonden zonder scheidingstekens, dan zou dat al snel fout gaan, maar dankzij de start- en stoptekens hoeven de machines alleen maar met elkaar gelijk te lopen tijdens de vijf eenheden van een teken. Nadat die zijn ontvangen wordt het ontvangmechanisme gestopt en het ontvangen teken op papier gezet. Dan komt er weer een startteken, het ontvangstmechanisme gaat weer draaien, enzovoorts.
Hoe dit er uitziet ziet u in fig. 1.

Fig. 1.
De snelheid waarin de tekens worden uitgezonden wordt uitgedrukt in Baud. Het aantal Bauds is het aantal eenheden van een teken die in een sekonde voorkomen. Dus bij 50 Baud duurt elke eenheid 20 millisekonden (behalve de stoppuls, die duurt 30 ms).
Tabel 1 geeft een tabel van welke code er voor elk teken wordt gebruikt. Bij een aantal codes staan twee tekens vermeld omdat er slechts 32 kombinaties mogelijk zijn met de 5-eenhedencode, terwijl er meer tekens verzonden moeten kunnen worden. Welk van de twee tekens het moet zijn weet de machine omdat er shifttekens zijn, zoals de hoofdlettertoets op een schrijfmachine. Als de hoofdlettertoets wordt ingedrukt komen alle tekens die bovenaan op elk drukarmpje staan op papier en als die niet wordt ingedrukt de onderste. Zo is er bij de Baudotcode het teken figs, waarna de machine alle tekens aan de bovenkant van de drukarmpjes afdrukt (de cijfers en interpunktietekens) totdat het teken ltrs komt waarna hij verder gaat met de tekens aan de onderkant van de armpjes (de letters).
| K ( | MMMMS | V = | SMMMM | ||
| A - | MMSSS | L ) | SMSSM | W 2 | MMSSM |
| B ? | MSSMM | M . | SSMMM | X / | MSMMM |
| C : | SMMMS | N , | SSMMS | Y 6 | MSMSM |
| D met wie? | MSSMS | O 9 | SSSMM | Z + | MSSSM |
| E 3 | MSSSS | P 0 | SMMSM | nieuwe regel | SMSSS |
| F | MSMMS | Q l | MMMSM | terugl. wagen | SSSMS |
| G | SMSMM | R 4 | SMSMS | letters | MMMMM |
| H | SSMSM | S ' | MSMMS | cijfers | MMSMM |
| I 8 | SMMSS | T 5 | SSSSM | spatie | SSMSS |
| J bel | MMSMS | U ? | MMMSS | blank | SSSSS |
Sommige machines hebben unshift-on-space, die schakelen na ontvangst van een spatie ook weer over naar letters. Dat is gedaan om in verbindingen die gestoord worden niet de hele tijd cijfers op papier te krijgen als de machine ten onrechte denkt dat hij het teken figs heeft ontvangen.
Hier komen we op het punt waarom tegenwoordig de Baudotcode steeds minder gebruikt wordt. Hij is namelijk nogal storingsgevoelig. Een knetter op de lijn wordt door de ontvanger vaak als een hoog signaal geinterpreteerd wat een foute afdruk tot gevolg heeft. Men is om dit tegen te gaan al vroeg overgegaan tot het uitzenden van twee tonen in plaats van een, een toon voor het signaal hoog (de marktoon) en een toon voor het signaal laag (de spacetoon). Maar nog steeds is het voor de ontvangende machine niet mogelijk om te kontroleren of het teken dat hij ontvangen heeft ook werkelijk het teken is dat de zendende machine heeft uitgezonden. Om dit kontroleren mogelijk te maken moest men met een ander systeem gaan werken. Dit systeem werd het TOR-systeem.
De afkorting TOR betekent Telex Over Radio. AMTOR (AMateur TOR) is een iets eenvoudiger versie van het TOR-systeem. Het TOR-systeem is gebaseerd op het feit dat een ontvangend station kan herkennen of een teken goed is aangekomen of niet. Bij TOR wordt elk karakter weergegeven door een code van 7 bits (zonder start- of stoptekens). Elke code die een karakter voorstelt heeft een vaste verhouding tussen het aantal eenen en nullen van 3 : 4. Zie de tabel 2 en 3.
| no | letter | figures | baudot | tor |
|---|---|---|---|---|
| 1 | A | - | ZZAAA | BBBYYYB |
| 2 | B | ? | ZAAZZ | YBYYBBB |
| 3 | C | : | AZZZA | BYBBBYY |
| 4 | D | WRU | ZAAZA | BBYYBYB |
| 5 | E | 3 | ZAAAA | YBBYBYB |
| 6 | F | % | ZAZZA | BBYBBYY |
| 7 | G | AZAZZ | BYBYBBY | |
| 8 | H | AAZAZ | BYYBYBB | |
| 9 | I | 8 | AZZAA | BYBBYYB |
| 10 | J | bel | ZZAZA | BBBYBYY |
| 11 | K | ( | ZZZZA | YBBBBYY |
| 12 | L | ) | AZAAZ | BYBYYBB |
| 13 | M | . | AAZZZ | BYYBBBY |
| 14 | N | , | AAZZA | BYYBBYB |
| 15 | 0 | 9 | AAAZZ | BYYYBBB |
| 16 | P | 0 | AZZAZ | BYBBYBY |
| 17 | Q | 1 | ZZZAZ | YBBBYBY |
| 18 | R | 4 | AZAZA | BYBYBYB |
| 19 | S | ' | ZAZAA | BBYBYYB |
| 20 | T | 5 | AAAAZ | YYBYBBB |
| 21 | U | 7 | ZZZAA | YBBBYYB |
| 22 | V | = | AZZZZ | YYBBBBY |
| 23 | W | 2 | ZZAAZ | BBBYYBY |
| 24 | X | / | ZAZZZ | YBYBBBY |
| 25 | Y | 6 | ZAZAZ | BBYBYBY |
| 26 | Z | + | ZAAAZ | BBYYYBB |
| 27 | carriage return | AAAZA | YYYBBBB | |
| 28 | line feed | AZAAA | YYBBYBB | |
| 29 | letter shift | ZZZZZ | YBYBBYB | |
| 30 | figure shift | ZZAZZ | YBBYBBY | |
| 31 | space | AAZAA | YYBBBYB | |
| 32 | unperforated tape | AAAAA | YBYBYBB | |
| MODE A(ARQ) | verzonden signaal | MODE B(FEC) |
|---|---|---|
| control signal 1 | BYBYYBB | |
| control signal 2 | YBYBYBB | |
| control signal 3 | BYYBBYB | |
| idel signal β | BBYYBBY | |
| idel signal α | BBBBYYY | phasing signal 1 |
| signal repetition | YBBYYBB | phasing signal 2 |
Als het ontvangende station vaststelt dat die verhouding niet klopt is het teken dus fout ontvangen. Afhankelijk van de mode waarin men werkt kan het ontvangende station vervolgens aan het zendende station vragen het karakter nog eens uit te zenden, of het kan het karakter negeren. De mode waarin om korrektie wordt gevraagd heet mode A (ARQ), de tweede mode heet mode B (FEC).
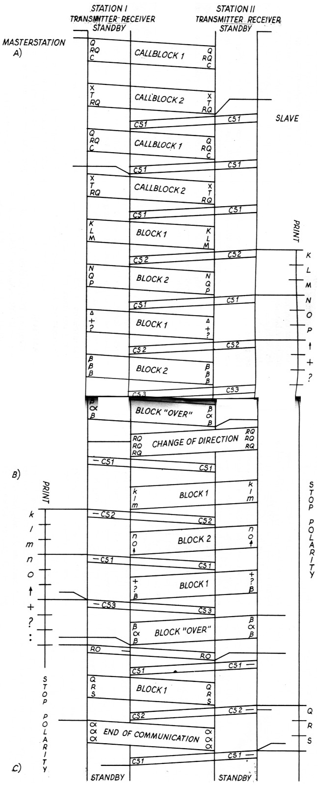
Deze mode wordt gebruikt bij een verbinding tussen twee stations waarbij zeker moet zijn dat alle berichten goed aankomen. Het zendende station zendt steeds groepen uit van 3 karakters, die door het ontvangende station met 1 karakter beantwoord wordt. Bij het antwoorden worden twee kontrolesignalen gebruikt, Cl en C2, die elkaar bij een goede ontvangst steeds afwisselen (zender zendt 3 karakters, ontvanger zendt C1, zender zendt 3 karakters, ontvanger zendt C2, zender zendt 3 karakters, ontvanger zendt Cl, enzovoort). Zie fig. 2.

Fig. 2.
Als nu een groep karakters fout ontvangen wordt, dan wordt het kontrolesignaal wat het laatst is verzonden nog eens verzonden, zodat de zender weet dat de laatste groep van 3 niet goed is aangekomen en nog eens verstuurd moet worden. Als het zendende station nu dit kontrolesignaal niet goed heeft ontvangen verzendt deze een 'herhaal' blok (RQRQRQ, een ander speciaal karakter) waarop het ontvangende station het laatst verzonden kontrolesignaal opnieuw uitzendt. Op die manier kunnen vrij ingewikkelde konversaties ontstaan, waar de gebruiker overigens weinig van merkt. De snelheid waarbij dit alles gebeurt is 100 baud, dus 210 millisekonden zenden en 70 millisekonden ontvangen voor het zendende station.
Als het ontvangende station een bericht wil gaan verzenden naar het station wat nu zendt, kan er een ander speciaal karakter gebruikt worden om om te schakelen.
Deze mode is bedoeld voor ontvangst door meerdere stations. De informatie wordt in een continue stroom uitgezonden met om de zoveel karakters een rijtje synchronisatiekarakters om de ontvangende stations gelegenheid te geven te kijken of alles nog parallel loopt en om stations die dan pas op het signaal afstemmen gelegenheid te geven de draad op te pakken.
De informatiestrooin bestaat uit een primaire stroom (dx-direct transmission) en een secundaire stroom (rx-repeated transmission). De rx-stroom is een herhaling van de dxstroom. Afwisselend wordt een karakter uit de ene en een karakter uit de andere stroom uitgezonden. De karakters van de rx-stroom komen 280 ms na de dx-stroom. Op die manier heeft de ontvanger twee keer de mogelijkheid te kijken of de 3:4 verhouding klopt. Daarna wordt het teken geprint. Als beide mogelijkheden fout zijn wordt er een spatie geprint. Zo komen er alleen maar karakters op het scherm die goed zijn ontvangen. Zie fig. 3.

Fig. 3.
Het is duidelijk dat dit alles werk voor de computer is. Bij (AM)TOR moet een heel protocol gevolgd worden om de informatie te versturen, terwijl bij Baudot gewoon de karakters die je intikt meteen weggestuurd worden zonder dat er verder iets mee gedaan hoeft te worden. Er komt nog bij dat TOR een synchroon systeem is, dus zonder start- en stopbits, maar met synchronisatieblokken aan het begin van de verbinding om zender en ontvanger met elkaar in de pas te laten lopen en verder alles achter elkaar. Baudot is een asynchroon systeem, de zender en ontvanger hoeven alleen maar met elkaar in de pas te lopen tijdens een teken (start-stopsysteem).
Wie van (AM)TOR precies het naadje van de kous wil weten verwijs ik naar het uitstekende artikel hierover in Electron van augustus 1981.
Packetradio is ook een protocol om gegevens te versturen. Er wordt gewerkt met packets, dit zijn asynchrone datablokken van 256 Bytes, meestal ASCII tekens, met een kop en een staart eraan waarin een aantal gegevens is opgeslagen. (Een Byte is een kombinatie van 8 bits die samen een teken weergeven. Een bit kan de waarde 1 of 0 hebben.)
De opbouw van een packet is bij het AX-25 protocol, wat de standaard moet gaan worden, als volgt:
| FLAG | ADRES | CONTROLE | DATA | FCS | FLAG |
|---|---|---|---|---|---|
| 1 Byte | 16 of 24 Bytes | 2 Bytes | 256 Bytes | 2 Bytes | 1 Byte |
De FLAG aan het begin is een uniek teken dat het begin van een packet aangeeft. Het ADRES geeft de roepnaam van het tegenstation aan waarmee men in verbinding is. Als er verschillende verbindingen op hetzelfde kanaal aan de gang zijn kan je zo de packets voor jou eruit vissen. Het CONTROLE veld geeft het doel van de packet aan, b.v. begin of eind van de verbinding, overgang van zenden naar ontvangen of een verzoek om een herhaling. Het DATA veld bevat de eigenlijke gegevens die verzonden kunnen worden en kan in lengte varieren tussen 0 en 256 bytes. De FCS is de uitkomst van een bepaalde kontroleberekening die is uitgevoerd naar aanleiding van de inhoud van het verzonden packet. Als de uitkomst van de berekening aan de ontvangende kant hetzelfde is als in het FCS veld staat is het packet goed aangekomen, zo niet dan moet het opnieuw opgevraagd worden.
De FLAG aan het einde sluit het packet af.
Tijdens een verbinding sturen de stations deze packets naar elkaar toe. Dit gaat meestal in een snelheid van 1200 baud met tonen van 1200 en 2200 Hz.
De inhoud van het DATA veld kan heel verschillend zijn. Het kunnen Baudottekens zijn, maar ook ASCII tekens of binaire computergegevens. Het kan ook leeg zijn, bijvoorbeeld als het packet gebruikt wordt om aan te geven dat een ander packet al of niet goed ontvangen is.
Het moge duidelijk zijn dat het samenstellen van deze packets (vaststellen van de kop en de staart en deze aan de gegevens vastknopen), het versturen ervan in de juiste snelheden en het zonodig herhalen van een packet en bij ontvangst het vaststellen of het packet wel voor jou is en zo ja of het goed is aangekomen enzovoort enzovoort, een heleboel gereken van de computer vergt, wat ook nog eens zo snel moet gebeuren dat het programma wat de binnenkomende gegevens verwerkt of de uitgaande gegevens samenstelt ook nog tijd van leven heeft.
Om ervoor te zorgen dat alles soepel blijft lopen wordt meestal de eigenlijke packet-radio verbinding verzorgd door een aparte controller, die dan als alles goed is aangekomen de gegevens doorgeeft aan de hoofdcomputer. Deze controller is zelf ook een computer die alleen als taak heeft voor de verbinding te zorgen. Hij wordt Terminal Node Controller (TNC) genoemd. Aan het ene eind van de TNC zit een RS-232 aansluiting voor de computer en aan het andere eind zit de mikrofoon, PTT en luidsprekeraansluiting voor de zendontvanger. Het omzetten van de computersignalen in geluid en andersom wordt dus ook door de TNC gedaan.
Packetradio is naast het verzenden van teksten bij uitstek geschikt voor het verzenden van computerprogramma's en -gegevens. Van elk ontvangen packet weet je namelijk 100% zeker dat het goed is aangekomen als het door de TNC aan de hoofdcomputer van de amateur wordt doorgegeven.
Een TNC kan behalve het verzorgen van een verbinding tussen twee stations ook als zgn. digipeater werken, ofwel een bericht van een station aan meerdere stations doorgeven.
Op die manier wordt het opzetten van een mailbox een stuk eenvoudiger.
Zoals je ziet zijn de mogelijkheden bij het packetradio gebeuren zeer groot. Packet-radio is meer dan alleen maar een afspraak over hoe de te verzenden data gecodeerd moet worden, het is een hele kluit afspraken over hoe een verbinding onderhouden moet worden. Naast het digipeater-gebeuren wat ik al noemde is het ook mogelijk dat station A en B een verbinding maken op hetzelfde kanaal waarop station C en D al aan het werken waren. De TNC's zoeken zelf uit wanneer wie zijn packet verstuurd wordt zodat de twee verbindingen geen hinder van elkaar hebben. Er zijn nog een heleboel mogelijkheden te noemen, zoals een mailbox die packetradio berichten omzet in een andere mode, bijvoorbeeld amtor, zodat ook andere amateurs ervan kunnen profiteren (dat wordt een gateway genoemd) enzovoort enzovoort.
Wie nog meer van het packetradio gebeuren wil afweten verwijs ik naar het artikel in Electron van november 1985.
Het enige nadeel is nog dat de TNC's op het ogenblik nog zeer duur zijn, bijna 1000 gulden, maar er gaan geruchten dat er al aan materiaal wordt gewerkt dat een heel wat amateurvriendelijker prijsje heeft.
lk hoop dat deze uiteenzetting de verschillen tussen de diverse modes wat verduidelijkt heeft. Er zal nog wel heel wat diskussie volgen over welke mode je nu het beste kan gebruiken. Packetradio werkt heel goed, maar is erg duur. Amtor is een goed alternatief maar zelfs dat is nog niet echt ingeburgerd vanwege de toch ook wel gepeperde prijzen van de kant-en-klaar apparatuur en het feit dat het niet met iedere home-computer mogelijk is amtor te bedrijven omdat het een synchroon systeem is waarbij de timing erg belangrijk is. Voor de P2000 is recentelijk een timing-module + amtor-programmatuur verschenen voor een zeer schappelijke prijs, dus we zijn al op de goede weg wat dat betreft. Maar ik heb zo'n vermoeden dat de gewone amateur en DX-er nog heel Lang met het Baudot-systeem zullen blijven werken.
Kees Strayers, PE1KRG.