Al tijden kom je in diverse schakelingen het IC de NE555 tegen. Dit IC, dat haast niets kost, kan voor vele timer-doeleinden gebruikt worden, b.v.:
Er zijn natuurlijk veel meer mogelijkheden dan hierboven zijn opgenoemd!
De NE555 bestaat ook in een dubbele uitvoering. Het type is dan NE556, dus voor alle schakelingen waar twee keer de NE555 nodig is kan de NE556 gebruikt worden. De pennummering is echter wel anders, daar de 555 in een 8 pens behuizing zit en de 556 in een 14 pens behuizing.
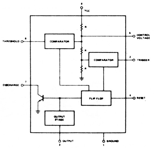
De aansluitingen en funkties van de pennen voor de NE555:
| 1 | ground |
| 2 | trigger |
| 3 | output |
| 4 | reset |
| 5 | control voltage |
| 6 | treshold |
| 7 | discharge |
| 8 | Vcc (voeding) |
Enige elektrische gegevens:
Voedingsspanning min. 4,5 V, max. 16 V.
Stroomopname zonder belasting Vcc = 15 V, max. 15 mA.
Treshold-voltage ⅔ × Vcc.
Trigger-voltage Vcc = 15 V: 5 V.
Reset-voltage: max. 1 V.
Max. stroom door de uitgang naar 'ground': 200 mA.
Max. frequentie (astable) 300 kHz.
De NE555 en NE556 kunnen op verschillende manieren worden geschakeld, nl. monostabiel (oneshot) of astabiel (oscillator), of een kombinatie van beide (556).

Fig. 1.
In fig. 2 ziet u het schema voor de monostabiele schakeling. Voor de 'timing' is maar 1 weerstand en 1 condensator nodig.

Fig. 2.
In de rusttoestand zal de transistor in de timer de condensator ontladen houden, zodra er echter op de 'trigger' ingang een van hoog naar laag gaande puls wordt aangeboden, dan zal de flipflop in de timer omschakelen en de transistor uitgeleiding brengen. De 'uitgang' van de timer wordt nu 'hoog'. Het gevolg is dat de spanning over de condensator gaat stijgen. Als de condensator tot op ⅔ van de voedingsspanning is opgeladen, dan zal de comparator de flipflop reset-ten, de 'uitgang' wordt weer laag en de condensator wordt zeer snel ontladen door de transistor.
De flipflop in de timer zal pas omschakelen als de 'trigger' puls tot op ⅓ van Vcc (voeding) is gedaald.
De 'duty cycle' is normaal begrenst tot 50%, echter meer dan 50% kan bereikt worden door het aanbrengen van een extra diode.
In de beschreven schakeling is de 'trigger' puls korter dan de ingestelde RC tijd. De reset-aansluiting staat normaal 'hoog', de flipflop zal resetten als de reset-ingang 'laag' wordt gemaakt.
Daar de timer schakelt op ⅓ en ⅔ van Vcc (de voeding) zal de ingestelde tijd niet verlopen als de voedingsspanning niet geheel stabiel is!! Slim… nietwaar??
Als de reset-aansluiting niet wordt gebruikt, sluit deze dan aan op de plus van de voeding, dit voorkomt dat de timer vals gaat 'triggeren'.
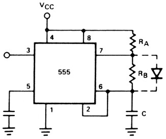
De schakeling staat in fig. 3. In deze schakeling zijn de pennen 2 en 6, trigger en treshold met elkaar doorverbonden.

Fig. 3.
De timer zal zichzelf dan triggeren en werken als oscillator. De condensator zal laden via RA + RB en ontladen door RB, dus de aan/ uit verhouding (duty cycle) van de opgewekte blokspanning kan precies ingesteld worden door de verhouding van deze twee weerstanden!
De formules staan in fig. 4. Een kind kan hier de was doen…

Fig. 4.
De werking is ongeveer gelijk aan de monostabiele schakeling wat nivo's e.d. betreft. De timer heeft echter nog een aansluiting, nl. 'control voltage'. Deze aansluiting is primair bedoeld voor filtering als de timer wordt gebruikt in een omgeving waar veel storing (ruis) is. Normaal zit aan deze aansluiting dan ook een keramische condensator van 10 nF, het is echter mogelijk de timing te veranderen door op dit punt een instelbare spanning aan te sluiten.

Fig. 5. De 'trigger' puls moet dalen tot op ⅓ van Vcc voor de timer gaat 'triggeren'.

Fig. 6. De timer krijgt een 'trigger' op de afgaande flank, de trigger puts moet korter zijn dan de RC tijd interval. Blijft de trigger 'laag', dan bllift de uitgang 'hoog' tot er opnieuw een trigger-puls komt.

Fig. 7.

Fig. 8. Als de 'reset' aansluiting boven de 1 Volt is, zal de timer normaal funktioneren. Komt de reset-spanning onder de 0,4 Volt, dan is de uitgang laag, ook als de reset weer boven de 1 Volt komt. Een 'trigger'-puls is dan weer nodig om deze toestand to veranderen.

Fig. 9. De 555 timer kan tot boven de 300 kHz oscilleren, alhoewel voor de temperatuurstabiliteit de grens ongeveer 200 kHz is.

Fig. 10. Schema vertraagde 'licht uit' schakeling.

Fig. 11.

Fig. 12.
De spanning mag varieren van 45% tot 90% van Vcc bij de monostabiele mode en van 1,7 V tot Vcc in de astabiele mode.
Het is echter beter i.v.m. de stabiliteit de tijden in te stellen met de weerstanden en de condensator.
Hopelijk is de 555/556 nu ook bij u populair geworden. De toepassingen zijn te veel om op te noemen.
Heeft u een leuke schakeling, stuur deze dan ook eens naar de redaktie en goof het schema niet in 'de' oude schoenendoos in de shack!!
PA0FKM.