Een gewoon draadje zal je zo op het eerste gezicht zeggen. Nu, dat is het ook: een draadje van 10 cm lang en 1 mm dik. Niets bijzonders mee aan de hand. Alhoewel…

Fig. 1.
Dit draadje is ook een spoeltje van ca 0,1 µH, een spoeltje met een erg lage waarde en we hoeven het niet eens te wikkelen. Op 80 meter heeft het spoeltje een impedantie van zo'n 2 Ω, niet iets om je druk over te maken, maar op 2 meter hebben we te maken met een impedantie van ongeveer 100 Ohm! Stel dat we dit draadje in een twee meter set gebruiken om de antenne-uitgang met de eindtrap te verbinden (zie fig. 2).

Fig. 2.
Om 50 Volt op de antenne-aansluiting te krijgen moet U-in dus 115 Volt bedragen. Nu kan over een ideale spoel weliswaar geen vermogen verloren gaan, maar dit dunne en onverzilverde draadje vormt in ieder geval geen ideale spoel. Zeker is dat zelfs bij een ideaal draadje de 50 Ohm aanpassing van de eindtrap geheel de mist in gaat. Zorg dus voor zo kort mogelijke draden. Als het echt niet anders kan, voeg dan een trimmer toe. Met een C van ca 12 pF kunnen we met het draadje een seriekring vormen. Met een goed verzilverd draadje kan een spoeltje met een hoge Q gevormd worden, dat samen met de C een zeer lage impedantie heeft (zie fig. 3).

Fig. 3.
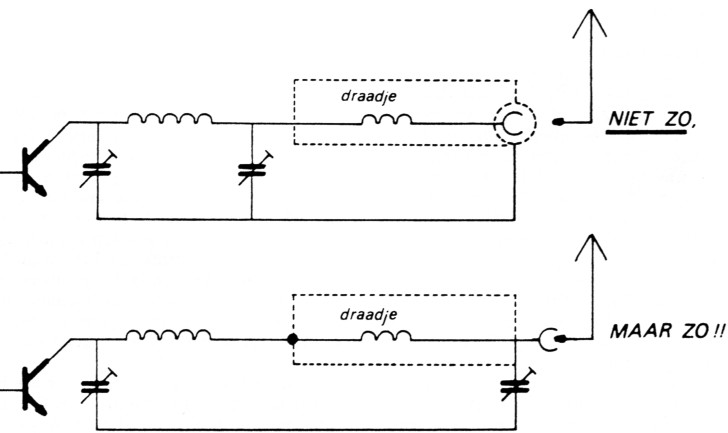
Een andere mogelijkheid is: last de zelfinduktie van het draadje deel uitmaken van het pi-filter van de PA.

Fig. 4.
En zo kan een klein draadje… grote gevolgen hebben.
Bastiaan, PE1MJS.