
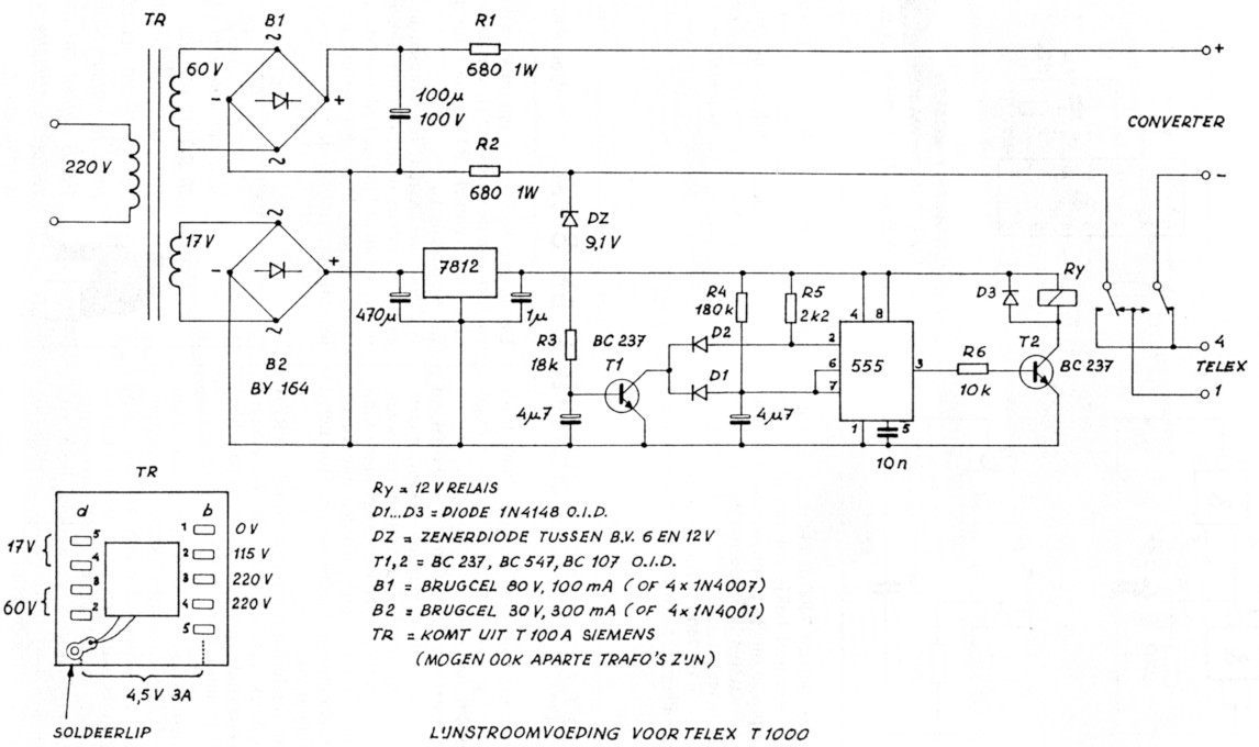
Indien men op de telexmachine de oproeptoets indrukt gaat er lijnstroom lopen via +B1, R1, converter, relais en B1.
Over R2 komt nu spanning to staan, hierdoor gaat T1 geleiden via Dz en R3. Via Dz wordt nu de 555 op pen 2 getriggerd. De uitgang pen 3 van de 555 wordt nu 'hoog', waardoor T2 gaat geleiden en het relais RY omklapt.
De spanning (juister is stroom door) op de telex wordt nu omgepoold, waardoor de machine wordt ingeschakeld. Laat men de oproeptoets nu los, dan wordt de lijnstroom in stand gehouden. Bij elk seinteken zorgt de 555 ervoor dat het relais niet 'terugklape. D1 houdt de ingang pen 2 van de 555 'laag', zodat zijn uitgang pen 3 'hoog' blijft.
Dus tijdens de seintekens en de pauzes blijft pen 3 'hoog' en het relais aangetrokken. Drukt men nu op de machine op de sluittoets, dan wordt de lijnstroom onderbroken. Na 1 à 2 sekonden 'vasthouden' kan de 555 zijn timing cyclus beeindigen, waardoor pen 3 'laag' wordt. Het relais valt nu of en de lijnstroom wordt omgepoold, waardoor de machine uitgeschakeld wordt. De 'lus' moet via de converter gesloten zijn, anders werkt de zaak niet! Altijd de converter op 'standby' zetten voor de machine aan- of uitgezet wordt. Indien de converter kontinu een 'space' ontvangt, waardoor de lus a.h.w. 'open' is, zal ry ook afvallen. De machine kan dan echter niet uitschakelen, omdat de lus 'open' is (geen lijnstroom!).
Zodra de converter weer 'mark' geeft, schakelt het relais weer om. De machine wordt dus niet uitgeschakeld bij een langere space.
Peter, PE1HHY.