In de huidige generatie amateur mobilofoons en portofoons is het mogelijk om een module te kopen, waardoor er gewerkt kan worden met toonsquelch. Sub-audio, toonsquelch, 'Continuous Tone Controlled Squelch Systems' (CTCSS) en private line zijn begrippen, die steeds hetzelfde betekenen. Bij de modulatie van het zender signaal wordt een toon bijgemengd, waardoor het signaal zich onderscheidt van andere signalen. In de professionele wereld wordt het systeem van toonsquelch al enige jaren gebruikt om onderscheid te kunnen maken tussen gewenste (eigen) stations en ongewenste stations (ook wel storing genoemd).
Er zijn afspraken gemaakt voor wat betreft de frequenties van de tonen; totaal zijn er 37 verschillende tonen beschikbaar.
De toonfrequenties zijn:
| 01 | 67,0 Hz | 20 | 136,5 Hz |
| 02 | 71,9 Hz | 21 | 141,3 Hz |
| 03 | 74,4 Hz | 22 | 146,2 Hz |
| 04 | 77,0 Hz | 23 | 151,4 Hz |
| 05 | 79,4 Hz | 24 | 156,7 Hz |
| 06 | 82,5 Hz | 25 | 162,2 Hz |
| 07 | 85,4 Hz | 26 | 167,9 Hz |
| 08 | 88,5 Hz | 27 | 173,8 Hz |
| 09 | 91,5 Hz | 28 | 179,9 Hz |
| 10 | 94,8 Hz | 29 | 186,2 Hz |
| 11 | 100,0 Hz | 30 | 192,8 Hz |
| 12 | 103,5 Hz | 31 | 203,5 Hz |
| 13 | 107,2 Hz | 32 | 210,7 Hz |
| 14 | 110,9 Hz | 33 | 218,1 Hz |
| 15 | 114,8 Hz | 34 | 225,7 Hz |
| 16 | 118,8 Hz | 35 | 233,6 Hz |
| 17 | 123,0 Hz | 36 | 241,8 Hz |
| 18 | 127,3 Hz | 37 | 250,3 Hz |
| 19 | 131,8 Hz |
We zien, dat op een enkele uitzondering na, de frequenties van de tonen slechts 3,5 procent uit elkaar liggen. Om goed te kunnen detecteren dienen de toonontvanger en toonzender zeer nauwkeurig en stabiel te zijn, ook voor variaties van temperatuur en voedingsspanning. In de praktijk betekent dit, dat de toonzender en toonontvanger kristalgestuurd moeten zijn.
In de toonzender worden de tonen rechtstreeks afgeleid van een kristal. We mogen echter geen blokgolfspanning gebruiken, want door de grote hoeveelheid harmonischen van een blokgolf zal bij de spraak altijd brom te horen zijn. Om een vervormingsarm signaal te verkrijgen wordt vanuit de kristaloscillator vaak eerst een pseudosinusvormige spanning gemaakt. Deze spanning bestaat uit bijvoorbeeld acht spanningsniveaus (zie tekening 1). Omdat de spanningsvorm al een beetje op een sinus begint te lijken, is het uitgangsspectrum al wat 'schoner' geworden, dat wil zeggen, dat er met een eenvoudig filter een vervormingsarme sinusvorm ontstaat.

Tek. 1.
Omdat in de normale audioweg voor de microfoon (de modulatieversterker) diverse filters zijn opgenomen, worden frequenties on-der 300 Hz niet doorgelaten. Het is dus noodzakelijk om het toonsquelch signaal, achter de modulatieversterker, rechtstreeks op de modulator in te koppelen. In veel van de huidige transceivers is een speciale ingang voor toonsquelch voorbereid. Er is afgesproken, dat de deviatie van het toonsquelch signaal tussen 10 en 20 procent van de maxima-le deviatie moet liggen; bij amateurapparatuur is dat dus tussen 500 Hz en 1 kHz (in een 25 kHz raster bedraagt de maximale deviatie 5 kHz). De vervorming mag maximaal zo'n 2 procent zijn om een onderdrukking van brom te krijgen van 34 dB. Daar de tonen internationaal zijn vastgesteld is er in Europa om begrijpelijke redenen 1 toon niet bruikbaar (toon 11).
Het is al vermeld, dat de toonontvanger van een zeer stabiel type moet zijn. Een filter, dat kristalgestuurd is, is een goede mogelijkheid om de stabiliteit te verkrijgen. Er wordt gebruik gemaakt van een zogenoemd 'switched capacitor filter' (SCAF). Met een dergelijk type filter is het mogelijk om een kleine bandbreedte te behalen. Er zijn diverse fabrikanten van kant en klare filters en van kant en klare toonsquelch zendontvangers.
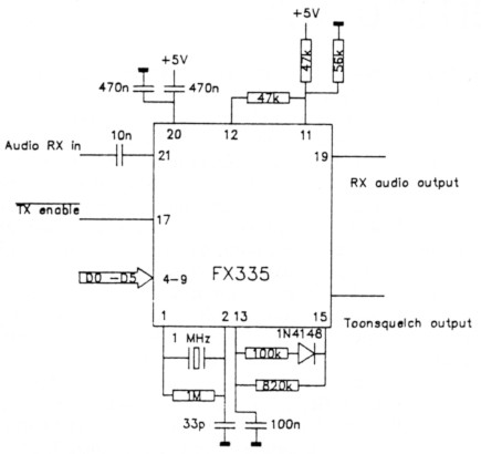
Om toonsquelch te kunnen zenden en ontvangen kan gebruik gemaakt worden van IC's van de Engelse fabrikant CML (vertegenwoordigd door Heynen te Gennep). Met de FX315 (encoder) kan een toonsquelch zender worden gebouwd. Het aantrekkelijke van het gebruik van een dergelijk IC is de zeer kleine hoeveelheid van externe componenten (tekening 2). Een FX335 kan zowel toonsquelch zenden als toonsquelch ontvangen, zij het, dat er slechts 1 instelmogelijkheid is en dus zijn de zender en ontvangertonen dezelfde (tekening 3).

Tek. 2

Tek. 3.
Het is te voorzien, dat in de toekomst steeds meer gebruik zal worden gemaakt van toonsquelch. Op de huidige 70 cm relaisstations wordt al veel met toonsquelch gewerkt. Wanneer de relaisstations met toonsquelch kunnen worden bestuurd (in plaats van 1750 Hz) kan met afspraken tussen de houders van machtigingen voor relaisstations worden bereikt, dat er op eenzelfde frequentie meer stations kunnen worden opgesteld, zij het met een andere toonsquelch frequentie, waardoor men toch alleen het station hoort, dat men ook wil horen.
Moderne relaisstations kunnen, behalve toonsquelch ontvangen en uitzenden, ook toonsquelch relayeren, zodat via het relaisstation een selectieve oproepmogelijkheid wordt gecrederd. Uiteraard moet men dan zelf een niet in de omgeving gebruikte toon nemen. In professionele kringen worden, om bromproblemen te voorkomen, geen tonen gebruikt boven 150 Hz.
Uiteraard is het ook mogelijk om zelf een toonsquelch-zender en -ontvanger te maken. Het bezwaar is echter de grootte van de print omdat er nogal wat componenten noodzakelijk zijn. De grote fabrikanten van amateurapparatuur hebben allemaal een printje voor een redelijke prijs beschikbaar voor inbouw in een mobilofoon of portofoon. Met enige veranderingen is het mogelijk om dergelijke printjes ook te gebruiken voor andere apparatuur, dan de portofoon of mobilofoon, waarvoor het printje in oorsprong is bedoeld.