Wel eens je lippen verbrand aan een microfoon? Daarbij ook gerapporteerd gekregen dat er 'terugwerking' op het signaal zat? Wilde de elbug plotseling ook geen fatsoenlijk teken meer produceren? Waarschijnlijk kwam het allemaal doordat er geen, of geen goede aarde aan de zender was geknoopt. Wel een rand-geaarde steker gebruikt? Allemaal raadsels, die door HF velden in de shack worden veroorzaakt. Zoals ik in het artikeltje over de Windom antenne in het kerstnummer al opmerkte: een goede tegencapaciteit is een 'must' bij enkeldraads gevoede antennes. De centrale verwarming aan de set binden wil wel eens helpen, maar ook die biedt niet altijd een oplossing voor de hierboven geschetste problemen.
In de eerste plaats moet natuurlijk elke amateurshack randgeaarde stopcontacten hebben voor de veiligheid. Ook is het beter een 'klik' in de meterkast te horen van de aardlekschakelaar, dan een dreun van de faze van het lichtnet te krijgen als we weer eens perse aan lets zitten te prutsen waar nog stroom op staat Voor 50 Hz heeft zo'n aardleiding een goede functie, maar heeft die dat ook voor 3,5 MHz of 14 MHz? In de meeste gevallen zit-ten zendamateurs 'boven', zelfs 'op zolder' is niet uit te sluiten. Er zit dus aardig wat koperdraad in de muren. Die draden moeten, bij een enkeldraads gevoede antenne de retourweg vormen voor de HF energie die wij in deze antenne stoppen. De aanpassing van de antenne is zo geregeld (fig. 1): een flinke rolspoel, een draaicondensator met, afhankelijk van het gebruikte vermogen, voldoende plaatafstand en een SWR meter, eventueel een veldsterktemeter, een thermokoppelmeter of zelfs een fietslampje is alles wat je nodig hebt. Maar dan komen die problemen juist om de hoek kijken, want de aanpassing van de zenderuitgang (en de ontvangeringang) zijn prima voor elkaar en de aanpassing aan de tegencapaciteit is dat meestal niet. Die draden in de muur hebben vast niet dezelfde impedantie! Hiervoor kan een tweede rolspoel, een draaicondensator en een HF stroommetertje een oplossing bieden.

Fig. 1
In figuur 2 staat zo'n schakelingetje getekend. Het bestaat uit een HF stroommeter en een seriekring. In feite is dit een variant van de vele manieren om een stuk draad aan te passen.

Fig. 2.
Uiteraard kan er voor de spoel ook iets worden gemaakt met aftakkingen en een schakelaar (fig. 3).

Fig. 3.
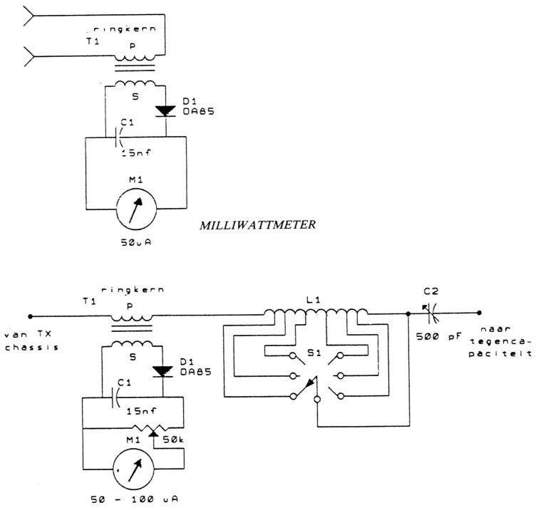
Voor het maken van de spoel kunnen we bijvoorbeeld een stuk 2½2 koperdraad nemen en die om een vorm van 38 mm wikkelen. Een stuk of 12 windingen is meestal wel genoeg. De schakelaar, met een stuk of zes a acht standen, vervangt dan het rolcontact. Neem hiervoor liefst een keramische schakelaar, hoewel bij niet te veel vermogen ook een pertinax schakelaar kan worden gebruikt. Op elke tweede winding van de spoel komt dan een aftakking, welke op de schakelaar wordt aangesloten. Het moedercontact komt aan de condensator, dus de spoel wordt meer of minder kortgesloten. Indien een schakelaar met meer dan 6 standen wordt gebruikt kunnen er meer windingen worden bij- en afgeschakeld. Begin dan met elke winding een aftakking, dat biedt vooral op de hogere banden een wat nauwkeuriger afstemmogelijkheid. De condensator moet geisoleerd worden opgesteld en voorzien worden van een geIsoleerde as, of askoppeling. De HF stroommeter kan een gevoelige thermokoppelmeter zijn of een lampje. Omdat we de HF 'aard' stroom willen meten kunnen we hier dus Oen veldsterktemeter gebruiken. Een stroommeter met een ringkern is eenvoudig te maken en kan hier ook kleine stromen goed meten. Voor de meter kan een draaispoelmeter van 50 à 100 µA worden genomen. Voor de ringkern kan een Amidon T 50-2 worden gebruikt. Ik heb een kleine 4C6 ( = paars) ringkern van 14 mm doorsnede gebruikt. De primaire 2 windingen kan worden gemaakt van het einde van de spoel of van een stukje 2½2. Wees wel voorzichtig dat de ringkern niet breekt! De secundaire wikkeling bestaat uit 10 à 12 windingen 0,5 mm geemailleerd koperdraad. Monteer de diode, C2 de potmeter en het draaispoelmetertje zo dicht mogelijk bij elkaar. Het is het beste deze onderdelen niet te aarden en eventueel af te schermen, zodat de diode niet beïnvloed wordt door HF spanning en alleen de gelijkgerichte HF stroom wordt aangewezen. Uiteraard kan deze HF stroommeter ook worden gebruikt om feederbalans te controleren, bij dipolen met een 600 Ω lijn. Ook laat deze schakeling zich prima gebruiken als eenvoudige milliwattmeter (fig. 4), waarmee, met een metertje van 50 µA, vermogens van 0,1 milliwatt over 50Ω goed af te lezen zijn. Voor de af te stemmen tegencapaciteit kan het beste een willekeurig stuk draad worden gebruikt, wat naar een 'eigen' aardpunt loopt, bijvoorbeeld een stuk pijp in de grond of de waterleiding, waar deze het huis binnenkomt.
Ik heb ook nog de dakgoot als tegencapaciteit geprobeerd, maar de aardleiding voldeed hier het beste.
Tnx info: PA0HT en PA2YZA.
Peter, PA0PJE.