
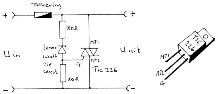
Met deze schakeling kunt u uw apparatuur tegen een te hoge voedingsspanning en/of verkeerd aangesloten polariteit beveiligen. De werking is als volgt: wordt de spanning U-in groter dan de zenerspanning, dan gaat de triac geleiden en sneuvelt de zekering. Wanner de spanning verkeerd om wordt aangesloten zal de zekering ook de geest geven, want nu staat de zener in geleiderichting en de triac zal ook nu U-uit kortsluiten.
De aanspreekspanning van de schakeling is de zenerspanning + 1 volt, een schakeling werkend op 13,8 V moet dus beveiligd worden met een zener van 12,8 V. Een voordeel van deze beveiliging is dat er in gebruikstoestand geen spanningsverlies optreedt.