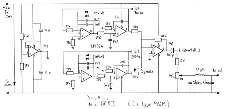
Van OM Gerard PE0KGZ uit Zevenbergen kreeg ik het volgende ontwerpje toegestuurd. Dit simpele kleine generatortje is te gebruiken voor het afregelen van een SSB-zender, zoals beschreven in het ARRL Handbook. Op de microfoon aangesloten geeft het een mengprodukt van 2 sinusvormige signalen. Een tone van 700 Hz en een tone van 1900 Hz. De stroom die het gehele apparaat opneemt is 2 mA. Dus met een 9 Volt batterijtje kunt u lang doen.

Fig. 1. Schema.
Het ontwerp is al door diverse amateurs nagebouwd en het werkt zeer goed. Mocht u ook een leuk ontwerp hebben of andere interessante dingen, stuur het dan eens op. Het behoeft echt geen High-Tech te zijn. Dit was het voor deze keer en veel knutselplezier toegewenst.

W.D.S. de Vries, PA3FSY.