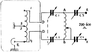
Deze balanstuner (figuur 1) bestaat eigenlijk uit een dubbele T-match. Een enkele T-match ziet u in figuur 2. De dubbele uitvoering wordt aangestuurd dan wel aangepast met een 1:4 balun. Deze is gemaakt op een ringkern, maar een ferrietstaaf voldoet hier ook. Het aanbrengen van de wikkelingen op de staaf is eigenlijk gemakkelijker dan op een ringkern en men kan de staaf ferriet zo verschuiven tot de wikkeling precies in het midden zit. De onbewikkelde uiteinden moeten gelijk zijn. Als men een ringkern gebruikt moet men deze ook geheel bewikkelen met ongeveer 12 windingen.

Fig. 1.

Fig. 2.
De uitgangsimpedantie van de zender is 50 Ohm asymmetrisch (zie ingang tuner punt E). Door de 1:4 balun wordt deze impedantie omgezet naar 200 Ohm balans (symmetrisch), zie punten D-D. De impedantie tussen deze punten blijft constant 200 Ohm als het PI-filter van de zender op 50 Ohm is afgetuned. Bij een zender met een breedbandige torren-eindtrap is dit alweer een zorg minder, deze staat altijd op 50 Ohm. Dit is een voordeel, want als dit niet zo was en men de balun in het antenne voedingspunt zou hangen en van de ene kant van de band naar de andere kant zou draaien, dan zou de 1:4 balun dat niet leuk vinden, met alle gevolgen van dien (TVI). Dit gebeurt echter niet als u deze balun direct achter uw zender zou plaatsen. De punten A-B zijn erg hoogohmig, de punten D-D zijn 200 Ohm. De condensatoren C1 en C2 zorgen voor aanpassing van 200 Ohm naar hoogohmig. Dat eist bij deze condensatoren een grote plaatafstand. Ze moeten bovendien op 1 as werken en de assen moeten gelsoleerd van elkaar zijn. U ziet dat in figuur 1. De condensatoren C3 - C4 moeten ook een grote plaatafstand hebben, de punten A en B naar X is van hoogohmig naar 200 - 600 Ohm, dus geschikt om een antenne to voeden met een openlijn. Nu even de spoel; dit kan een rolspoel zijn, doch deze kan ook geschakeld zijn. Een rolspoel is hier wel het mooiste. De punten D, B, A en D zorgen voor de L/C-kring, de punten A, X, X en B voor het afstemmen van de antenne. De condensatoren C3 = C4 hoeven niet op 1 as, dan kunt u zo de openlijn in balans tunen en als dan de antenne ook in balans is, beide stralingseinden even Lang, dan heeft men een optimale antenne.

Fig. 3.
Nog een opmerking bij de bouw van de tuner; houdt de bedrading zo kort mogelijk, denk om de meespelende zelfinductie, dit in het bijzonder voor de 10 meterband. Deze tuner heb ik gebouwd alleen voor de 10 meterband en met 2 × 20 meter antenne, plus 12,8 meter openlijn en deed niet onder voor de 2 elements beam. De punten D, B, A en D worden bepaald met de griddipper. De spoel is 5 à 6 cm doorsnee en ongeveer 22 windingen. C1 = C2 zijn ±100 pF met een zo klein mogelijke nulcapaciteit (dit voor de 10 meterband). C3 en C4 zijn beide ongeveer 150 pF. Als u het schema bekijkt (figuur 1) dan ziet u dat alleen de ingang bij de balun is geaard. De rest is heet, dus gelsoleerd opstellen en dit met de hoogste eisen. Het geheel is de moeite waard om mee to experimenteren en ik wens u veel succes.
Nico, PA0UNT.