Het meten van een frequentie is voor amateurs altijd een ingewikkelde en relatief onnauwkeurige geschiedenis geweest totdat de digitate techniek zijn intrede deed en betaalbaar werd.
De eenvoudigste manier om de frequentie van een RF-signaal te meten is m.b.v. de absorbtiemeter, die overeenkomt met de aller eenvoudigste ontvanger - de kristalontvanger - uit aflevering 6 van deze rubriek (CQ-PA nr. 8 '95). IJken we de schaal van de afstemcondensator dan kunnen we daarop, bij maximale uitslag van de meter, de frequentie aflezen. Met de meeste dippers is deze manier van meten mogelijk en vanwege de verwisselbare spoelen over een groot frequentiegebied. Helaas zijn de metingen bijzonder onnauwkeurig.
Met 'heterodyne' (influiten) gaat het meten al veel nauwkeuriger.
Men neme een mengtrap (mixer) en stoppen in een ingang het te meten signaal en voeren de andere ingang met het signaal uit een oscillator. Aan de uitgang van de mixer vinden we naast de signalen die we aan beide ingangen hebben aangeboden ook nog eens de som en het verschil van deze twee signalen. Deze somen verschilfrequentie zullen over het algemeen buiten ons gehoorspectrum liggen, maar als het oscillatorsignaal in frequentie dicht bij het te meten signaal ligt is het verschil als audiotoon hoorbaar te maken. Draaien we de oscillator exact op de te meten frequentie dan wordt de verschiltoon nul Herz of in goed Nederlands: 'zero beat'.

Tonen beneden een frequentie van ca. 20 Hz kunnen onze oren niet meer horen en willen we nog nauwkeuriger influiten dan zullen we een olifant in dienst moeten nemen want die kan het wel. Afgezien van die olifant hebben we nog een probleem: hoe weten we de exacte frequentie van de regelbare oscillator? Die kunnen we eigenlijk alleen maar aflezen van de schaal en die was vroeger nog niet digitaal. Het nauwkeurig ijken van de schaal is echter redelijk te realiseren door het afstemmen op een station met een bekende frequentie. De frequentienauwkeurigheid van omroepstations op midden-, langegolf en de TV-zenders (niet :a de kabel!) is enorm en een factor 1000 beter dan er met een gewoon kristal realiseerbaar is. Het is jammer dat er weinig mooie ronde ijkwaarden zijn door het 9 kHz raster waarop de MG en LG zenders zitten. Op de kortegolf kunt u nog speciale ijkzenders vinden op o.a. 2.5, 5, 10, 15, ... MHz. (Pas op: het ijkstation van Moscow zit niet op 10 MHz maar op 9,996!)
Als ijkmixer is een ontvanger voor de betreffende band - in de stand AM! - goed bruikbaar. Voor het doen van metingen en het bepalen van de bandgrenzen op HF had een beetje amateur vroeger een kristaloscillator van 100 kHz in huis. Men liet het signaal flink vervormen waardoor in een 100 kHz raster fluitjes werden opgewekt tot ver in het korte golfgebied. Regelt men een dergelijke kristaloscillator nauwkeurig of op bijv. zijn 100e harmonische met behuip van de ijkzender WWV op 10 MHz dan is om de 100 kHz een nauwkeurig ijksignaal voorhanden. Heel wat oudere communicatie ontvangers hebben de 100 kHz ijkoscillator ingebouwd waardoor op de analoge schaal een afleesnauwkeurigheid van ± 1 kHz haalbaar is.
Dat de genoemde technieken om een frequentie te bepalen oud zijn wil niet zeggen dat zij achterhaald zijn en niet meer worden toegepast. We hebben er echter een nieuw speeltje bijgekregen: de digitale frequentieteller. De teller maakt een snelle uitlezing van een frequentie mogelijk en heeft de laatste jaren een zo laag prijsniveau bereikt dat dit handige apparaat niet in de amateurshack behoeft te ontbreken.
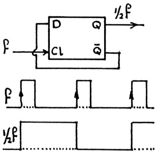
De werking van een teller laat zich eenvoudig beschrijven. Om een frequentie tot op de laatste Herz te me-ten nemen we een digitaal poortje en zetten het 'deurtje' precies 1 seconde open. Het aantal perioden (pulsen) van het te meten signaal dat in die ene seconde wordt doorgelaten komt dan exact overeen met de frequentie in Hz. De rest is een kwestie van tellen. Afgezien van practische problemen zoals het tellen en weergeven van het aantal pulsen op een display en het op niveau brengen van het ingangssignaal zodat de digitale IC's er iets mee kunnen zit er in dit systeem een zwakheid. De meting is zo nauwkeurig als de tijd is waarmee de poort geopend wordt. Deze tijd wordt vrijwel altijd afgeleid van een kristal.

Om de poort exact 1 seconde open te houden is een signaal nodig met een frequentie van precies ½ Hz en een 'duty cycle' van precies 50%. Voor het realiseren van een duty cycle van 50% (het evenlang '0' als '1' zijn van het signaal) bestaat een eenvoudige en doeltreffende truck: we delen het signaal met een flip/ flop een keer door twee en krijgen zo altijd 50-50.
Met de juiste tijd ligt dat wat moeilijker. Gewoonlijk wordt uitgegaan van een kristal dat oscilleert op bijv. 10 MHz. Delen we dit signaal met zeven 10-delers achter elkaar dan ontstaat een frequentie van 1 Hz. Nu nog even door de flip/flop halen en de verlangde frequentie van ½ Hz met een 50% duty cycle is gerealiseerd. De nauwkeurigheid van deze 'tijdbasis' is net zo goed of net zo slecht als die van de kristalfrequentie. Met een duur kristal en temperatuurstabilisatie is een nauwkeurigheid van maximaal 1:1.000.000 te halen. Met de gebruikelijke goedkope kristallen wordt de teller al gauw een factor 10 minder betrouwbaar, waarbij ik er maar even vanuit ga dat het kristal ooit eens echt op frequentie is gezet met de daarvoor bestemde trimmer. Een en ander betekent dat we met een gewone teller bij het meten van een 50 MHz signaal er gemakkelijk 500 Hz naast kunnen zitten. Soms is dat geen enkel bezwaar maar het kan nauwkeuriger.

Gebruiken we geen kristal als referentie voor de teller maar een sterke omroepzender dan is een nauwkeurigheid van 1:1.000.000.000 mogelijk. Bij 1 GHz ± 1 Hz! Dat gaan we doen. De ontvanger van de onweersdetector stellen we in op 747 kHz en 24 uur per dag in de lucht. Het signaal dat we op een ferrietstaaf binnen kunnen krijgen is veel te zwak om daar digitaal iets mee te kunnen doen en dat versterken we dus. Detectie passen we niet toe omdat het ons niet gaat om de modulatie maar om de nauwkeurige draaggolf.

De ontvanger is weer een toonbeeld van eenvoud en levert hier in Friesland binnenshuis een sterk genoeg signaal om het digitate spul aan te drijven. De antenne/spoel is weer een gewone ferrietstaaf uit een MG-transistorradio. Het zou kunnen voorkomen dat in uw woonomgeving te weinig signaal wordt afgegeven. Plaats in dat geval nog een extra versterkertrapje, gelijk aan T3 inclusief de C van 820pF. Voor de transistors voldoet vrijwel ieder modern NPN-type, bijv. BC548.
Het delen van de ongemakkelijke frequentie is gedaan volgens de methode die PA3GCW aangeeft in CQ-PA nr. 2 '94 met het artikel 'De n-deler'. Met deze methode is het mogelijk om een frequentie met ieder willekeurig deeltal 'n' te delen tot iets moois. lk heb gedeeld door 747 met de 4040 (Motorola 14040) tot de mooie ronde waarde van 1 kHz en daarna met de 4013 tot 500 Hz en 50% duty cycle. Voor een frequentieteller met een tijdbasis van 1 seconde is verder delen noodzakelijk, zie PA3GCW. Als laatste komt altijd de 4013. Deze deelt door 2 en geeft 50-50.

Niet alleen voor tellers kan een zeer nauwkeurige tijdbasis van belang zijn. Ook van PLL's en klokken kan deze beginnerstijdbasis de nauwkeurigheid met een factor 1000 of meer vergroten . . . Wat dacht u van een AM 747 klok met een afwijking van 1 seconde per 30 jaar? (Zal deze zender er over 30 jaar nog zijn?)
Met een aan u zelf gerichte en gefrankeerde enveloppe kunt u een kopie verkrijgen van 'De n-deler' via het adres in de kop van dit artikel. De volgende aflevering gaan we in op de konstruktie van dit soort eenvoudige projecten onder het motto: een printje? Daar beginnen we NIET aan!
Bastiaan, PA3FFZ.
In het aprilnummer van CQ-PA hebben we bekeken of, met gebruikmaking van een bekende omroepzender als referentie, een nauwkeurige frequentiestandaard gerealiseerd kan worden.
Henk, PEoHEP, maakte mij er op at-tent dat de freq. stabiliteit van Hilversum 747 of 1008 veel minder is dan in het verhaal geclaimd door PA3FFZ. De bewuste zenders kunnen er tot 10 Hz naast zitten!
Er zijn zenders die beter bruikbaar zijn, maar dan moeten we in de meeste gevallen maatregelen nemen i.v.m. faze-modulatie (BBC 198 kHz) of met fazeverschuiving door de weg die het signaal door de ether aflegt.
De beste manier is, om voor de frequentiestandaard de TV-lijnfrequentie (15625 Hz) als basis to gebruiken.
We komen hier in een latere aflevering nog op terug.