Heb je je nooit afgevraagd of uw zender HF-energie uitstraalde, of heb je ooit het stralingspatroon van uw antenne willen tekenen? Behalve als je een veldsterkte indicator hebt, is het moeilijk om gegevens te verkrijgen. Een gemakkelijke oplossing voor dit probleem is een veldsterkte indicator bouwen. Wanneer men deze in het direkte veld plaatst van de zender bekomt men een HF-indikatie. Voor de metingen van het stralingspatroon wordt de indicator -voorzien van een meter- in het verre veld geplaatst.
Een veldsterkte indicator is een eenvoudige ontvanger met een meter of LED om de aanwezigheid van HFenergie te tonen. Typisch heeft de indicator een lage gevoeligheid, maar reageert betrouwbaar op een sterk HF-energieveld. De lage gevoeligheid komt door het gebruik van een gewone detector zonder enige HF-versterking. Een HF-versterker voor de detector geeft een beduidende verhoging van de gevoeligheid. De toevoeging van een DC versterker na de detector zal de belasting van de detector verminderen en laat de schakeling toe een meter naar keuze aan te sturen.
Signaal naar de detector kan afgestemd of niet-afgestemd zijn, naargelang de (frequentie) bandbreedte en de gewenste gevoeligheid. Ook een aangesloten antenne zal de hoeveelheid HF verhogen voor de detector. De antennelengte is niet essentieel voor sterke HF-velden, tenzij ze onderdeel is van de ingangsresonantiekring.
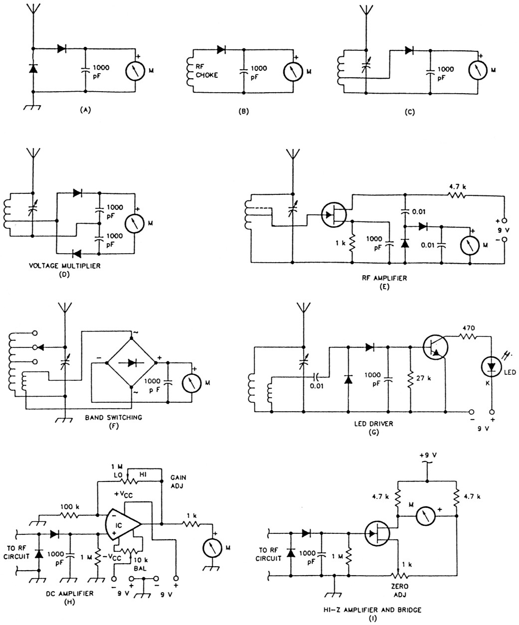
Het indicatiecircuit wordt opgebouwd rond een halve golf diodedetector (eigenlijk een rechtuitontvanger: een bandfilter + AM-detector), een voile golf diodedetector of een spanningsvermenigvuldiger diode-detector (gelijkrichter). De uitgang van de detector is een gelijkspanning met een amplitude evenredig met de grootte van de aanwezige HF-energie. De DC-uitgang kan gebruikt worden om zowel een meter als een LED aan te sturen om de aanwezigheid van HF aan te duiden. Alhoewel het gebruik van een meter de indruk geeft van calibratie, is er een kleine correlatie. Het kwadratisch effekt van de diodes en de willekeurige afstand tussen de zender en de veldsterkte indicator verhinderen de meeste pogingen voor een nauwkeurige calibratie en herhaalbare metingen. We verkrijgen enkel een betere indicatie.

Verschillende schema's worden gegeven van zeer eenvoudig tot complex. De keuze van een schema wordt bepaald door uw toepassing en de uitdaging voor het bouwen. Schema's A en B zijn niet afgestemd en vertonen een zeer ruime bandbreedte. Schema G is afgestemd met een resonante kring met voldoende kwaliteitsfaktor Q voor een kleine bandbreedte. Elk schema is ontworpen als een direkt veld indicator. A en B is uitgerust met een meter en G met een LED. Met een nietingestelde transistor als LED sturing, moet schema G ten minste een basis stuurspanning van 0,66 Volt van het HF veld gelijkrichten, alvorens de LED zal beginnen op te lichten. Toevoeging van een HF-trap zoals in schema E, laat toe de indicator te gebruiken in het verre veld van een antenne, waar het geschikt is voor patroon- en versterkingsmetingen. Gelijkspanningsversterking zoals in schema H en I zal de meter respons verbeteren. De OPAMP in H kan een versterking van 1 tot 100 leveren, maar geeft de beste stabiliteit met een versterking kleiner dan 10. De versterking van schema I heeft een ordegrootte van 5 tot 10, maar reageert door zijn kleine belasting van de detector op zwakke signalen.
Schema's kunnen gecombineerd worden; elke detector kan gebruikt worden met elke versterker. Voor een eenvoudige schema-afdruk zijn versterkers aangesloten op bepaalde detectors, hoewel ze verschoven mogen worden. Bouw zelf enkele schemacombinaties en voer enkele vergelijkende metingen uit om zo de combinatie te vinden die u het best past.
Te gebruiken komponenten:
Dioden: 1N914
Transistor: 2N2222, 2N3904, 2N4401
FET: MPF102, 2N3819, 2N4416, 2N5245
IC: LM741 of LM318
M: 50 µA tot 1 mA meter