In deel 1 werd de eigenlijke ontvanger besproken. In deze tweede aflevering bespreekt Evert een aantal uitbreidingen.
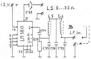
Het printje past naast de ontvangerprint. Hierop is het filter, de versterker en de voeding voor de ontvanger en de antenne geplaatst. De ontvanger krijgt een gestabiliseerde 9 volt en de LF-versterker LM380 12 volt. De spanning voor de antenne kan ingesteld worden op de lengte van de coax. Een trafo ontbreekt op de print. Het is de bedoeling deze op een 12 V accu (van de boot) of op een netadapter aan te sluiten. Omdat bij een defect aan de antenne of bij een beschadiging van de coax met accuvoeding gemakkelijk brand kan uitbreken is de zekering wettelijk verplicht!

Fig. 20. LF-doorlaat.

Fig. 21A. Schema van de voeding.

Fig. 21B. Schema van LF-filter en versterker.
Plaats de onderdelen per komponentenopstelling (fig. 26). Let op de polariteit van de diode, de LED en de elco. Sluit 12 V aan en kontroleer of alles werkt zoals het hoort. Aanraken van de ingang 'LF in' zal een flinke brom opleveren. Kontroleer ook of de 9 volts stabilisator het doet. Monteer het printje naast de RXprint en sluit +9 V en -9 V via korte draadverbindingen aan (draadbruggen). Met een stukje afgeschermde audiokabel moet nu alleen nog de loper van de potmeter met de ingang van de versterker worden doorverbonden. Houd dit kabeltje uit de buurt van de komponenten op de print.
Voor de luidspreker is geen aparte uitgang gemaakt. Omdat decoders in het algemeen hinder ondervinden van een parallel aangesloten luidspreker is het raadzaam een exemplaar met een hoge impedantie (32 Ω) te gebruiken. De luidspreker dient men ver uit de buurt te houden van de filterspoelen (in ferrietcup) omdat anders de zaak absoluut gaat 'rondzingen'.
De ontvanger kan nu ingebouwd worden, zie de foto. Regel alles nog eens piekfijn of en uw 'stand by NAVTEX RX' is voor gebruik gereed. De aktieve antenne komt in een volgende aflevering.
De ontvanger is als stand-by apparaatje bedoeld. Eenmaal afgeregeld behoeft slechts de schakelaar op 'aan' te worden gezet en de NAVTEX-berichten zullen binnenkomen.
Met het op elkaar aansluiten van de twee printjes komen de twee LFfilters achter elkaar te staan. Dit is in wezen niet nodig. Het RC-filter aan pen 7 zou kunnen vervallen, maar dan is volumeregeling niet meer mogelijk. Willen we het onderste uit de kan, dan is een kleine modificatie nodig. We verwijderen het RC-filter en gaan het volume nu electronisch regelen.
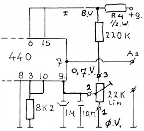
De RF-versterker in de TCA440 is via pen 3 regelbaar en de interne Straps lf-versterker via pen 9, waarop we de gelijkspanning met een pot-meter gaan regelen. Daardoor verandert ook de spanning op pen 10 en daarmee ook de spanning op pen 3. Nu is RF en LF regeling mogelijk.
Door deze modificatie is de gevoeligheid van de ontvanger vergroot. Voorheen was alles vast ingesteld op een bruikbaar gemiddelde en kon alleen veel' LF-signaal naar massa worden afgevoerd. Nu gedraagt de ontvanger zich zoals het eigenlijk hoort, maar u moet er wel bij blijven zitten om de zwakke stations uit de ruis te vissen . .. en als een sterk station in de lucht komt . . . om de potmeter snel terug te draaien om oversturing van de LM380 te voorkomen en de signaalsterkte naar de aangesloten decoder of interface te regelen.
Eigenlijk zou er nog een AGCregeling toegevoegd moeten worden. Dit zou echter een kompleet nieuwe print lay-out vergen.
De Code 3 decoder heeft maar heel weinig volume nodig. Een Telex-converter lets meer, maar niet te veel. Een 'Op-Amp interface' is niet zo kritisch. lets meer of lets minder maakt niet uit, maar bij te veel gaat ze stuk.
De NAVTEX-RX is een ontvanger volgens het `Directe Conversie' principe. Alle DC-ontvangers kunnen last hebben van 'modulatiebrom' bij voeding uit het lichtnet. Deze brom wordt veroorzaakt door de oscillator die op de ontvangstfrequentie straalt. Deze (geringe) strafing verlaat de ontvanger via de netvoeding en wordt daarbij door de gelijkrichterdiodes met brom gemoduleerd. De antenne pikt het zwakke met brom gemoduleerde signaal weer op . . . dat is zijn taak en zo krijgen we modulatiebrom. Voeding met gelijkspanning voorkomt modulatiebrom, terwijl in de praktijk is gebleken dat voeding uit een netadapter ook goed helpt.
Het net staat in verbinding met aarde en daarom geeft een niet tegen aarde gevoede antenne -zoals de geplande aktieve antenne- ook weinig tot geen modulatiebrom. In hardnekkige gevallen (bij deze NAVTEXontvanger zal het niet voorkomen) kan het overbruggen van iedere diode in de voeding met een C van 0,1AF soelaas bieden (PA3FFZ). Adapters zijn kopleet met snoer en steker vaak goedkoper dan een trafo alleen en veilig omdat we geen 220V meer op de print hebben.
Nodig : 1 × 220k Ω, 1 × 8k2, 1 × 1 µF 10 V tantaal, l × 10nF en een lineaire potmeter van 22kΩ.
Desoldeer de audiokabel en verwijder VR1, C29, R16, R17 en C28. Bekijk fig. 23 en kras of snij de printbanen waarmee pen 3 en pen 9 aan massa liggen door. Maak Brie verbindingen met dun geisoleeerd montagedraad. Pen 3 naar pen 10. Pen 9 naar de loper van de potmeter. Naar het punt waar voorheen R17 zat voeren we de plus 9 volt die op pen 6 staat. De 220 kΩ weerstand komt nu op de plaats van C29 en waar het audiokabeltje zat komt de 1 µF tantaalcondensator. Boor een extra gat in de baan naar de loper van de potmeter en een in het massavlak voor de 10 nF condensator. De 8k2 weer-stand komt aan de printkant tussen pen 3 en massa. Vervolgens sluiten we met korte draadjes, waarvan de buitenste elkaar kruisen, de potmeter aan. Zie fig. 24. Deze vormt met de 220 kΩ weerstand een spanningsdeler waarmee de spanning op pen 9 gevarieerd kan worden. Het kruisen van de Braden is nodig omdat we rechtsom draaiend meer volume willen horen en dit komt tot stand als we minder spanning op pen 9 zetten. Ten slotte moeten we nog een langer audiokabeltje aanleggen. 'LF out' komt nu direkt van pen 7 op de plaats waar eerst R16 zat. Kontroleer alles aan de hand van het schema (fig.22) en/of aan de hand van het schetsje (fig. 23).

Fig. 22. Schema RF en LF regeling.

Fig. 23. Modificatie RF en LF regeling.

Fig. 24. Potmeter regelt eerst RF, dan LF.
Dat de ontvanger zich nu anders gedraagt vertelden we al. De RF-versterker in de TCA440 wordt door de spanning op pen 9 geregeld. Bij de hoogste spanning (0,7 V) is alles teruggeregeld en hebben we een minimum versterking. Van 0,45... 0,35 V vindt regeling van de 3 LF-trappen plaats om daarna traploos over te gaan in het opregelen van de ingangstrap voor de mixer. Zwakke signalen kunnen dan beter ontvangen worden, vooral als de spanning op pen 9 tot 0,3 V gedaald is. Alles staat dan op de maximale gevoeligheid en de kans is groot dat de boel gaat genereren. De potmeter lijkt niets te doen in een groot deel van de draaicirkel. Dat is wel zo . . . alleen merk je daar niets van. Neem deze proef: als er geen station in de lucht is zal, met de potmeter in de midden stand, een zacht ruisen te horen zijn dat niet verandert als we de antenne losnemen. Zetten we de potmeter verder open, voor meer volume, dan zetten we in werkelijkheid minder spanning op pen 9. (Meet dit even op.) Een duidelijk verschil moet nu hoorbaar zijn als we de antenne losnemen en weer aansluiten.

Fig. 25. Print componentzijde.
Zie ook de aanwijzingen in CQ-PA 95/17.

Fig. 26. Onderdelenopstelling.
| D1 | 1N4002 |
| D2 | LED |
| IC | L7809 |
| R18 | 1k5 |
| C30 | 100 nF metaalfilm |
| C31 | 10 µF tantaal |
| C32 | 100 nF metaalfilm |
| Adapter: zie tekst 1 schakelaar | |
| 1 tulpsteker contra | |
| R1a | 82 Ω |
| L1a | 680 µH RFC |
| C4a | 100 µF 16V |
| C5a | 100 nF Ker. |
| Zekering + houder voor printmontage | |
| Instelpotmeter 4k7 | |
| C33 | 100 µF 25V axiaal |
| C34 | 10 nF MKM |
| C35 | 100 nF MKM |
| C36 | 220 nF MKM |
| C37 | 100 nF MKM |
| L1 | 100 mH |
| L2 | 100 mH |
| IC | LM380 |
| 1 × 14-pens IC-voet | |
Evert Kreulen, PA0EKR.
Deel 1 - deel 2