Geen ingewikkelde zelfinducties, die in alle mogelijke waarden, vormen en uitvoeringen in menige hobbyzaak te verkrijgen zijn, maar de eenvoudige zelf te maken eenlaags luchtspoelen, daar gaat het in dit artikel over.
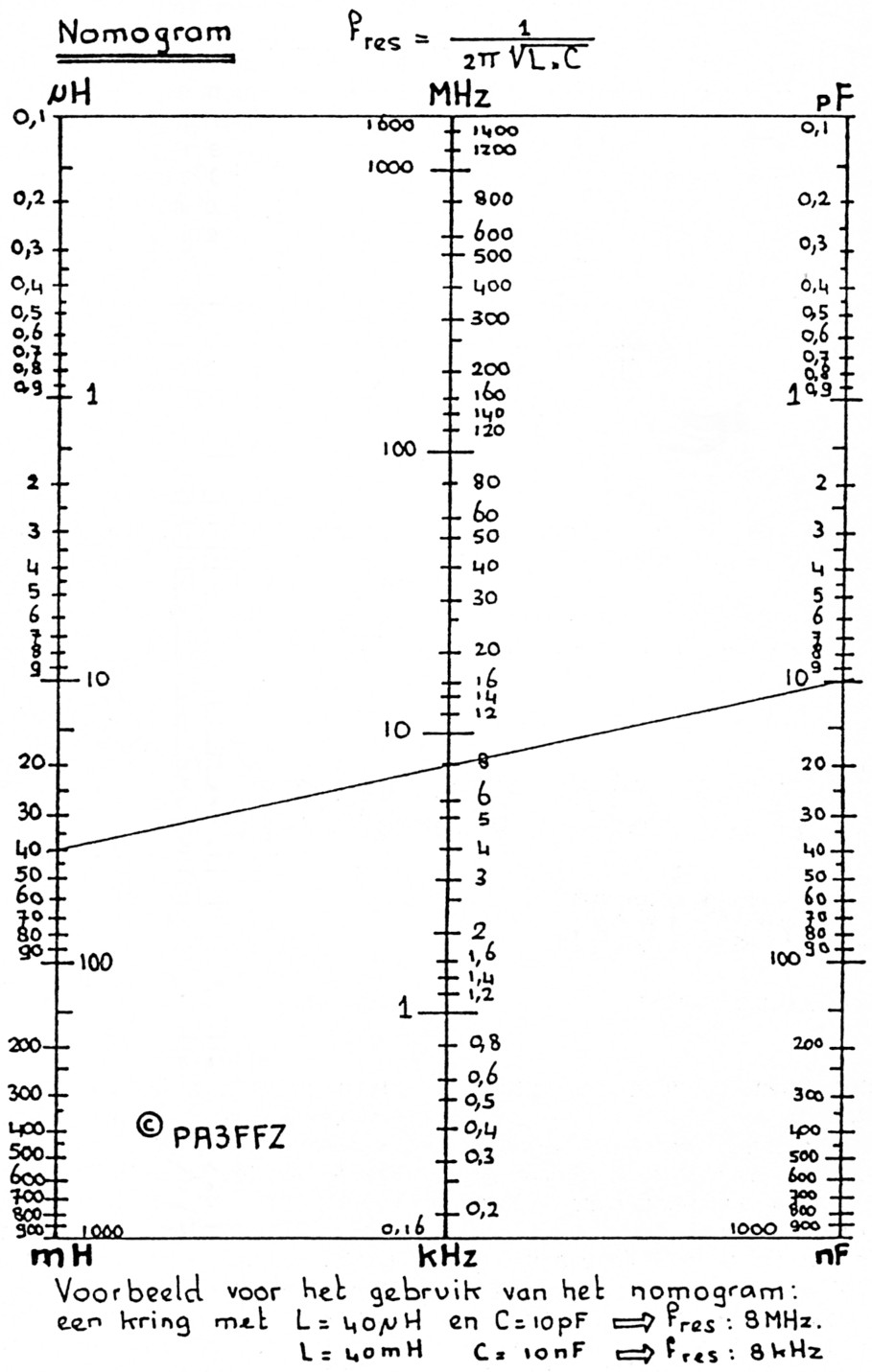
In onze hobby is een trillingskring gemeengoed. Moet er een worden gemaakt, dan is het bedoeld voor een bepaalde frequentie. Uit het reservebakje komt de capaciteit en met de resonantieformule (fig. 1) is fluks de zelfinductie te bepalen of, en dat bespaart rekenwerk, gebruik het nomogram volgens PA3FFZ uit CQ-PA 92/9 pag. 268 (fig. 2).

Fig. 1.

Fig. 2.
Maar dan! Hoeveel windingen en welke diameter?
Zomaar wat proberen? Hoogst zelden en dan nog met veel geluk zal het eerste probeersel naar wens zijn taak vervullen, in de meeste gevallen is slechts een handvol miskleunen het gevolg. De bedoeling is daar wat aan te doen.
Voor de duidelijkheid eerst de benamingen (fig. 3):

Fig. 3.
Voor de berekening is verder nog nodig de vormfactor F, die uit de bijgaande grafiek gehaald kan worden (fig. 4).

Fig. 4.
Nu dan een voorbeeld hoe we te werk dienen te gaan.
Voor de 10 meter band hebben we een oscillator nodig op 29 MHz; met een capaciteit van 30pF wordt de zelfinductie bepaald op 1 µH.
Het eerste begin is een gok (er worden toch geen wenkbrauwen gefronst?).
Veronderstel dat de spoelbreedte 2x de spoeldiameter wordt, dan is b:D = 2 en in de grafiek wordt de tweede getrokken lijn gebruikt.
Met een boortje van 08mm en geemailleerd koperdraad 00,8mm wordt de buitendiameter van de spoel D = 8 + (2x0,8) = 9,6mm. In de grafiek komt een horizontale lijn ter hoogte van d/D = 0,8/9,6 = 0,083. Het snijpunt van de twee lijnen levert een F = 3,2.
Met een simpele zakcalculator en de formule volgens fig. 5 wordt het aantal wikkelingen berekend: n = 100 × √{(3,2 × 9,6)} = 18.

Fig. 5.
Nu komt de controle op de gok! Nemen we aan dat de isolatie van de draad 0,03 mm is (in de draadtabellen wordt dit vermeld), dan is de werkelijke dikte van de draad 0,86mm en de spoelbreedte 18 × 0,86 = 15,5 mm (strak gewikkeld).
Uitgegaan is van een spoelbreedte 2 × D = 2 × 9,6 = 19,2mm.
De spoel is dus wel te maken en dient alleen uitgerekt (gespatieerd) te worden tot deze breedte.
Twijfels over het resultaat? Onnodig, voor al de schakelingen waarbij ik deze berekening toepaste was de werking probleemloos.
Tot besluit nog even een korte aanvulling: In het voorbeeld zijn afmetingen gekozen die meteen een bruikbare spoel opleverden, dit is gedaan om het geheel niet al te onoverzichtelijk te maken. Het is natuurlijk mogelijk, dat op een verkeerde spoelbreedte wordt gegokt, te krap of te wijd voor het aantal wikkelingen. Geen nood, probeer het nog eens met een andere diamater of een andere draaddikte, of een andere gok met de mogelijkheid van interpolatie door bijv. een lijn aan te nemen van b/D = 0,18 op de grafiek.
'Zenden als hobby' door Jan Schaap PA0HH, uitgave Kluwer.
PA3GCW.