Het paradepaardje van de meeste radioamateurs is de transceiver of een ontvanger met een golfbereik van 100 kHz tot 30 MHz. Helaas zijn vele kortegolf antennes in het frequentiegebied onder de 500 kHz onbruikbaar. Dat geldt bijzonder voor de magnetische antennes. Toch is dit ontvangstprincipe voor de langegolf ook zeer goed bruikbaar. Helmut Pape (DK2ZA) heeft hiervoor een handige oplossing gevonden. In plaats van een lange draad wordt hier een ferritstaaf met een voorversterker gebruikt. Het geheel past in een klein kunststof kastje of -doos van waaruit een coaxkabel naar de ontvanger komt. Als voedingsspanning is circa 5 volt nodig. Vaak is er aan de achterzijde van de transceiver of ontvanger een aansluiting te vinden welke deze spanning (eventueel met tussenschakeling van een stabilisator IC) kan leveren. Het schema maakt duidelijk dat het hele project in enkele uren te maken is. Daarom volgen hier nog enige tips betreffende de schakeling en de bouw.
De ferritstaaf van ca. 10 mm doorsnee wordt met papier omwikkeld. Daarop komt een laag geïsoleerde draad van 0,3 mm. Wikkel de ferritstaaf helemaal vol. Het is gemakkelijker om achteraf wat windingen te moeten verwijderen als men niet in het gewenste gebied uitkomt dan met de hand weer bij te moeten wikkelen. Men kan ook enkele ferritstaven samen bundelen om daarmee de ontvangstspanning te verhogen. Als voor de laagste frequenties de gehele wikkeling wordt toegepast (S1 open) en de parallel condensator is ingeschakeld (S2 gesloten), dient bij geheel ingedraaide condensator de ingangskring op 100 kHz afgestemd te zijn. Met de S-meter van de aangesloten ontvanger is dit aan de hand van het ontvangstmaximum zeer gemakkelijk te controleren.

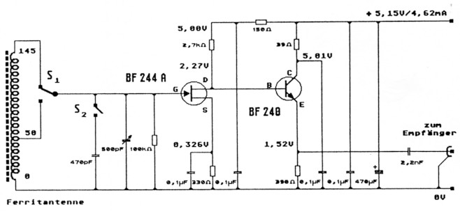
Fig. 1. Actieve Langegolf-antenne 100-600 kHz.
De aftakking van de spoel ligt ongeveer op een derde van het totale aantal windingen. Met de schakelaars S1 en S2 kan men de ontvangstbereiken omschakelen, waarna men met de draaicondensator op de juiste frequentie kan afstemmen.
De verschillende bereiken overlappen elkaar grotendeels.
De afstemkring wordt door een parallel weerstand van 100 kΩ gedempt. Wel wordt daarmee de kwaliteit van de afstemkring verminderd, doch de doorlaatkurve wordt breder. Dat heeft het voordeel dat signalen met een grote bandbreedte onvervormd doorgelaten worden. Ook hoeft men dan de draaicondensator niet meer voor de kleinste frequentiewijziging bij te draaien.
Het is in de praktijk gebleken dat de BF244A typen onderling nogal verschillen. Het loont zeker de moeite om uit enkele exemplaren de beste te kiezen.

Fig. 2. Opbouw van de actieve Langegolf-antenne.
De opgegeven spanningen mogen (link wat afwijken. Het is echter belangrijk, dat de spanning tussen de source en de drain van de BF244A alsmede die tussen de emitter en de collector van de BF240 minstens 2 volt bedraagt.
Voor de beste ontvangst wordt de ferritstaaf zo gedraaid, dat de brede zijde naar de zender gericht is. Voor de bouw wordt gebruik gemaakt van bij de radio-onderdelen handel verkrijgbare strepenraster gaatjesprint, dat op bepaalde plaatsen (zie tekening) met een mesje of vijltje onderbroken moet worden. Een coaxkabeltje zorgt voor de aansluiting naar de ontvanger.
Hoewel de bijschriften in de tekening in het Duits zijn gesteld, zal dit na het lezen van bovenstaand verhaal verder geen problemen opleveren. Veel luisterplezier toegewenst.
PA3CRK, Henk Seykens.