Meestal vinden de experimenten binnen onze hobby in de lange winteravonden plaats, dan neemt schijnbaar de behoefte aan experimenteren toe en eigenlijk horen die typische antenne experimenten weer in de zomermaanden thuis, b.v. op uw vakantiestekkie of gewoon thuis. Om uw fantasie vast wat te prikkelen volgt hier een beschrijving van een antenne die zich goed daarvoor leent. Hij is erg eenvoudig te maken, kost een schijntje, is eenvoudig of te regelen en geeft ook nog een leuke versterking op de koop toe.
Kort wordt nog even op de antennetheorie ingegaan om de zaak zo duidelijk mogelijk te maken.
(Bewerking van PA0VRC van het artikel van DD3PQ.)
De versterking van een antenne wordt verkregen door de afstraling te bundelen, net zoals dat gebeurt met een lamp die in een reflector is gemonteerd.
Buiten de hoofdstraal zien we wel wat licht, maar ten opzichte van de hoofdstraal is dat maar heel weinig (zijlobben), zie fig. 1.

Fig. 1. Stralingspatroon van een beam-antenne.
Als we nu een horizontale of verticale richtantenne gebruiken, doen we in feite precies hetzelfde als met de lamp in de reflector. We richten de straal (beam) op een bepaald punt en in dat punt zal de lichtsterkte (veldsterkte) het grootst zijn.
Maar willen we om de een of andere re-den het richteffect van de antenne niet b.v. als we de antenne niet kunnen of willen draaien of als we over 360 graden moeten afstralen zoals dat b.v. bij onze verenigingszender PI4VRZ/A gebeurt, dan kan geen beam toegepast worden en moeten we een rondstraal antenne gebruiken.
De eenvoudigste antenne die we dan kunnen toepassen is de halve golf dipool die we dan rechtop zetten. Het stralingsdiagram is getekend in fig. 2. Hierbij moet men zich voorstellen dat de twee getekende cirkels als het ware als een kraag om de antenne heen zitten, zie fig. 3.

Fig. 2. Stralingspatroon van een dipool.

Fig. 3. Plastische voorstelling van het stralingspatroon van een dipool.
Een andere veel gebruikte antenne is de fietspomp of in een andere uitvoering de J-antenne, als getekend in fig. 4. In feite kunnen we de fietspomp antenne zien als dezelfde halve golf antenne, maar hij wordt nu niet in het midden gevoed maar aan het eind via een kwart lambda aanpassingstransformator.

Fig. 4. Fietspompantenne.
Het stralingsdiagram van deze antenne is dus gelijk aan dat van de halve golf dipool. Ook geeft deze antenne t.o.v. de halve golf dipool geen versterking!
Een andere veel toegepaste antenne is de groundplane. Deze heeft een nadeeltje omdat het stralingspatroon on-der een hoek van 16 graden omhoog gericht is. Zie fig. 5 en 6.

Fig. 5. Grounplaneplane-antenne.

Fig. 6. Stralingspatroon van een groundplane.
Het stralingspatroon wordt omhooggericht doordat de neerwaarts gerichte straling tegen het `aardvlak' wordt gereflecteerd en dat opgeteld wordt bij de naar boven gerichte afstraling.
Bekijken we nu nog even de halve golf verticale dipool, dan zien we dat de richting van de maximale afstraling precies horzontaal is (dit is alleen zo indien de dipool hoog genoeg boven het aarvlak is gemonteerd). Dit is prettig voor verbindingen waar we geen gebruik hoeven maken van de hoger om de aarde gelegen reflecterende lagen, zoals dat op de lagere amateurbanden gebeurt. Voor de twee meter band is de beste rondstraler dus de antenne die in het horizontale vlak de meeste afstraling geeft.
Hoe kunnen we dit nu bereiken?
We moeten proberen de in fig. 3. getekende kraag wat in te drukken, zodat het a.h.w. een heel platte schijf wordt (fig. 7.). Dit kunnen we bereiken door een aantal dipolen op elkaar te stapelen, maar wel zodanig dat ze alle in fase worden gevoed zoals in fig. 8 getekend is.

Fig. 7. Max. afstraling in het horizontale vlak bij rondstralers met versterking.

Fig. 8.
Op papier mag dit allemaal wel kloppend zijn, maar in de praktijk wordt het een ronduit moeilijke constructie waaraan zeker geen professionele antennebouwer of fabrikant zijn vingers zal branden. Hoe doen die dat dan wel? Ze zorgen ervoor dat de 180 graden fasedraaiing tussen de dipolen met spoelen (eigenlijk zijn dat opgerolde ¼ lambda stubs) wordt gerealiseerd en dan krijgen we een antenne die er b.v. uitziet als in fig. 9.

Fig. 9.
Zoals gezegd, de spoelen zijn eigenlijk kwart lambda stubs zodat we de antenne ook kunnen tekenen als fig. 10.

Fig. 10.
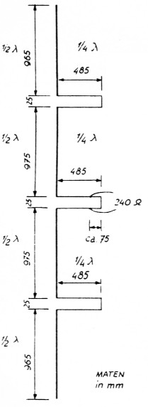
Zo komen we dat bij de antenne zoals die door Bert Wijlekes DD3PQ geconstrueerd is, alleen wordt in zijn constructie niet aan het eind maar in het midden gevoed.
De opzet is getekend in fig. 11 en we zien vier halve golf dipolen die een winst opleveren van ca. 4,5 dB t.o.v. een halve golf dipool.

Fig. 11.
De antenne laat zich gemakkelijk aanpassen omdat de impedantie van de 1/4 lambda stub waarop hij wordt gevoed varieert van vrijwel nul ohm aan het kortgesloten eind tot enkele kilo ohm aan het open eind. De impedantie van 240 ohm wordt op ca 7,5 cm vanaf het kortgesloten eind gevonden.
Omdat dit een symmetrische antenne is kan hij het beste via een balun op de coaxkabel worden aangesloten. Directe aansluiting van de coax op de stubs moet ook kunnen maar dit is niet proefondervindelijk vastgesteld. Wel moet dan gebruik worden gemaakt van een balanceerstub om hf van de buitenmantel van de coax to houden.
In fig. 12 wordt een gedetailleerde tekefling gegeven met praktische toepassing van diverse voorhanden zijnde materialen.

Fig. 12.