Piepstenen, ook wel kristallen genoemd, hebben de naam om een oscillator op die frequentie te houden waarvoor het kristal is geslepen.
Die naam is zo goed dat een amateur heel wat ervaring met oscillators moet hebben opgedaan om heel langzaam te gaan twiffelen aan de stabiliteit van kristaloscillatoren.
Hoe hoger de werkfrequentie, hoe eerder de twiffels komen.
Misschien heeft u ze wel eens gehoord: die mannen op 3777,777777 kHz in de 80 m-band met een woordenwisseling over het laatste zeventje op het display van de transceiver.
Een goed en duur kristal brengt het niet verder dan ± 10 ppm → 10 parts per million, dus 10 Hz per MHz. Dat brengt de afwijking van een goede transceiver al op tenminste 37 Hz en als we daarbij bedenken dat het afstemmen in SSB ook altijd een afwijking zal hebben t.o.v. de oorspronkelijke (niet uitgezonden) draaggolf, dan kan men er met de beste spullen al gauw 50 Hz naast zitten.
Een frequentieuitlezing die nauwkeuriger zou zijn dan 3777,77 (,78) is met normale amateurmiddelen een illusie.
Niet alleen in transceivers worden kristallen gebruikt maar ook in tellers (counters) en ook deze geven een gevoel van nauwkeurigheid dat niet gerechtvaardigd is. Of de counter nu is opgebouwd met een stelletje digitale IC's of met een moderne PIC doet daarbij niet ter zake. Het uitgangspunt is immers het 'referentiekristal' en dat is bij een amateurcounter niet zelden een goedkoop computerkristal met een afwijking die veel groter is dan 10 ppm. Met 10 ppm zijn vijf digits op het display gerechtvaardigd waarbij zelfs het vijfde digit niet geheel meer is te vertrouwen. Maar wat zien we in de praktijk... counters met 9 digits en counters met een PIC en een prachtig LCD-display met 10 digits (waarvan de laatste overigens altijd op 'nul' staat).
Als ik de uitgangsfrequentie van mijn mobiele 70 cm-set ga meten met een counter met een' kristal en ik vergelijk die meting met een counter waarbij gebruik gemaakt wordt van de frequentiestandaard geleverd door een goede TV-uitzending dan blijkt dat ik er op 70 cm zo'n 3 tot 4 kHz naast zit.
Het zesde cijfer op het display: 430,02? is dus niet meer te gebruiken; de drie digits die volgen slaan uiteraard nergens op en geven de valse schijn van nauwkeurigheid.
Mijn ervaring heeft mij echter geleerd dat ik een roepende in de woestijn ben: iedereen schijnt een set te hebben die goed op frequentie staat en blijft staan; die set heeft tenslotte ettelijke duizenden guldens gekost. De counter uit IJmuiden of het moderne concept van AADE met een PIC zijn uiteraard uitgerust met een fantastisch precisie-kristal... en dat voor ca 150 gulden.
Het volgende, een verslag van metingen naar de frequentiestabiliteit van kristallen, is dan ook niet voor u bestemd maar voor al die andere stakkers die hun zaakjes niet in orde hebben.
PA3FFZ.
De T7F is de zelfbouw transceiver waarvan de beschrijving is gepubliceerd in CQ-PA (sept. 1999), bedoeld voor 9k6 packet op 70cm, maar ook uitstekend voor telefonie te gebruiken. De bouwpakketten zijn nog steeds leverbaar.
De T7F is voorzien van een referentiekristal waarvan de temperatuurcoefficient (TC) tussen 0 en 50°C ±l0 ppm is. Dit is het beste dat men nog voor een redelijke prijs kan verkrijgen. Gewoonlijk hebben standaardkristalen een TC van ±50 ppm of meer. Maar ±l0 ppm betekent in de 70 cm-band toch altijd nog een afwijking van 4,3 kHz. Een normale 9k6-link verdraagt een frequentieafwijking van 2 kHz zonder een noemenswaardige verslechtering van de verbinding; bij een grotere afwijking gaat de overdrachtskwaliteit duidelijk achteruit.
Dat men desondanks met de T7F gewoonlijk goede packetverbindingen kan maken komt omdat het apparaat zelden onder extreme temperatuuromstandigheden gebruikt wordt. Zelfs bij een intensieve upload wordt het apparaat nauwelijks warmer dan 40°C.
In een aantal gevallen is het echter gewenst, of zelfs nodig, om een betere ternperatuurstabiliteit te hebben dan het kristal op zichzelf garandeert. Voor deze gevallen worden 2 oplossingen gepresenteerd.
De meetinrichting voor het meten van het temperatuurverloop van het apparaat bestond uit een frequentieteller HP53181 met een referentie die een nauwkeurigheid van 10-8 heeft en een temperatuurtestkast. De frequentieteller was via een koppelspoel op de VCO-buffer aangesloten. De frequentie van de transceiver werd bij kamertemperatuur zo goed mogelijk op de gewenste waarde afgesteld en de teller zo ingesteld dat alleen de afwijking van de gewenste frequentie aangegeven werd. Voor de meting werd de transceiver tot de maximale temperatuur opgewarmd en ongeveer 1 uur op die temperatuur gehouden. Daarna werd de temperatuur geleidelijk met 0,5°/min tot het minimum omlaag gebracht. De temperatuurkast heeft een aansluiting waarover men o.a. de interne temperatuur uitlezen kan.
Met een PC werd per 5° de frequentie van de teller uitgelezen. De diagrammen werden uit de gemeten waarden met Excel gegenereerd. Op deze manier was voor elk diagram een meettijd van ca 4 uur nodig. Omdat naast de getoonde diagrammen ook nog diverse andere metingen gedaan werden om de schakeling te optimaliseren was hiervoor een aanzienlijke hoeveelheid tijd nodig (hetgeen minder geduld vergt dan het lijkt omdat het geheel automatisch plaats vindt).
Figuur 1 toont een diagram met drie krommen en de schakeling van de referentieoscillator van de T7F. Kromme 1 (ongecorrigeerd) laat het originele frequentieverloop zonder enige compensatie zien. In het geteste temperatuurgebied verandert de frequentie ongeveer 4 kHz, hetgeen goed met de specificaties van het kristal overeenkomt. Bovenin het diagram ziet men een zeer eenvoudige compensatieschakeling. Ze bestaat uit een weerstand R1* en een NTC-weerstand R2*, die beide in serie geschakeld zijn en vanaf de middenaansluiting van de frequentiepotmeter naar de plus gaan. Helaas heeft de NTC een sterk exponentieel verloop terwijl de driftkromme van het kristal een groot proportioneel aandeel heeft. Daarom is alleen een goede compensatie bij hogere temperaturen te verkrijgen. De tweede kromme (waarbij 470 k staat) is optimaal wanner het apparaat zich in een normaal verwarmde ruimte bevindt en alleen de temperatuurdrift gecompenseerd moet worden welke veroorzaakt wordt door opwarming tijdens het zenden. Hierbij blijft de afwijking tussen 8°C en 70°C binnen een kHz, met R1* = 470 kΩ.

Fig. 1.
Met kromme 3 (820k) blijft de maximale drift tussen -10 en +70 °C binnen 2 kHz. R1* is nu 820 kΩ.
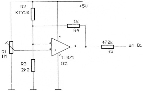
Een wat ingewikkelder schakeling toont figuur 2. Daarvoor moet men de trimpotentiometer R4 uit de T7F print verwijderen. De uitgang van de schakeling komt aan dat punt van de T7F, waarmee voorheen de middenaansluiting van R4 verbonden was.

Fig. 2.
De kromme van het diagram laat opnieuw het originele temperatuurverloop zien. Omdat de KTY10 een beter lineair gedrag heeft dan een NTC is de temperatuurcompensatie hier ook aanzienlijk beter. Met een beetje geduld kan men de schakeling zo afstellen dat de drift tussen 0 en 70 °C binnen 1 kHz en tussen -20 en +70 °C kleiner dan 2 kHz blijft.

Als NTC werd het type B57164-K474-J van Infineon toegepast (bijv. te verkrijgen bij Bürklin in München). Alle overige onderdelen zijn op de schakelschema's vermeld.
Holger Eckardt, DF2FQ (vertaling: Wim Hoek, PA3AKK)