
Fig. 1. Stralingsdiagram met hoofd-lobben.
Zo, heeft u het allemaal een beetje kunnen verwerken? Het was niet moeilijk wat er op pag. 75 over de L-antenne stond: we hebben gezien dat er bepaalde afmetingen worden gebruikt. Met nadruk wil ik er op wijzen: als u niet de nodige ruimte heeft is in principe elke lengte draad te gebruiken. Om ongewenste instraling door bijv. een hete mikrofoon of set, het ontstaan van een hoogfrequent veld in de shack (instraling en terugwerking) e.d. te voorkomen, dient u over een goede HF aarde te beschikken. Dat is geen pijp van 2 meter in de grond; neen daar komt meer voor kijken. Wanneer een HF-aardnet moeilijk kan worden verwezenlijkt, knoop dan zoveel mogelijk beschikbare en geschikte zaken aan elkaar, bijv. waterleiding, CV, dakgoten en daklijsten, etc. Overtuig u echter wel van eventuele neveneffekten, anders kan het middel erger dan de kwaal zijn! Leg tevens radialen uit en hang deze zo nodig uit het raam. Kortom, probeer zoveel mogelijk tegenkapaciteit te realiseren; u vaart er wel bij. Kontroleer altijd of u laag frequente instraling (LFI) veroorzaakt, voorkomen is ook hier beter dan verhelpen. Voor de volledigheid en om de richtwerking van de 'V'-antenne straks beter te behappen geef ik u het stralingsdiagram (1) van de langdraad L antenne. Er bestaat echter ook nog een overwegend vertikale L antenne (hi). U ziet dat er vier voorkeur richtingen zijn en u hebt waarschijnlijk al begrepen dat de L antenne in deze vorm een uitstekende antenne is voor onze luisterstations: zonder problemen snel te maken en te plaatsen. Maar - vooral in dicht bebouwde woongebieden - als zendamateur niet als ideaal te beschouwen.
De volgende antenne die we gaan bespreken heeft zijn naam te danken aan de vorm van de hoofdletter 'T'. Op zichzelf eigenlijk niet zo vreemd, want het is een vertikale draad, die in het midden vastzit aan een horizontale draad. Kijk maar eens naar schets 2. Het betreft een afgeleide van een vertikale halve-golf straler. De 'T' antenne heeft een overwegend vertikale polarisatie en min of meer een horizontale en kan worden berekend met de formule: b/2 + a = 0,95 × Lambda/2 waarbij a groter moet zijn dan b.

Fig. 2. Opbouw van de 'T-antenne'.
Bij het verwezenlijken ervan is enige ruimte onontbeerlijk en uw shack dient zich in het midden van de antenne te bevinden. Laten we eens een rekenvoorbeeld nemen: stel er bevinden zich twee ophangpunten op een afstand van 18 meter uit elkaar. Gewenst wordt een antenne voor de 40 meterband. Lambda voor de 40 m band is 42,55 m en 'b' is zoals we voor de ophangpunten ter beschikking hebben 18 m. Om 'a' te bepalen moeten we de formule omwerken. U mag b/2 naar rechts verplaatsen, maar wiskundig moet dan het teken veranderen, zodat de formule dan luidt:
a = (0,95 x 42,55/2) - 18/2
Invullen geeft a = (20,21) - 9 m = 11,21 m.
Om te voldoen aan de eis dat 'a' groter moet zijn dan 'b' moet dus de afstand 'b' verkleind worden totdat 'a' inderdaad groter is dan 'b'.
Deze antennes behoren tot de groep aperiodische antennes en hun impedantie bedraagt bij het voedingspunt enige kOhms. Daar de meeste zenders en ontvangers een laagohmige uit- en ingang hebben, moet er dus een aanpassing plaatsvinden met de ATU.
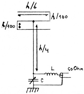
De antenne - ook bekend als de 'Inverted Groundplane' heeft dus zowel een vertikale als een horizontale polarisatie. Dat is nuttig voor radioverbindingen over korte en middellange afstand; het werkt echter nadelig op de vertikale afstraling bij DXverkeer. Bij het zoeken naar een antennetype dat deze nadelen niet heeft vond men na veel experimenteren een zgn. 'optimale T-antenne', hi. De oplossing werd gevonden door het Lambda/2 horizontale deel in 3 gelijke stukken van Lambda/6 op te delen, die zo zijn samengesteld dat de stromen in de leidingen elkaar opheffen. Het komt er op neer dat de resonante paralleldraadleidingen niet stralen omdat de stroomverdeling in deze leidingen elkaar opheffen (180 graden in fase verschoven).
Bekijk nu schets 3 van de 'Optimale T'. U ziet dat de voedingslijn 'a' een Lambda/4 Lang is. De afstand tussen de Lambda/6 stukken bedraagt Lambda/100. De 'Optimale T' heeft een zeer goed rendement die met een van veel radialen voorziene 1/4 vertikale groundplane (GP genoemd) haast niet is te bereiken. Echt de moeite waard om eens serieus te bekijken!!

Fig. 3. De 'Optimale T-antenne'.
Wel, dit was het weer voor doze keer. Ik weet dat u er iets aan heeft gehad, anders had u niet tot hiertoe gelezen en ik hoop dat uw belangstelling zodanig is gewekt dat u de handen uit de mouwen gaat steken of dat u verder gaat studeren in onze voortreffelijke kursus.
Henk Sibum, PA0GHS.