Beschrijving van de werking en de bouw van een upconverter waarmee met een SSB 2 meter-set, bijvoorbeeld een FT290, de gehele frequentieband tussen 10 kHz en 30 MHz beluisterd kan worden.

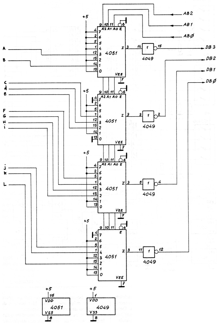
Fig. 1.
De vier HEF4051 8 naar 1 multiplexers ma-ken het mogelijk om met de adressturing AB1 t/m AB3 van de TDD1742 de bits voor n0, n1 en n2 om te zetten in 8 woorden van 4 bits voor DB0 t/m DB3. De `vaste' bitlijnen zijn aan 0V of 5V verbonden, de overige zijn verbonden met de adders HEF4008.

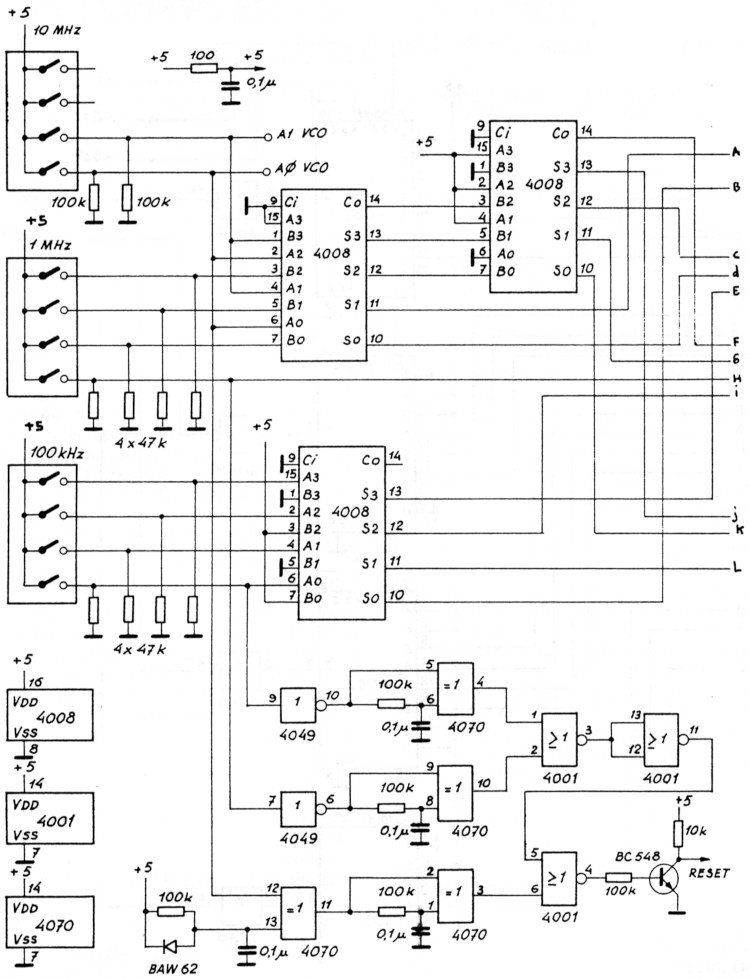
Fig. 2.
De duimwielen voor 10 MHz, 1 MHz en 100 kHz geven elk een BCD code af, welke omgezet moet worden om met de PLL de juiste frequenties op te wekken. Bij de laagst ingestelde ontvangst-frequentie hoort de hoogste LO frequentie. Er moet dus een aftrekbewerking worden uitgevoerd. Dit aftrekken kan worden bereikt door het complement op te tellen en het resultaat te inverteren. De inversie vindt plaats achter de multipexers.
De bits van n0 besturen de 12,5 kHz stappen. Om 100 kHz stappen te krijgen moet met 8 vermenigvuldigd worden. Dit is te verkrijgen door de bits 3 posities naar links verschoven aan te sluiten en de 3 MSB's vast hoog te nemen (i.v.m. de inversie). Het complement is te maken door 0101 op te tellen met de HEF4008.
De bits van n1 en n2 worden door de 1 MHz en 10 MHz duimwielen bepaald. De BCD code van de duimwielen moet naar binaire code omgezet worden. Deze bewerking wordt met optellers, HEF4008, verkregen. De code van het 1 MHz duimwiel kan ook als binaire code gezien worden (de code gaat maar tot 9, i.p.v. 15).
Van het 10 MHz duimwiel zijn alleen de twee laagste bits nodig. Deze bits met de waarde 20 en 10 zijn te zien als:
20 = 16 + 4 en 10 = 8 + 2 ofwel:
Als het 20-bit hoog is moet een 1 bij het 16-bit en een 1 bij het 4-bit van de 1 MHz bits opgeteld worden.
Als het 10-bit hoog is moet een 1 bij het 8-bit en een 1 bij het 2-bit van de 1 MHz bits opgeteld worden.
Voor deze bewerkingen is slechts 1 opteller HEF4008 nodig.
Om de juiste LO frequentie op te wekken moet het complement van het verschil tussen de LO- en ontvangst-frequentie opgeteld worden. Dit is het complement van 144, ofwel -143 de inverse van 1000 1111, zijnde 0111 0000. Dit is 64 + 32 + 16.
Een derde HEF4008 telt dit op bij de bits van de 1 en 10 MHz instelling. De bits van n1 en n2 maken 40 × 12.5 kHz = 0.5 MHz stappen, zodat de nu verkregen code nog met twee vermenigvuldigd moet worden. Hiervoor worden alle bits 1 positie naar links geschoven en wordt een LSB bit toegevoegd met vaste waarde 1.
Een reset op pen 11 van de TDD1742 start de inleescyclus voor het inlezen van de programmering. Dit inlezen gebeurt niet continu om storende invloed van de bijbehorende kloksignalen te vermijden. Dit inlezen hoeft alleen te gebeuren als de instelling van de duimwielen gewijzigd wordt of als de voeding aan gaat.
Hiervoor worden alle LSB's van de duimwiel bits in EXOR's vergeleken met een vertraagde versie en opgeteld. Op deze manier wordt bij het veranderen van een van de duimwielen een korte puls als resetsignaal opgewekt. Ook bij het inschakelen van de voeding wordt een reset verkregen voor het opstarten van de lus.
Fig. 3.
Uit de +15V wordt met een klein IC de 78L08 een stabiele + 8Volt verkregen. Door weerstandsdeling en gebufferd met een opamp-schakeling wordt +5V gemaakt en door met een andere opamp te inverteren de -5V. Op deze wijze worden de voedingsspanningen in de juiste volgorde ingeschakeld. De +5V kan het beste op exact 5.2 Volt ingesteld worden, omdat dit de beste waarde voor een goede werking van de 40/41 deler is. De andere circuits zijn niet kritisch wat hun voedingsspanning betreft.
De VCO's, de buffers en de 40/41 deler zijn samen op een print gebouwd en het overige op een andere. De twee printen zijn op elkaar gebouwd als een sandwich. Bij de print met de hoogfrequent circuits zijn de onderdelen zwevend boven het kopervlak gemonteerd met de 4n7 ontkoppel C's als steuntjes. Deze bouwwijze is snel en voor hoogfrequent het beste i.v.m. de kortst mogelijke verbindingen, een groot aardvlak en lage parasitaire capaciteit. De spoelen van de VCO's hangen bij deze bouwwijze ook zwevend en geven daardoor enige microfonie. Het beste is de spoelen op de print vast to lijmen.
De andere print is een experimenteer gaatjesprint met op de bovenzijde een aardraster. Dit zijn de minder kritische schakelingen. De twee verbindingen tussen de 40/41 deler en de TDD1742T FB en DIV moeten afgeschermd worden om storingen te voorkomen. De overige verbindingen zijn niet kritisch.
De bij mij gebruikte voeding voor + en -15 Volt is een gestabiliseerde voeding, die al in het gebruikte kastje aanwezig was. De in het schema gegeven eenvoudige schakeling moet volgens mij voldoende zijn, maar is niet uitgeprobeerd.
Ik heb geen print ontworpen, omdat ik daarvoor geen materiaal heb en liever met experimenteerprint werk. Het resultaat is goed, is makkelijk te veranderen en veel minder tijdrovend.
Voor een goede ontvangst is enige filtering voordat het signaal van de antenne de upconverter in gaat geen overbodige luxe.
De twee meter set is namelijk niet opgewassen tegen al te sterke signalen en kan vooral door de middengolfzenders, bijvoorbeeld op 1008 kHz, overstuurd raken. Desondanks zijn de ontvangstresultaten met een FT290R en een draadantenne van enkele meters behoorlijk goed.
Het enige circuit dat afgekeken is, de reset schakeling, geeft of en toe problemen, d.w.z. de PLL wordt op dan de verkeerde frequentie ingesteld. Dit kan nog verbeterd worden.
Er zijn nog diverse toevoegingen denkbaar, zoals een preselector, een voedingscircuit dat alleen +12V nodig heeft en een frequentieinstelling met up/down toetsen en een display.
PE1AXH, Norbert van den Bos.
Deel 1 - deel 2.